跳转到主要内容

南芯科技再推新品,为ADAS系统提供一站式电源解决方案

winniewei 提交于

今日,南芯科技(证券代码:688484)宣布推出车规级升降压转换器 SC8748Q/SC8749Q,以及高边开关 SC71420Q/SC71440Q,为 ADAS 系统提供从 ECU 到摄像头模块的一站式电源解决方案。全新升降压转换器集成四个 MOSFET,支持 3.7V-36V 的输入电压及 2.5V-20V 的输出电压,可连续输出最高 3A/5A 的电流,同时提供可选的展频功能以优化 EMI 性能,无需共模扼流圈即可通过 CISPR Class 5 标准。全新高边开关符合 ASIL-B 功能安全标准,每个通道都被独立保护,并可通过背对背的 MOSFET 配置实现最高 28V 的对电池短路保护。

1.png

持续深耕ADAS市场,提供完整链路支持

伴随辅助驾驶技术与市场的飞速发展,车载摄像头的重要性日益凸显。据统计,2024 年 1-9 月,中国新车整体摄像头安装量达到 6421.3 万颗,同比增长 32.6%,包含 7 个视觉传感器组合的 7VnR 方案成为国内主流车载摄像头配置,带动单车摄像头用量增长。

ADAS 系统的 ECU(电子控制单元)融合来自不同传感器的数据,基于对外界环境的感知,实现对其它子系统的精准控制,是辅助驾驶的核心模块。ECU 模块内部的升降压转换器和高边开关,将汽车电压调整为适合摄像头的直流电压,并监控实时电路状态。随着 ADAS 功能的激增,ECU 的电源管理芯片也面临着小型化、能源效率和安全性的挑战,以便在相同空间集成更多电子设备,减少能量耗散,提升系统的可靠性。

南芯科技此前已量产两款高性能车载摄像头 PMIC 芯片——SC6201Q & SC6205Q,应用于摄像头模块,提升单个摄像头的可靠性、效率和抗噪声能力。如下图所示,本次发布的两款产品则聚焦电源链路的前端,从 ECU 侧提供更全面的保护,除了视觉摄像头之外,还可用于毫米波雷达和超声波雷达,进一步强化在 ADAS 领域的产品布局,为客户提供全链路的方案支持。

2.png

典型车载摄像头电源链路及南芯产品

SC8748Q/SC8749Q:高度集成,高效转换

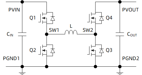
SC8748Q/SC8749Q 采用 4mm*5mm Wettable QFN-34 封装,集成四个 MOSFET,可分别作为主开关和同步整流开关,适应车载摄像头小型化的发展趋势。产品支持宽达 3.7V-36V 的输入电压范围,可输出 2.5V-20V 的电压,适用于 ADAS、汽车照明等多种应用场景。

3.png

SC8748Q/SC8749Q 集成四个 MOSFET

SC8748Q/SC8749Q 可实现超过 97% 的峰值转换效率,连续输出最高 3A/5A 的电流,为车载应用提供高效稳定的电源支持。用户可通过 I2C 接口设置输入电压、开关频率、工作模式等参数,还可选择展频功能,以优化系统 EMI 性能。此外,产品还具备输出过压保护、逐周期电流限制、输出欠压保护、输入过压和热关断保护等完善的安全保护功能。

4.png

SC8748Q 输出效率(FPWM 模式)

SC71420Q/SC71440Q:符合功能安全,全方位保护

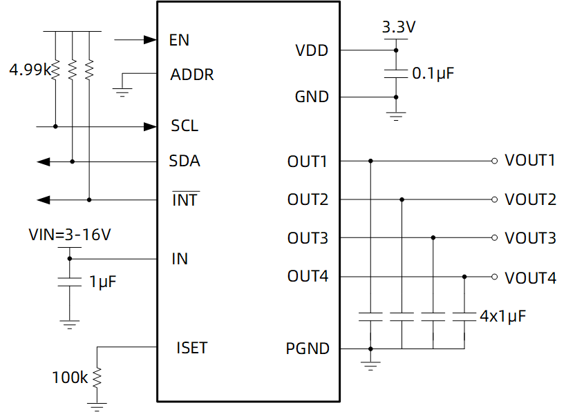
SC71420Q/SC71440Q 是专为车载摄像头设计的高性能四通道高边开关,每通道可提供 1.2A/0.6A 的负载电流。这两款产品严格按照功能安全流程开发,符合 ASIL-B 功能安全标准,提供完善的监控和诊断功能,针对每个输出通道提供对电池短路保护、对地短路保护、过流保护、过温关断等机制,实现独立保护。

5.png

SC71440Q 的典型电路

SC71420Q/SC71440Q 采用背靠背 MOSFET 保护技术,可实现最高 28V 的对电池保护,相比单个 MOSFET 方案提供更全面的保护,提升电路的可靠性。该产品通过寄存器上报错误,MCU 可以通过 I2C 接口读取寄存器内容,获得设备的诊断状态,还可通过 ADC 读取每个开关的电流等诊断测量信息,实现更精确的系统诊断。

该系列采用 4mm*4mm QFN-20 封装,并提供双通道高边开关 SC71220Q。

南芯科技车规级产品家族

南芯科技汽车解决方案面向未来绿色和智能的出行方式,涵盖车载充电、智能座舱、智能驾驶和车身控制等应用,致力于为客户推出一站式芯片解决方案。我们扎根于客户研发场景,基于客户应用不断进行定制设计迭代,帮助客户在汽车核心应用领域更快地设计出效率更高、集成度更高、安全性更高的产品。

*本文中图表数据为理论值,均来自南芯内部实验室,于特定测试环境下所得(请见各项具体说明),实际使用中可能因产品个体差异、软件版本、使用条件和环境因素不同略有不同,请以实际使用的情况为准。

关于南芯科技

上海南芯半导体科技股份有限公司(简称:南芯科技,证券代码:688484)是国内领先的模拟和嵌入式芯片设计企业之一,产品覆盖充电管理芯片、DC-DC 芯片、AC-DC 芯片、充电协议芯片、锂电管理芯片、驱动芯片等,通过打造丰富的产品矩阵,满足客户系统应用需求。自创立以来,我们坚持以客户价值为中心,为客户提供完整的解决方案,致力于为消费电子、汽车、工业等多种行业应用场景提高能源转换效率。更多信息,请浏览网站:https://www.southchip.com/