跳转到主要内容
cathy 提交于

光伏(PV)模块是普及和经济适用的可再生能源。大多数光伏模块的寿命约为20年,但是,热应力和湿度侵入等其他原因会导致光伏模块的输出功率随着时间的推移而下降。为了进行调试,可通过PV模块的电压-电流特性曲线的变化来测量其性能下降情况。

由于PV模块的功率输出会随着温度发生很大的变化,因此需在其典型工作环境中测量其性能,这一点很重要。此类工作环境通常是阳光充足的户外区域,比如屋顶或未开发的空地,在这些地方很难为测量设备提供电力或控制温度。

因此,有一点很重要,即:用于对模块性能进行特性分析的测量设备不会随温度变化出现指标漂移。另外,理想的I-V测量解决方案还将是便携式的,并且功率极小。

36V、 低噪声零漂移运算放大器 LTC2058 的单电源轨操作和关断模式可实现电池供电型操作,并最大限度延长电池寿命。其双路放大器实现了两个通道(例如,电流和电压)的同时测量。对于PV模块测量等需要经受宽温度变化范围的应用,尽管工作温度的波动幅度很大,LTC2058极低的最大输入失调电压温度漂移 (0.025 µV/°C) 可保持其精准度。例如,在日光照射非常充足的地区,环境温度可达 45°C(113°F),这相当于在正常的室温操作条件下额外增加了20°C。LTC2058 在极端条件下产生的最大附加输入失调漂移仅为0.5 µV。

<strong>测量 PV 模块 I-V 特性</strong>

PV模块的I-V特性曲线是通过给PV模块施加从短路到开路的一系列阻抗、并测量在每个负载上产生的电流和电压后生成的。一种方法是通过高额定功率电位计或负载箱的多种设置进行迭代,并在每个点上实施测量。这种方法有一个缺陷:短暂的遮蔽或照明,比如飞鸟、云彩、或明亮反射体越过头顶,会引起输出功率的瞬间下降或骤增,从而在I-V曲线中引入误差。一种较快的方法是打开一个并联开关至一个大电容器,因为电容器在其几百ms的充电时间里将高效地对其阻抗进行从短路至开路的扫描,可最大限度减少瞬态效应影响 I-V 曲线的机率。

除了这种方法所具备的明显优势(即速度、简单性和测量的简易性)之外,采用瞬态电容性扫描所需的高额定功率组件极 少。组件承受高功率的持续时间不超过几百毫秒。因此,通过正确地选择负载电容器和检测电阻器,可以将该精确的测量电路用于众多模块开路电压和短路电流的测量,例如,用于大面积PV模块测试器中。

<strong>用于PV电池板模块的I-V扫描测试电路</strong>

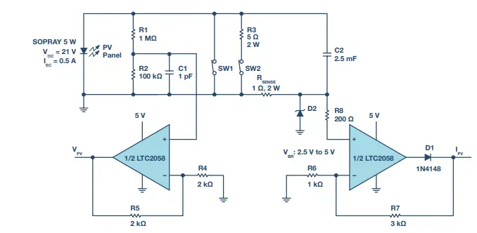
图1示出了一款用于对PV模块进行特性分析的I-V扫描方法实施方案。C2是主容性负载,其大小的选择需在测量速度和准确度之间进行权衡:当选择较小的电容器C2时,扫描速度较快,可降低出错的风险;选择较大的电容器C2时,则扫描速度较慢,同时可完成更精确的测量采样。

<center><img src="http://mouser.eetrend.com/files/2019-04/wen_zhang_/100042612-67799-b1.p…; alt=“图 1. 采用LTC2058进行PV扫描测量。” ></center><center><i>图 1. 采用LTC2058进行PV扫描测量。</i></center>

在初始状态中,SW1和SW2均短路,因此C2的两端上没有电压。这两个开关都必须打开(先打开SW2,然后打开SW1),以启动一次持续时间为150ms的测量扫描,并以C2两端达到模块的满电压为结束。在测量之后对C2进行放电以为下一个周期做准备,所需的操作包括:首先将SW2闭合,此时额定功率为2W的串联电阻R3降低了产生电火花的风险,然后将SW1闭合,以在C2两端提供真正的短路(RON=0.3Ω)并将C2两端的电压拉至0。就全系统实施方案而言,这些开关可以是功率MOSFET,由负责控制定时和开关切换顺序的数字信号驱动。

LTC2058稳健的2.5MHz增益带宽乘积对于精确跟踪流过RSENSE的 PV电流的扫描速率至关重要。最大的电流检测测量误差出现在扫描周期里瞬变最急剧的过程中。尽管RSENSE两端的输入电压具有3.6 V/s的较低下降压摆率(见图 2),但是运放的群延迟将转化为电流检测输出中的实时误差。而且,由于RSENSE相当大,因此电流检测电路的闭环增益可小到4V/V,以在0.5A最大短路电流(ISC)条件下产生一个2V全标度输出。这个低增益并不是问题,因为LTC2058具有稳定的单位增益。于是,LTC2058的高增益带宽和低闭环增益要求可实现快速闭环响应,从而最大限度减少由群延迟引起的误差。

<center><img src="http://mouser.eetrend.com/files/2019-04/wen_zhang_/100042612-67800-b2.p…; alt=“图 2. 在压摆率约为3.6V/s情况下检测电阻器两端的电压。”></center><center><i>图 2. 在压摆率约为3.6V/s情况下检测电阻器两端的电压。</i></center>

大的电容器C2与大的RSENSE共同决定了瞬变的压摆率,因而确定了由固定延迟引起的误差。采用较大C2所付出的代价是I-V测量所需的时间有所延长。

二极管D1允许电流检测通道的输出一直摆动至0V,以测量扫描周期结束时开路情况下的精确电流。二极管D2和200Ω电 阻器R8有助于保护电流检测放大器的IN+免遭电气应力过载的损坏。

对于电压检测通道,R1和R2对模块的全电压进行分压,以使VPV上的输出在经过了5V/V的闭环增益级之后位于5V电源轨之内。R1和 R2是可调整的,以对任何模块开路电压(VOC)进行分压,只要它们的电流消耗量不太大(相对于模块ISC)即可。在该设计中,流过R1和 R2的电流产生19µA的误差,即ISC的0.0038%。

<center><img src="http://mouser.eetrend.com/files/2019-04/wen_zhang_/100042612-67801-b3.p…; alt=“图 3. 利用电容性扫描和LTC2058电路获得的I-V和功率-V关系曲线。”></center><center><i>图 3. 利用电容性扫描和LTC2058电路获得的I-V和功率-V关系曲线。</i></center>
<center><img src="http://mouser.eetrend.com/files/2019-04/wen_zhang_/100042612-67802-b4.p…; alt=“图 4. PV 电容性扫描电路;模块连接位于左侧,C2 位于右侧。”></center><center><i>图 4. PV 电容性扫描电路;模块连接位于左侧,C2 位于右侧。</i></center>

<strong>结论</strong>

如果测量设备的安放位置靠近 PV 模块,那么它也将暴露在寒冷、明亮的阳光或炎热的沙漠气候等环境中的极端温度之下。然而,它必须保持其精准度,以捕获PV模块的性能随温度起伏发生的变化。LTC2058的最大平均输入失调温度漂移仅为0.025µV/°C,因而可在宽广的温度范围内实现太阳能电池板性能的精准测量。

本文转载自:亚德诺半导体
声明:本文为转载文章,转载此文目的在于传递更多信息,版权归原作者所有,如涉及侵权,请联系小编邮箱:cathy@eetrend.com 进行处理。

<strong><a href="http://www.mouser.cn/applications/&quot; style="color:red;">点击这里,获取更多关于应用和技术的有关信息</a></strong>
<strong><a href="https://www.mouser.cn/blog&quot; style="color:red;">点击这里,获取更多工程师博客的有关信息</a></strong>