跳转到主要内容
winniewei 提交于

<p><span>作者:ADI公司<span>&nbsp;<span>&nbsp;</span></span></span><strong>Tony Armstrong</strong></p>

<p><strong>背景知识</strong></p>

<p><span>ADAS是高级驾驶员辅助系统的英文缩写,它在当今许多新型汽车和卡车中很常见。此类系统通常有助于安全驾驶;当检测到周围物体(例如不遵守交通规则的行人、骑车人,甚至有其他车辆位于不安全的行驶轨迹上)构成风险时,系统可以向驾驶员提供警报!此外,这些系统通常提供自适应巡航控制、盲点检测、车道偏离警告、驾驶员困倦监控、自动制动、牵引控制和夜视等动态特性。因此,消费者对安全性日益增强的重视、对驾驶舒适性的要求以及政府安全法规的不断增加,是未来十年后半时期汽车ADAS的主要增长动力。</span></p>

<p><span>这种增长对行业来说并不是没有挑战,包括价格压力、通货膨胀、复杂性和系统测试的困难性。此外,欧洲汽车行业是最具创新性的汽车市场之一,这点不足为奇,ADAS的市场渗透率和客户接受度均有重大突破。不过,美国和日本汽车制造商也不甘落后。最终目标是实现无需人类在方向盘后面干预的自动驾驶!</span></p>

<p><strong>系统难题</strong></p>

<p><span>一般来说,ADAS集成了一些微处理器来收集车内众多传感器提供的所有输入,然后进行处理,以便可以将其方便易懂地呈现给驾驶员。此外,这些系统通常由车辆主电池直接供电,其标称电压为9 V至18 V,但由于系统内部的电压瞬变,电压可能高达42 V,而在冷启动期间,电压可能低至3.4 V。因此,这些系统中的任何DC-DC转换器都必须至少能够处理3.4 V至42 V的宽输入电压范围。另外,许多双电池系统(例如卡车中常见的双电池系统)需要更宽的输入范围,上限推高至65 V。因此,一些ADAS制造商将其系统设计为覆盖3.4 V至65 V的输入范围,使其可用于汽车或卡车中,同时在制造过程中获得规模经济的好处。</span></p>

<p><span>大部分ADAS使用5 V和3.3 V电源轨为其各种模拟和数字IC器件供电。相应地,此类系统的制造商更喜欢使用单个转换器来同时解决单电瓶和双电瓶配置。此外,该系统通常安装在车辆中空间和散热均受限制的部分中,这会给用于散热目的的散热器带来限制。虽然采用高压DC-DC转换器直接从电池产生5 V和3.3 V电源轨是司空见惯的,但在如今的ADAS中,开关稳压器也必须达到2 MHz或更高的开关频率,而非以前的500 kHz以下开关频率。这一变化背后的关键驱动力是需要更小尺寸的解决方案,同时也要保持在AM频段之上,以避开任何潜在的干扰。</span></p>

<p><span>另外,好像设计人员的任务还不够复杂一样,他们还必须确保ADAS符合车内各种抗噪标准。在汽车环境中,开关稳压器正在取代那些重视低发热和高效率的区域中的线性稳压器。而且,开关稳压器通常是输入电源总线上的第一个有源部件,因此对整个转换器电路的EMI性能有着重要影响。</span></p>

<p><span>EMI发射有两类:传导和辐射。传导发射位于连接到产品的电线和走线上。由于该噪声局限于设计中的特定端子或连接器,因此在开发过程中借助良好的布局或滤波器设计,通常可以相对容易地保证符合传导辐射要求。</span></p>

<p><span>不过,辐射发射完全是另一回事。电路板上任何承载电流的东西都会辐射电磁场。电路板上的每一条走线都是一根天线,每个铜层都是一个谐振器。除了纯正弦波或直流电压以外,任何其他东西都会在整个信号频谱上产生噪声。即使精心设计,在系统进行测试之前,电源设计人员也并不真正知道辐射发射会有多糟糕——而辐射发射测试只有在设计基本完成之后才能正式进行。</span></p>

<p><span>常常使用滤波器来衰减特定频率或一定频率范围的信号强度,从而降低EMI。通过空间传播(辐射)的这部分能量可通过添加金属和磁屏蔽来衰减。位于PCB走线(传导)的能量部分可通过添加铁氧体磁珠和其他滤波器来抑制。EMI无法消除,但可以衰减到其他通信和数字器件能够接受的水平。此外,多家监管机构通过实施相关标准来确保产品合规。</span></p>

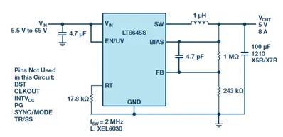
<p><img alt="图1.提供5 V、8 A、2 MHz输出的LT8645S原理图" data-entity-type="file" data-entity-uuid="f51690e3-851c-4eba-baa5-0c160968d9ac" src="http://new.eetrend.com/files/2021-03/wen_zhang_/100062939-125858-1.jpg&…; /></p>

<p><em>图1.提供5 V、8 A、2 MHz输出的LT8645S原理图</em></p>

<p><span>现代输入滤波器采用表面安装技术拥有比通孔器件更好的性能。但是,这种改善跟不上开关稳压器工作频率增加的步伐。更高的效率、较短的开/关时间和更快的开关跃迁,导致谐波含量更高。所有其他参数(如开关容量和转换时间)保持不变时,开关频率每增加一倍,EMI就会恶化6 dB。如果开关频率增加10倍,宽带EMI就会像辐射增加20 dB的一阶高通滤波器一样。</span></p>

<p><span>有经验的PCB设计人员会将热环路变小,并让屏蔽接地层尽可能靠近有源层。尽管如此,器件引脚排列、封装结构、散热设计要求以及在去耦元件中储存充足能量所需的封装尺寸,都要求某一最小尺寸的热环路。更复杂的是,在典型平面印刷电路板中,走线之间高于30 MHz的磁性或变压器式耦合会削弱所有滤波器的作用,因为谐波频率越高,不良磁耦合就越显著。</span></p>

<p><strong>低EMI辐射的高电压DC-DC转换器</strong></p>

<p><span>鉴于上文所述的应用限制,ADI公司Power by Linear™部门开发出</span><span>LT8645S</span><span>——一款支持高输入电压、单芯片、低EMI辐射的同步降压转换器。其输入电压范围为3.4 V至65 V,因而既适合汽车应用,也适合卡车应用,包括ADAS,后者必须胜任</span><span>冷启动和启停场景下的调节,最低输入电压低至3.4 V,电源切断瞬变超过60 V。如图1所示,该器件采用单通道设计,提供5 V、8 A输出。开关频率为2 MHz时,其同步整流拓扑可实现高达94%的效率,而在空载待机条件下,突发工作模式(Burst Mode</span><span>®</span><span>)保持静态电流低于2.5 μA,因此非常适合始终开启的系统使用。</span></p>

<p><span>LT8645S的开关频率可以在200 kHz到2.2 MHz范围内进行编程,并且在整个频率范围内都支持同步。其独特的Silent Switcher</span><span>®</span><span><span>&nbsp;</span>2架构集成了内部输入电容以及内部BST和INTV</span><span>CC</span><span>电容,以缩小解决方案尺寸。结合严格受控的开关边沿和集成接地层的内部结构,并用铜柱代替键合线,LT8645S的设计大大降低了EMI辐射。此外,其Silent Switcher 2设计还能在任何印刷电路板(PCB,包括2层PCB)上提供鲁棒的EMI性能。而且,与其他类似转换器相比,它对PCB布局的敏感度要低得多。这是因为,LT8645S的内部双路输入、BST和INTV</span><span>CC</span><span>电容将热环路面积减至最小,使性能达到新的水平。它仍然需要两个外部输入电容,但不再严格要求把这些电容放在尽可能靠近输入引脚的位置。结合内部电容(其使热环路面积最小),BT衬底的集成接地层使EMI性能显著提高(见图2)。多层BT衬底还使I/O引脚能够使用与QFN封装完全相同的图案,同时支持实现大型接地焊盘。这种层压式QFN (LQFN)封装比标准QFN更柔韧且更灵活,其焊点可靠性在板级温度循环期间表现出好得多的性能,使得客户在以前只能使用含铅器件的情况下可以使用LQFN。</span></p>

<p><span>在整个负载范围内,LT8645S可以轻松符合汽车CISPR25、Class 5峰值EMI限制。还可以使用扩频频率调制进一步降低EMI水平(图2)。LT8645S内置高效率顶部和底部功率开关,并将必要的升压二极管、振荡器以及控制和逻辑电路集成到单个芯片中。低纹波突发工作模式可在低输出电流下保持高效率,同时使输出纹波低于10 mV p-p。最后,LT8645S采用小尺寸散热增强型4 mm×6 mm、32引脚LQFN封装。</span></p>

<p><img alt="图2.LT8640S辐射EMI性能图" data-entity-type="file" data-entity-uuid="5ebdce8b-89c1-4724-aed9-0b9b54f3784c" src="http://new.eetrend.com/files/2021-03/wen_zhang_/100062939-125859-2.jpg&…; /></p>

<p><em>图2.LT8640S辐射EMI性能图</em></p>

<p><strong>结论</strong></p>

<p><span>ADAS在汽车和卡车市场中的推广不会很快结束。同样清楚的是,找到合适的功率转换器件以满足所有必要的性能指标,从而不干扰ADAS,不是一项简单的任务。幸运的是,此类汽车系统的设计人员现在可以获得ADI公司Silent Switcher 2 DC-DC转换器提供的强大性能和能力。这些器件不仅大大简化了电源设计人员的工作,同时还提供其所需要的全部性能,而不要求复杂的布局或设计技术。</span></p>