跳转到主要内容

【原创深度】新型光伏电池有益于能量收集

cathy /

<strong><font color="#FF0000">作者: Steven Keeping 贸泽电子</font> </strong>

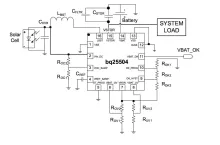
目前,在已安装的光伏电池中约有85%是由硅材料制造的,因为硅原料丰富并且适合把光能转化成电能。光伏电池可以采用IC行业首创的晶圆制造技术进行生产。但是,硅有很多缺点,包括约为33%的最大转换效率,大能耗高温处理以及易碎性。

<center><img src="http://mouser.eetrend.com/files/2017-12/wen_zhang_/100009379-31681-c1.j…; alt=“” width="600"></center>