跳转到主要内容

复杂电源系统中的明星:数字化多路电源模块将即将崭露头角

winniewei /

近几年来,板级电源模块产品呈现爆炸式发展态势,其集成度高、体积紧凑的优点,吸引了越来越多的终端客户选择。而越来越多的应用类型、越来越复杂的使用场景,也对电源模块产品提出了更高的挑战。

如何简化FPGA电源系统管理?方法给你~

cathy /

现场可编程门阵列(FPGA)的起源可以追溯到20世纪80年代,从可编程逻辑器件(PLD)演变而来。自此之后,FPGA资源、速度和效率都得到快速改善,使FPGA成为广泛的计算和处理应用的首选解决方案,特别是当产量不足以证明专用集成电路(ASIC)的开发成本合理有效时。

FPGA取得快速发展,并广泛用于大规模部署。例如,继2013年试点项目中使用FPGA成功加快Bing搜索引擎的速度之后, Microsoft® 将配备FPGA的服务器使用范围扩展到云数据中心。

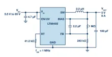
<strong>FPGA电源系统要求</strong>

FPGA需要几个不同的低压供电轨,每个供电轨都有自己的电压和电流规格,以便为其内核逻辑、I/O电路、辅助逻辑、收发器和存储器供电。这些供电轨可能需要按特定的顺序开启和关闭,以避免损坏FPGA。负载点(POL)稳压器将电路板较高的输入电源电压降低为FPGA所需的多个输入电压。当功率转换效率至关重要时,开关稳压器可用作POL稳压器,而线性稳压器(例如低压差(LDO) 稳压器)则用于噪声敏感型电路,例如PLL和收发器。

新增4种方法进一步提升电源使用技巧

cathy /

当今的设计对其电源系统提出了更高的要求。您可能会发现,很多的设计问题是由电源系统引起的。本文将介绍四种技巧来进一步提升您的电源使用技能。

<center><img src="http://mouser.eetrend.com/files/2019-12/wen_zhang_/100046722-87353-1.pn…; alt=“” width="600"></center>

<strong>技巧1:为低功耗设备供电</strong>

很多设备都是为使用低电压、低电流而设计的。如果功率过高,这些低功率设备很容易受到损坏。避免电源损坏的最佳方法是使用专为低功率应用而设计的电源。

自动驾驶汽车—— 电源系统能胜任吗?

cathy /

<strong><font color="#FF0000">Tony Armstrong 电源产品营销总监ADI公司</font> </strong>

我们准备好迎接自动驾驶汽车了吗?这是我最近一直在问自己的问题,也许您也有同样的疑问!当然,就我而言,自从我十几岁的女儿开始学开车以来,我多少有点出于自身利益的考虑。在她上完第一节课后,我问她怎么样,她的回答让我有点惊讶。看起来驾车本身并不怎么让她担心,反而是她周围的驾车者令她不安。她抱怨他们总是太靠近她的后保险杠,他们从来不使用转向信号指示灯,而且他们为了变道出去,会出其不意地在她车前切进来。这些抱怨很合理,以我自己在北加利福尼亚州道路上的经历,我感同身受。

这让我想到了自动驾驶汽车,它们不需要一个人类驾驶员坐在方向盘后面(当然,也许会有一个,但并不是从传统的角度实际使用操控机制)。与之相反,相当于人类驾驶员的微型计算机主机运行大量的计算机代码,与车辆内外各种不同的传感器阵列相连。它们连接至云,并可以完全实时模拟车辆周围的外部环境,从而根据当前四周的交通情况预期需要采取的行动。无论气候、环境和交通条件的范围和状况如何,这些操作都会正常执行。

GaN Systems IMS评估平台在贸泽开售,助力高效电源系统开发

cathy /

<p>专注于新产品引入 (NPI) 并提供极丰富产品类型的业界顶级半导体和电子元件分销商贸泽电子 (<a href="https://www.mouser.cn/?utm_source=pressrelease&amp;utm_medium=pr&amp;ut… Electronics</a>) 即日起开始供货<a href="https://www.mouser.com/gan-systems/?utm

电源系统