本次实验目的是使用USART+LCD 资源,实现AC 220V功率计。通过USART 读取外部功率计量芯片的数据,经过单片机的计算变换为功率,显示在LCD上。另外提供UART2 进行串口打印数据,进行调试状态显示。
使用市场成熟的功率检测
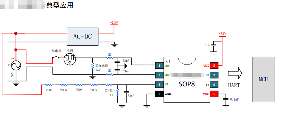
使用市场成熟的功率检测IC方案,通过USART连接到单片机:
功率检测硬件参考:

具体软件修改内容如下:
1. 对单片机硬件初始化,先开启USART


串口选择了IO,与波特率,其他不修改。

2. 开启LCD

LCD初始化做了少量修改, 具体LCD显示原理与控制方法参考上一篇博客(0-9 LCD循环显示)。

3. 在main大循环里,每隔600ms 读一次功率,并且打印(Read_PwMeter)信息

在收到功率IC返回的数据后,进行处理:

LCD显示数据填装处理:

通过单片机打印信息到PC,观察程序的运行情况:

实验效果:标准的功率设备显示24.0W, APT 功率显示242 (24.2W), 使用笔记本电源作为负载:
