作者:蒋修国 ,来源:信号完整性微信公众号
编者注:到底是用紧耦合好还是松耦合好,之前也有研究过一些东西,后来无疾而终。其实这是一个比较难回答的问题,首先,紧耦合和松耦合的定义就不是非常的明确;其次,松耦合和紧耦合的可选择性不强,因为现在大多数的产品空间都比较受限制。所以本文纯粹是通过一个实验从信号完整性方面来做一个验证。欢迎大家一起讨论。
对于当前越来越多的高速信号设计而言,高速传输线基本上都是差分对(DDR5 数据线还是单端的)。差分对设计的好处就是正端和负端是幅值大小相等,方向相反的进行传递,当外界对其有干扰时,正负相互抵消所以抗干扰能力比较强,另外共模噪声比较小,向外辐射的能量也少。
在高速电路的设计中,往往对传输线的阻抗有明确的要求,比如要求为100ohm,对于差分对而言,影响阻抗的因素很多,包括传输线的线宽、线间距、材料的介电常数、传输线到参考层的距离、传输线导体的厚度,下图是ADSCILD的计算阻抗的示意图,红色圈圈出来的参数都会影响到阻抗:

所以如果只是为了保证阻抗,设计的方式有很多种。传输线间距宽和窄就是大家非常常见的一种设计状况。

从上述两组值中可以看出来,后一组可以认为是紧耦合,前一组为松耦合。下面从无源和有源两个方向进行对比,即对比插入损耗和眼宽、眼高。
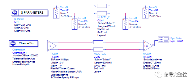
在ADS中搭建原理图如下图所示:

传输线的长度为6inch,分别针对两组值进行仿真,获得的仿真结果,如下图所示为插入损耗的对比结果:

从上图中可以看到插入损耗在低频的时候,耦合的比较紧的时候稍微大一点,在超过5GHz之后,耦合的比较紧的时候损耗小一点。
下图为两种情况眼图的对比:

从上图中可以看到,松耦合的眼宽和眼高都比紧耦合大一点点,眼高大15mv,眼宽大0.5ps。
综上所述,松耦合的损耗在低频时(5GHz)稍微小一些,在高频时(超过5GHz)大一些,但是都只相差一点点;眼图虽然松耦合会好一点,但是相差也不大,松耦合的眼高大了15mV。理论上来讲,为了保证阻抗一致性,在紧耦合时,线宽必然会细一些,在松耦合时线宽宽一点。在紧耦合时,随着速率越高,趋肤效应越大,损耗也就会越大。
当然,以上只是从实验上获得的一些表象结果,也仅仅是从信号完整性的角度来分析的。如果要进一步的研究紧耦合和松耦合,可以考虑从多方面进行验证和研究,比如保证线宽不变,改变介电常数,使线间距变化,研究结果的变化,或者再增加辐射的验证等等。









