作者:肖淼淼,来源:英飞凌工业半导体
摘要
本文介绍了工业应用辅助电源解决方案,包括两级式辅助电源架构和各种拓扑结构。第一级辅助电源通常使用反激拓扑,英飞凌的1700V CoolSiC™ SiC MOSFET可以帮助客户简化设计。第二级辅助电源可以使用LLC、推挽式或全桥式拓扑,英飞凌的2EP1XXR系列驱动IC可以提供简单灵活的解决方案。
在一些工业应用如电机驱动系统、光伏逆变器或MMC模块化多电平换流器等都需要用到辅助电源,常采用的辅助电源架构为两级式,又称为半分布式电源架构,其中第一级为了兼容更多系统应用,需要支持宽范围电压输入,如从高压直流侧取电,600V~1000V的输入电压经一级辅助电源后转换为低压稳压轨,一般一级输出电压为5V、24V或15V,为控制器、传感器或者风扇等供电。对于几十kW及其以下的单相系统或者三相系统,一级辅助电源的总输出功率一般要求在100W以内;第二级架构为栅极驱动器提供隔离偏置电源,驱动SiC,IGBT和GaN等功率器件。因第二级输入电压为前级生成的稳压轨,在对输出电压精度要求没那么严格时也可使用开环控制运行。在整个系统应用中,英飞凌可以为辅助电源应用提供全套低功耗、高性能和灵活兼具的方案。

图1.使用两级式架构的辅助电源
对于第一级辅助电源:
一般使用反激拓扑实现。单开关反激式拓扑因结构简单,元器件较少,在宽范围输入下具有高效率,多负载下调整率较好,能以较低成本实现不错的性能而备受青睐。下图2是一个反激式拓扑的简化示意图,该拓扑仅使用一个开关来控制流经初级绕组的电流,当开关管导通时,输入电流流入磁化电感,能量暂时存储在磁芯中,副边整流二极管截止,输出电压仅由输出电容放电维持;当开关管断开时,绕组的极性发生反转,磁芯中存储的能量以电流的形式释放,经整流后为负载和输出电容提供能量。
反激式拓扑功率不能做得太大,因为在能量传递中,磁化电感只是一个临时的储能元件,副边在续流中会产生较大的峰值电流,所以在大功率场合应用会影响效率。

图2.反激式拓扑
当初级开关管断开时承受的总的电压应力主要由三个方面组成:第一是输入电压,第二是储存的能量通过变压器输送到负载时,初级线圈上将感应出反射电压Vrefl,Vrefl的幅值由输出电压和匝比决定;第三是电压尖峰Vspike,这是由一次绕组的漏电感中存储的能量造成的。对于一个DC 600~1000V的系统而言,Vrefl常在100~150V左右,Vspike在200V左右,在最高输入条件下开关管的最高耐压最少需要达到1350V左右,为了保证系统安全运行,需要留有一定的电压裕量,因此至少需要额定电压在1500V及以上的开关器件,或采用双管反激变换器,用两只开关管代替单管,并在电路中采用钳位二极管,把每个开关管上的峰值电压应力钳位至输入电压,这样就可以选择相对应力较低的器件。但同时器件的数量和成本也相应增加,且需要额外的高边侧隔离驱动电路,使整体设计变得更为复杂。

图3.反激式变换器的开关节点电压
SiC MOSFET技术的一个重要价值是使得1200V以上有了性能优秀的高速开关器件,英飞凌针对反激式辅助电源应用,提供1700V 450mΩ/650mΩ/1000mΩ三种规格的CoolSiC™ SiC MOSFET可以帮助客户简化设计,采用单管反激拓扑即可实现电压转换,多种规格以满足不同功率段的应用要求(详细产品信息可点击:新品 | 采用D2PAK-7L封装的1700V CoolSiC™ MOSFET,辅助电源的理想搭档)。
作为一款辅助电源应用的主推产品,它不但提升了电气间隙和爬电距离,还可以通过控制器直接驱动,无需驱动电路,封装兼具D2PAK-7L和TO-247-3HCC两种,产品的详细信息可参考往期文章:新品 | 可直接驱动的单端反激式辅助电源用 1700V CoolSiC™ MOSFET。

图4 .1700V CoolSiC™ MOSFET的型号与对应功率段推荐
感兴趣的用户还可去英飞凌官网申请“REF_62W_FLY_1700V_SiC”参考板,该参考板旨在支持客户为三相系统设计辅助电源,工作电压范围在200VDC至1000VDC,具有三种电压输出:+15V、-15V和+24V,最大输出功率高达62.5W。

对于第二级辅助电源:
输入电压为前级输出的低压稳压轨,输出功率相对较低,当对输出电压精度要求>1%时,可选择无光耦合器的拓扑设计以降低复杂性并能提供可靠性保障,常见的开环隔离拓扑如下文所示。
LLC式拓扑
LLC谐振变换器作为一种在大功率应用常见的串并联谐振变换器,兼具串联和并联谐振变换器的优点,可以利用变压器漏感参与谐振以实现全程软开关特性,EMI低,适用于对效率、功率密度要求较高的场合。与反激、推挽等非谐振式变换器相比,LLC谐振变换器对变压器的设计较友好,对原副边耦合度要求较低,可以使用高隔离电压和低匝间电容兼具的变压器,因此在小功率隔离电源中也能见到LLC变换器的身影。
下图5是一个常见的半桥LLC拓扑的简化示意图,严谨的说,应该是非对称半桥LLC,根据谐振电容位置的不同,半桥LLC拓扑还可以演化成分裂电容对称半桥LLC(图6),也即将谐振电容一分为二成两个等量的电容串联,使得两个谐振支路处于对称状态。和非对称半桥LLC拓扑相比,分裂电容对称半桥LLC由两个谐振电容串联后并联在输入侧,两个谐振电容电压之和为输入电压,故每个谐振电容上仍有Vin/2的直流偏置电压,但流过谐振电容的电流为谐振腔电流的一半,纹波电流更小,谐振电容的选型有更多的选择。

推挽式拓扑
下图是一个半桥推挽式拓扑的简化示意图,所谓推挽,即开关管交替推动电流,利用中心抽头变压器来形成相位相反的交流电压。当其中一个开关管导通时,从源流经变压器中心抽头的电流逐渐上升,副边感应电压经整流后为输出负载供电;当另外一个开关管导通时工作同理,但对应另一半绕组上电压相位相反。两个开关管交替开通,且开关管均属于低边侧,参考点同为电源地,在驱动控制上相对简单,变压器工作在双向励磁状态,故而不另需要复位电路,电路设计也得到简化。

值得注意是,当S1导通时,N1绕组上承载的电压为全部输入电压,这个电压会同时耦合到N1’绕组上,因此S2在关断期间承受的峰值电压实为两倍输入电压,所以推挽电路一般用在低压输入的中小功率场合。除此之外,如果不是对称交替开关,也即两个开关管导通时间不一致,在各自导通时间内内励磁电流将不正负对称,进而导致交替开关后磁芯不能完全复位,交变磁通量中包含直流偏磁分量,可能会导致磁路饱和。为了避免偏磁,在使用推挽式拓扑时尽量使用一对一致性较好的开关管,变压器设计时还可留有适当气隙,增大饱和磁通量。
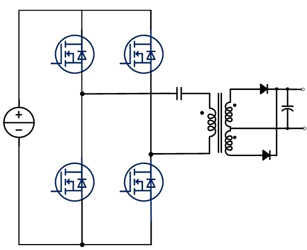
全桥式拓扑
相较于半桥推挽式拓扑,全桥式拓扑的开关器件数量增加了一倍,但原边绕组数量和开关管的耐压仅为推挽结构的一半。两路桥臂中同一桥臂上下两开关管呈交替导通,两桥臂间互为对角的两个开关管则同时导通,开关管关断时承受的电压则为全部输入电压。变压器绕组跨接在两路桥臂中点,加载在绕组上的电压经交替开关后变成了交流电压,实现双向励磁,对磁芯的利用率较高。
全桥拓扑和推挽式拓扑共同面临的一个问题就是变压器绕组在被交替开关驱动时,必须是对称的驱动,否则也会有偏磁的问题。如若导通时间不对称,则加载在绕组上伏秒积在相应的导通时间内就不相等,磁芯的磁化曲线也会越来越偏离原点。好在全桥式拓扑变压器结构简单,没有中心抽头,在变压器初级绕组上串联一个隔直电容就能避免偏磁,简单而有效。

图9.带有隔直电容的全桥式变换器
关于全桥式变压器驱动器,英飞凌的2EP1XXR系列是一款频率和占空比可调的全桥变压器驱动器,为搭建最高13W的隔离电源提供简单灵活的解决方案,器件支持4.5~20V的宽范围直流电压供电,支持占空比调节,可满足不同隔离输出电压的需求,并集成温度、短路和UVLO保护功能,有助于提高系统的可靠性,且驱动器内部集成功率全桥,占用空间小,仅需要变压器即可完成设计,大幅降低隔离DC/DC电源的设计复杂性,在复杂的环境中保障系统的安全于稳定运行。详细产品信息可参考:新品 | 2EP1xxR - 频率和占空比可调的驱动电源用20V全桥变压器驱动器

基于2EP1XXR系列驱动IC,现在还提供多款评估板可供申领使用,无论是从事太阳能、电动汽车充电还是储能系统等应用,都可选择这款评估版作为新颖驱动电源设计,升级驱动设计,减小PCB面积,降低成本,新品 | 频率和占空比可调的驱动电源用全桥变压器驱动器评估板。

结语
在设计一款隔离式电源时,硬件复杂性和噪声耦合是避不开的问题,尤其是在在中低功率水平下,成本、尺寸和效率收益都会影响一个设计方案最终的选择。在大多数使用反激、推挽或全桥拓扑的场合,都要考虑变压器漏感带来的EMI和器件开关应力问题,而为了降低漏感又常将绕线紧密耦合甚至绕组交错,这又使得初次级间的寄生电容增大,故而不得不在变压器设计上投入更高成本。LLC拓扑可以把变压器的漏感作为谐振的一部分,漏感能量不会浪费在初级对器件造成额外的开关应力,对EMI友好,但是PFM控制复杂,需要昂贵的专用控制芯片。因此,无论是使用哪种拓扑,除了兼具性能和灵活性,综合成本也是主要考虑因素。