
共模半导体正式发布其最新产品:负压LDO系列,包含GM1206、GM1402、GM14021等多款产品。该负压 LDO 是专为高性能模拟和混合信号电路设计的低噪声线性稳压电源。该系列产品以其超低噪声、高精度和宽输入电压范围,成为精密测量电源系统、通信基础设施、医疗设备等领域的理想选择。
1. 产品介绍
该系列产品是一款微功率、低噪声、低压差负调压器。低静态电流(30 µA 工作和3 µA 关机)使该系列产品成为精密测量电源系统的最佳选择,并且静态电流在低压差工况下得到了很好的控制。
该系列产品其他特点包括低输出噪声。在 10Hz 至 100kHz 的带宽内,输出噪声降低至 10 µVRMS,因而特别适合给高性能模拟和混合信号电路供电。该系列产品能够支持小电容工作,并且在小输出电容值的情况下与其他线性稳压电源一样稳定工作。支持小型陶瓷电容器,无需额外增加 ESR。内部保护电路包括电流限制和热限制。该系列产品采用多类型封装结构,以灵活实现多种应用。
型号 | 输出电流 | 低压差电压 | 固定电压 |
GM1206 | 200mA | 88mV | -2.5V, -5V |
GM1402 | 200mA | 88mV | -5V, -3.3V, -2.5V, -1.8V |
GM14021 | 500mA | 240mV | -5V, -3.3V, -2.5V, -1.8V |
2. 产品特性
超低 RMS 噪声:10µVRMS
宽输入电压范围:-2.5V 至 -45V
输出电压范围:-1.186V 至 -45V + VDO
±1% 初始精度
3µA 关断电流
30µA 静态地电流
最小输出电容:2.2µF (陶瓷)
限流和过温保护
结温范围 -55°C 至 +125°C
3. 产品应用
低噪声放大器
超低噪声仪表
精密测量电源系统
功放、ADC 和 DAC
通信和基础设施
医疗和保健

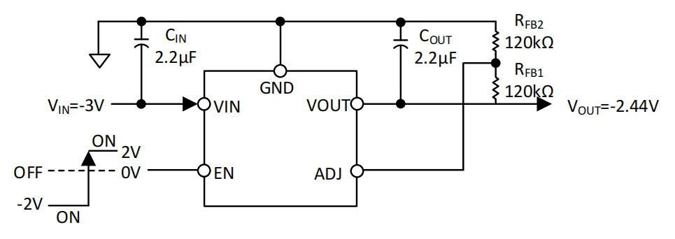
典型应用框图
4. 产品优势
该系列产品采用了先进的低压差线性稳压器(LDO)技术,能够在宽输入电压范围内提供稳定的输出电压。其内部保护电路包括电流限制和热限制,确保设备在过载或高温环境下仍能安全运行。此外,该系列产品支持小电容工作,仅需 2.2µF 的陶瓷电容即可稳定工作,无需额外增加 ESR,进一步简化了电路设计。
该系列产品具有多项突出特性,使其在同类产品中脱颖而出。超低RMS噪声,在 10Hz 至 100kHz 的带宽内,输出噪声低至 10µVRMS,使其成为为高性能模拟和混合信号电路供电的理想选择,可有效减少电路中的噪声干扰,提升信号处理的精度和稳定性。
宽输入电压范围,无论是在常规供电还是特殊电压需求的场景下,都能灵活适配,适应不同电路设计。初始精度达到±1%,确保输出电压的稳定性。工作状态下静态电流仅为 30µA,关断电流低至 3µA,极大地延长了电池供电设备的续航时间,是电池供电应用的最佳选择之一。低压差电压,意味着在降压过程中能量损耗更低,电源转换效率更高。
此外,该系列产品还有多重保护机制,内置限流和过温保护,可防止因功耗过大而导致器件受损,确保设备在异常情况下安全运行。
GM1402 可以完美替代ADP7182, TPS7A30, LT1964等主流厂商负压 LDO,噪声和 PSRR 更是得到了进一步优化。
型号 | 噪声 | PSRR(10kHz) |
GM1402 | 10 µVRMS | 72dB |
ADP7182 | 18 µVRMS | 66dB |
TPS7A30 | 15.1 µVRMS | 60dB |
LT1964 | 30 µVRMS | 21dB |
5. 对标产品
产品型号 | 替代产品 |
GM1206 | TPS723 |
GM1402 | ADP7182, TPS7A30, LT1964, TPS7A34,MAX1735, SGM2209 |
GM14021 | ADP7183, ADP7185, LT1175 |
6. 订购指南
型号 | 温度范围 | 封装描述 |
GM1206AUJZ-R7 | -40℃至+125℃ | SOT-23 |
GM1206AUJZ-2.5-R7 | −40°C至+125°C | SOT-23 |
GM1402ACPZ-R7 | −40°C至+125°C | DFN-8 |
GM1402AUJZ-R7 | −40°C至+125°C | SOT-23 |
GM1402AUJZ-5.0-R7 | −40°C至+125°C | SOT-23 |
GM1402ARHZ-R7 | −40°C至+125°C | MSOP-8 |
GM1402MRHZ-R7 | −55°C至+125°C | MSOP-8 |
GM14021ACPZ-R7 | −40°C至+125°C | DFN-8 |
GM14021ACPZ-5.0-R7 | −40°C至+125°C | DFN-8 |
GM14021AUJZ-R7 | −40°C至+125°C | SOT-23 |
负压 LDO 系列产品的发布标志着共模半导体在低噪声电源领域的技术突破。其超低噪声、高精度和宽输入电压范围,使其成为高性能模拟电路设计的首选电源解决方案。无论是精密测量电源系统、通信设备还是医疗仪器,该系列产品都能提供稳定、可靠的电源支持,助力客户实现更高效、更精准的电路设计,为电子行业的发展提供强有力的支持,推动相关行业的技术进步和产品创新。
关于共模半导体
共模半导体是一家专注于高可靠高性能模拟芯片研发和销售的高新技术企业,产品涵盖了工业、通信、医疗、汽车和新能源等应用领域,通过聚焦于微弱信号探测与处理领域的创新技术,提供业界领先的高性能电源与高精度信号链系统的芯片及解决方案。
未来,公司将延续在高性能模拟芯片领域的优势,凭借深厚的技术积累,实现“中国顶尖的全国产高性能模拟集成电路供应商”的企业愿景。
来源:共模半导体