电机控制器作为动力调节和运动控制的核心模块,广泛应用在工业自动化、新能源汽车、机器人、无人机等领域。在科技持续革新的推动下,电机驱动与控制技术正经历多维突破,其核心器件电机驱动IC正加速向高效率、高集成、智能化方向演进。
面向电机市场用户需求,极海持续拓展电机专用芯片产品阵容,致力于为用户提供多元化产品选择。为满足用户在系统设计上的多样化需求,极海正式推出 GHD1620T 600V电机专用栅极驱动器及首款GHP500N05智能功率模块IPM新品。
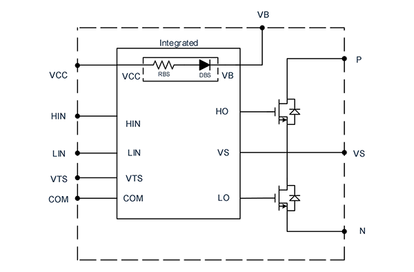
GHD1620T——600V双N沟道单相电机专用栅极驱动器
GHD1620T内部集成低压差自举二极管,可为高侧电路提供足够的电压驱动开关;同时内置温度传感器输出,实现温度补偿和自适应控制,优化电机控制能效;支持宽电压范围10V~20V,提供3.3V/5V逻辑输入兼容,悬浮偏移电压+600V,适用于各种直流无刷/有刷电机应用方案。

GHD1620T芯片框图
该系列产品内置多重保护功能,如VCC/VBS欠压保护、过温保护、直通防止功能以及内置400ns死区时间,可有效保护功率器件稳定运行。
内嵌输入/输出下拉电阻,提供稳定的驱动能力;具备高低侧通道匹配和输出/输入同相,简化控制逻辑,有效提升电机效率;峰值输出电流45mA@15V,1nF负载上升时间550ns;峰值输入电流230mA@15V,1nF负载下降时间70ns,有效降低功率器件开关损耗。
GHP500N05——500V/5A高性能MOSFET半桥电机IPM
极海推出的首款智能功率模块GHP500N05,集成600V耐压栅极驱动器及500V /5A高性能快恢复MOSFET,内置自举二极管、温度传感器输出以及具备多重保护功能,实现驱动+MOSFET一体化,简化外围电路设计,提升系统效率。

GHP500N05芯片框图
GHP500N05支持电源电压工作范围10V~20V,3.3V/5V逻辑输入兼容,实现与不同逻辑电平电路工作;内置直通防止功能和400ns死区时间,防止直通触发短路,提升电路安全性与稳定性;具备50V/ns的dvs/dt抗干扰度,VS引脚逻辑运行电压-11V,逻辑输入负电压容差-11V,确保模块在电压快速变化时仍能正常工作。
应用场景

产品均可应用于:高压吊扇、高速风筒、油烟机、高压水泵等场景。
极海具备完善的电机生态系统,配备工具链、多场景DEMO以及快速响应的技术支持服务,为客户提供一站式开发体验,助力客户缩短产品上市周期。极海还将持续为电机应用市场推出高效率、低功耗、小型化、集成化的产品及解决方案,以满足客户在工业控制、新能源汽车、智能机器人、智能家电等领域深度开发需求。
● GHD1620T芯片工作温度范围为-40℃~105℃,提供SOP8封装
● GHP500N05芯片工作温度范围为-40℃~105℃,提供ESOP9封装
来源:极海半导体
免责声明:本文为转载文章,转载此文目的在于传递更多信息,版权归原作者所有。本文所用视频、图片、文字如涉及作品版权问题,请联系小编进行处理(联系邮箱:cathy@eetrend.com)。