跳转到主要内容

开关电源的PCB布线设计技巧——“降低EMI”

cathy /

开关电源PCB排版是开发电源产品中的一个重要过程。许多情况下,一个在纸上设计得非常完美的电源可能在初次调试时无法正常工作,原因是该电源的PCB排版存在着许多问题。

<strong>引言 </strong>

为了适应电子产品飞快的更新换代节奏,产品设计工程师更倾向于选择在市场上很容易采购到的AC/DC适配器,并把多组直流电源直接安装在系统的线路板上。由于开关电源产生的电磁干扰会影响到其电子产品的正常工作,正确的电源PCB排版就变得非常重要。开关电源PCB排版与数字电路PCB排版完全不一样。在数字电路排版中,许多数字芯片可以通过PCB软件来自动排列,且芯片之间的连接线可以通过PCB软件来自动连接。用自动排版方式排出的开关电源肯定无法正常工作。所以,设计人员需要对开关电源PCB排版基本规则和开关电源工作原理有一定的了解。

<strong>1、开关电源PCB排版基本要点</strong>

<strong><font color="red">1.1 电容高频滤波特性</font> </strong>

一文揭穿EMI屏蔽背后的真面目

cathy /

噪声和辐射是电子工程师所研究的主要对象,也就是我们口中所说EMI的电磁屏蔽,究竟EMI屏蔽背后隐藏这怎样的真面目?

<strong>干扰辐射的来源</strong>

麦克斯韦方程显示,每当电流经流导体时,都会产生磁场,而磁场将会产生电场。电场和磁场的辐射特性被称之为辐射发射。这些辐射发射将会在电路或整个印刷电路板(PCB)中引发一些问题。在理想电路之中,电路本身发射的信号只包括电流和电压,而在现实世界中,噪音是绕不开的问题。当电路信号受到任何干扰时,就会发生这种情况。

由于电磁信号的性质,并不能避免噪声的存在,但是可以大大降低其影响。需要注意的是,设备在运行时不会受到其他设备的影响,正如设备不会受到其他设备影响一样,电磁敏感性是电路系统受到干扰仍然保持正常工作的能力。这种敏感性将取决于施加的噪声水平,而不同的应用诸如车载、医疗、军事等领域,拥有不同的程度磁化率。每个电路、设备或系统都必须经过适当的设计,尽可能减少辐射水平,来达到只对高水平的电磁场敏感。

<strong>EMC认证</strong>

关于PCB设计,需要知道的几个EMI指南

cathy 提交于

下文是硬件工程师在PCB设计早期容易忽略,却很有用的几个EMI设计指南,这些指南也在一些权威书刊中常常被提到。

<center><img src="http://mouser.eetrend.com/files/2020-11/博客/100058722-112203-1.png&quot; alt=“” width="600"></center>

<strong>设计指南1 :最小化电源和高频信号的电流环路面积</strong>

TUV莱茵获官方授权提供HDMI 3类线缆组件电磁干扰测试服务

winniewei /

近日,德国莱茵TUV大中华区(以下简称“TUV莱茵”)深圳物联网技术评估中心电磁兼容(EMC)实验室通过了HDMI协会技术专家的远程视频审核,获得正式授权提供HDMI®3类线缆组件电磁干扰(EMI)测试服务,是中国大陆地区目前仅有的两家授权实验室之一。

全新Cadence Clarity 3D瞬态求解器将系统级EMI仿真速度最高提升10倍

winniewei /

楷登电子(美国 Cadence 公司,NASDAQ:CDNS)今日发布Cadence® Clarity™ 3D瞬态求解器,进一步扩展了其系统分析产品线。该产品是一款系统级仿真解决方案,将电磁干扰(EMI)设计的仿真速度较传统3D场求解器提升高达10倍,且具备近乎无限制的仿真能力。

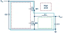
原创深度:减轻开关应用中的瞬变和EMI噪声

cathy /

<strong><font color="#004a85">作者: Mark Patrick</font> </strong>

设计电源是一件复杂的事情。如今,电能的来源多种多样,我们也越来越不能忽视对这些宝贵能源进行有效的管理。线路供电、太阳能供电、电池供电、以太网供电以及能量收集技术,都是我们可以利用的电能来源。受电负载不仅提出了必要的电压和电流标准,其所采用的半导体也变得越来越敏感,为此电源就要满足特定的规格,其要求不仅限于严格的纹波容限,还需要能够减轻大幅度迅速变化的负载条件导致的影响,同时又不在电源轨上引入瞬变并产生过多的EMI。例如,机器学习领域的许多计算密集型应用中使用的FPGA的电流可以在几微秒内从几安培升至50A以上。

<strong>减轻瞬变和EMI的技术</strong>

电磁兼容中EMI骚扰源特征

cathy 提交于

电磁兼容试验中的重要内容就是骚扰发射试验。因此,控制骚扰发射是一项重要的设计内容。为了控制骚扰发射,首先要找到骚扰源,然后采取措施消除它,或者截断它发射骚扰能量的路径。

<strong>EMI骚扰源有啥特征呢?</strong>

以往广泛流传的是:高电压,大电流就是骚扰源。这种说法其实很片面。单纯的一个很高的电压,或者一个很大的电流,并不一定会对其它设备产生干扰。

<center><img src="http://mouser.eetrend.com/files/2020-06/博客/100050171-101120-1.png&quot; alt=“” width="600"></center>

产生干扰的重要条件是:变化的电压或者电流,即du/dt≠0,或者di/dt≠0。

所以,那些包含电压,电流剧烈变化的电路就是我们需要关注的骚扰源。

如何解决多层PCB设计时的EMI?

cathy /

解决EMI问题的办法很多,现代的EMI抑制方法包括:利用EMI抑制涂层、选用合适的EMI抑制零配件和EMI仿真设计等。本文从最基本的PCB布板出发,讨论PCB分层堆叠在控制EMI辐射中的作用和设计技巧。

<strong>电源汇流排</strong>

在IC的电源引脚附近合理地安置适当容量的电容,可使IC输出电压的跳变来得更快。然而,问题并非到此为止。由于电容呈有限频率响应的特性,这使得电容无法在全频带上生成干净地驱动IC输出所需要的谐波功率。除此之外,电源汇流排上形成的瞬态电压在去耦路径的电感两端会形成电压降,这些瞬态电压就是主要的共模EMI干扰源。我们应该怎么解决这些问题?

就我们电路板上的IC而言,IC周围的电源层可以看成是优良的高频电容器,它可以收集为干净输出提供高频能量的分立电容器所泄漏的那部份能量。此外,优良的电源层的电感要小,从而电感所合成的瞬态信号也小,进而降低共模EMI。

当然,电源层到IC电源引脚的连线必须尽可能短,因为数位信号的上升沿越来越快,最好是直接连到IC电源引脚所在的焊盘上,这要另外讨论。