跳转到主要内容

巧用磁珠和电感各自优势,解决EMI和EMC超简单~

cathy 提交于

磁珠和电感在解决EMI和EMC方面的作用有什么区别,各有什么特点,是不是使用磁珠的效果会更好一点呢?

磁珠专用于抑制信号线、电源线上的高频噪声和尖峰干扰,还具有吸收静电脉冲的能力。磁珠是用来吸收超高频信号,象一些RF电路,PLL,振荡电路,含超高频存储器电路(DDRSDRAM,RAMBUS等)都需要在电源输入部分加磁珠,而电感是一种蓄能元件,用在LC振荡电路,中低频的滤波电路等,其应用频率范围很少超过50MHZ. 磁珠有很高的电阻率和磁导率,等效于电阻和电感串联,但电阻值和电感值都随频率变化。

磁珠的功能主要是消除存在于传输线结构(电路)中的RF噪声,RF能量是叠加在直流传输电平上的交流正弦波成分,直流成分是需要的有用信号,而射频RF能量却是无用的电磁干扰沿着线路传输和辐射(EMI)。要消除这些不需要的信号能量,使用片式磁珠扮演高频电阻的角色(衰减器),该器件允许直流信号通过,而滤除交流信号。通常高频信号为30MHz以上,然而,低频信号也会受到片式磁珠的影响。磁珠有很高的电阻率和磁导率,他等效于电阻和电感串联,但电阻值和电感值都随频率变化。他比普通的电感有更好的高频滤波特性,在高频时呈现阻性,所以能在相当宽的频率范围内保持较高的阻抗,从而提高调频滤波效果。

当低EMI电源遇上拥挤的电路板,你该怎么办?

cathy /

有限且不断缩小的电路板空间、紧张的设计周期以及严格的电磁干扰(EMI)规范(例如CISPR 32和CISPR 25)这些限制因素,都导致获得具有高效率和良好热性能电源的难度很大。在整个设计周期中,电源设计通常基本处于设计过程的最后阶段,设计人员需要努力将复杂的电源挤进更紧凑的空间,这使问题变得更加复杂,非常令人沮丧。为了按时完成设计,只能在性能方面做些让步,把问题丢给测试和验证环节去处理。简单、高性能和解决方案尺寸三个考虑因素通常相互冲突:只能优先考虑一两个,而放弃第三个,尤其当设计期限临近时。牺牲一些性能变得司空见惯,其实不应该是这样的。

本文首先概述了在复杂的电子系统中电源带来的严重问题:即EMI,通常简称为噪声。电源会产生EMI,必须加以解决,那么问题的根源是什么?通常有何缓解措施?本文介绍减少EMI的策略,提出了一种解决方案,能够减少EMI、保持效率,并将电源放入有限的解决方案空间中。

<strong>什么是EMI?</strong>

五张图看懂EMI电磁干扰的传播过程

cathy 提交于

电磁干扰是电子电路设计过程中最常见的问题,设计师们一直在寻找能够完全消除或降低电磁干扰,也就是EMI的方法。但想要完全的消除EMI的干扰,首先需要的就是了解EMI是什么,它的传播过程是怎样的,本文就将对EMI的传播过程进行一个大致的介绍。

EMI是电磁干扰的统称,但实际上电磁干扰分为两种,一种是传导干扰,另一种是辐射干扰。传导干扰主要是电子设备产生的干扰信号是通过导线或公共电源线进行传输,互相产生干扰。进一步细分,传导干扰又分共模干扰和差模干扰。

<strong>**EMI的传播过程 **</strong>

<center><img src="http://mouser.eetrend.com/files/2020-04/博客/100049076-96553-1.jpg&quot; alt=“” width="600"></center>

最会画板的人,一定懂这些技巧!

cathy 提交于

电子技术的发展变化必然给板级设计带来许多新问题和新挑战。首先,由于高密度引脚及引脚尺寸日趋物理极限,导致低的布通率;其次,由于系统时钟频率的提高,引起的时序及信号完整性问题;第三,工程师希望能在PC平台上用更好的工具完成复杂的高性能的设计。由此,我们不难看出,PCB板设计有以下三种趋势:-高速数字电路(即高时钟频率及快速边沿速率)的设计成为主流。

——产品小型化及高性能必须面对在同一块PCB板上由于混合信号设计技术(即数字、模拟及射频混合设计)所带来的分布效应问题。

设计难度的提高,导致传统的设计流程及设计方法,以及PC上的CAD工具很难胜任当前的技术挑战。以下介绍高速设计中使用的技巧。

<strong>一、高频电路布线技巧</strong>

1)高频电路往往集成度较高,布线密度大,采用多层板既是布线所必须的,也是降低干扰的有效手段。

2)高频电路器件管脚间的引线弯折越少越好。高频电路布线的引线最好采用全直线,需要转折,可用45°折线或圆弧转折,这种要求在低频电路中仅仅用于提高铜箔的固着强度,而在高频电路中,满足这一要求却可以减少高频信号对外的发射和相互间的耦合。

3)高频电路器件管脚的引线越短越好。

解决传导干扰八大绝招

cathy /

<strong>1、引言</strong>

电磁干扰EMI中电子设备产生的干扰信号是通过导线或公共电源线进行传输,互相产生干扰称为传导干扰。传导干扰给不少电子工程师带来困惑,如何解决传导干扰?找对方法,你会发现,传导干扰其实很容易解决,只要增加电源输入电路中EMC滤波器的阶数,并适当调整每阶滤波器的参数,基本上都能满足要求。

<strong>2、对策一</strong>

对策一:尽量减少每个回路的有效面积

<center><img src="http://mouser.eetrend.com/files/2020-04/wen_zhang_/100048535-94182-1.pn…; alt=“图1” ></center><center><i>图1</i></center>

DC/DC转换器的散热、EMI、封装应该如何平衡?

cathy 提交于

在当今这个竞争激烈的时代,产品设计人员面临的挑战是:不仅要紧跟同行步伐,而且要保持领先群雄的地位。这就对那些欲借助差异化产品进行创新的系统设计人员提出了更高的要求。

创新的一种重要方法是使用高密度设计。为推出占位面积更小的解决方案,电源系统设计人员现在正集中研究功率密度(一个功率转换器电路每单位面积或体积的输出功率)的问题。

高密度直流/直流(dcdc)转换器印刷电路板(pcb)布局最引人瞩目的范例涉及功率级组件的放置和布线。精心的布局可同时提高开关性能、降低组件温度并减少电磁干扰(EMI)信号。

请细看图1中的功率级布局和原理图。

无需重新设计电路板?三大提示助你显著改善降压转换器中的EMI!

cathy 提交于

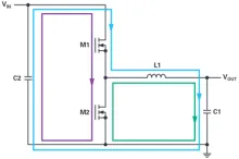
电磁干扰(EMI)始终对汽车电源终端设备构成挑战。随着轻度混合动力电动汽车(MHEV)解决方案的兴起,EMI变得更具挑战性,因为系统中的许多电子电路的电池电压从12 V变为48 V。

大多数设计汽车电路的工程师都了解如何通过滤波器设计、布局指南和管理功能(如扩频、倒装芯片封装等)来降低EMI。但是,有一些鲜为人知的提示可以显著改善降压转换器(和其他拓扑结构)中的EMI,且无需重新设计电路板。这些提示可能意味着可以在10分钟内通过EMI测试与需要旋转新电路板之间的区别。

<strong>提示1:旋转功率电感器</strong>

降压转换器使用电感 - 电容滤波器将开关波形(开关节点:V<sub>SW</sub>)转换为直流波形(输出电压:V<sub>OUT</sub>)。图1所示为降压电路的简化原理图。

EMI干扰源之电机原理分析

cathy /

<strong><font color="#004a85">作者:庄苏巧、官庚</font> </strong>

电磁干扰(EMI)是系统上的电磁噪声的辐射或感应。与大多数电磁电路组件一样,电机是EMI的常见来源。它们是潜在的噪声源,可以产生共模电流。EMI可能导致性能下降,数据损坏,或者如果足够强可能导致系统完全失效。而电机就是主要的干扰源之一,在电机工作的情况下,存在辐射和传导发射问题,干扰源分别来自磁源和电源。

<strong>1、有刷电机的工作原理</strong>

有刷电机是大家最早接触的一类电机,中学时物理课堂上介绍电动机也是以它为模型来展示的。有刷电机的主要结构就是定子+转子+电刷,通过旋转磁场获得转动力矩,从而输出动能。电刷与换向器不断接触摩擦,在转动中起到导电和换相作用。

EMI信号是如何产生的?

cathy /

电磁干扰(EMI)已经成为我们生活的一部分,要不要处理呢?许多人认为,电子解决方案的广泛应用是一件好事,因为它给我们的生活带来舒适、安全的享受,并把医疗服务带到我们的身边。但是,这些解决方案同时也产生了具有电子危害的EMI信号。

EMI信号的源头各种各样,其中包括我们身边常见的一些电子设备。小汽车、卡车和重型车辆本身就是EMI信号的产生器。问题在于,这些EMI源与敏感电子电路位于同—车辆内,会影响音频设备、自动门控制器以及其他设备。但这类存在于车辆中的EMI噪声是可以预见的。

然而,对于21世纪的人们无时不刻都在使用的手机来说,情况又如何呢?每一种电子设备都有其优缺点。今天,手机的使用,让我们可以在任何地点都能够方便地联系朋友、家人和商业伙伴。但是,手机也会产生EMI信号,而这还只是问题的开端。手机的发展已超出了其基本的功能,拥有了更多的智能电话功能。这种EMI噪声对于周围设备和电路的干扰是完全不可预知的。手机需要依靠高RF能量工作,所以即使达到了相关要求,也可能成为一个意外的EMI源,从而干扰周围敏感设备工作。

【工程师实战】一个晶振引发的EMI超标问题就这样解决了

cathy 提交于

<strong>一、问题描述:</strong>

某行车记录仪,测试的时候要加一个外接适配器,在机器上电运行测试时发现超标,具体频点是84MHZ、144MH、168MHZ,需要分析其辐射超标产生的原因,并给出相应的对策。辐射测试数据如下:

<center><img src="http://mouser.eetrend.com/files/2019-09/博客/100045374-81432-1.png&quot; alt=“” width="600"></center>

<strong>二、辐射源头分析:</strong>