跳转到主要内容

AC/DC连载(6):所谓正激式和所谓Buck(降压、非绝缘)方式

cathy /

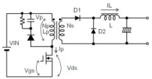
<strong>所谓正激式</strong>

正激方式是构造较简单,容易控制,非常普遍的方式之一。

其特征是输出功率比反激方式大,但必须加装电感和续流二极管(转流二极管:D2)。此外,和反激式相同,能利用光耦合器隔离二次侧的反馈,形成绝缘电源。

面向汽车信息娱乐系统及ADAS应用推出紧凑型同步整流Buck,提供行业最低EMI

cathy /

今日,Maxim宣布推出引脚兼容的MAX20073和MAX20074 buck转换器,帮助汽车电子设计者大幅降低EMI,同时提高效率。结构紧凑的转换器提供行业最低的EMI,适用于低压负载点电源设计,是汽车信息娱乐系统和ADAS应用的理想选择。

<center><img src="http://mouser.eetrend.com/files/2018-05/wen_zhang_/100011709-41449-max…; alt=“” width="600"></center>

汽车电子设计者正在为现代高端汽车增加越来越多的功能,需要使用高效、尺寸紧凑且满足甚至优于EMI规格要求的方案。随着汽车功能越来越多,电源轨的数量也随之增加。各路电源通过由汽车电池供电的前端buck转换器供电,往往具有严格的稳压精度要求。除了上述所有挑战之外,设计者还需要满足最严格的行业安全标准。