作者:ADI 公司 | Jellenie Rodriguez,应用工程师 Mary McCarthy,应用工程师
简介
本文讨论基于电阻温度检测器(RTD)的温度测量系统的历史和设计挑战。本文还涉及RTD选型和配置上的权衡。最后,本文详细介绍了RTD系统优化和评估。
RTD温度测量为什么很重要?
温度测量在很多不同的终端应用中发挥着重要作用,例如工业自动化、仪器仪表、状态监控(CbM)和医疗设备。不管监控环境条件或校正系统的漂移性能如何,高准确度和高精度都非常重要。有多种类型的温度传感器可以使用,例如热电偶、电阻温度检测器(RTD)、电子带隙传感器和热敏电阻。具体选择何种温度传感器及如何设计,取决于所测量的温度范围和所需的精度。对于-200°C至+850°C之间的温度,RTD可提供高精度和良好稳定性的出色特性组合。
温度测量的主要挑战有哪些?
挑战包括:
►电流和电压选择。RTD传感器是无源器件,不会自行产生电气输出。使用激励电流或电压来测量传感器的电阻,即让一个小电流经过传感器以产生电压。如何选择电流/电压?
►具体设计的最佳选择是2线式、3线式还是4线式?
►RTD信号应如何调理?
►如何调整上述变量,以便在规格范围内使用转换器或其他构建模块?
►在系统中连接多个RTD——如何连接传感器?不同传感器之间是否能共享一些模块?对系统整体性能有何影响?
►设计的预期误差是多少?
RTD选型指南
RTD概述
RTD传感器的阻值是以某种精确定义的方式随温度变化的函数。最广泛使用的RTD是铂Pt100和Pt1000,其提供2线、3线和4线配置。其他RTD类型由镍和铜制成。
表1.常见RTD类型
RTD类型 | 材料 | 范围 |
Pt100、Pt1000 | 铂(数字为0°C时的电阻) | -200°C至+850°C |
Pt200、Pt500 | 铂(数字为0°C时的电阻) | -200°C至+850°C |
Cu10、Cu100 | 铜(数字为0°C时的电阻) | -100°C至+260°C |
Ni120 | 镍(数字为0°C时的电阻) | -80°C至+260°C |
最常见的Pt100 RTD有两种形状:线绕和薄膜。每种类型都按照若干标准化曲线和容差构建。最常见的标准化曲线是DIN曲线。DIN代表“Deutsches Institut für Normung”,意思是“德国标准化研究所”。曲线定义了铂100Ω传感器的阻值与温度的关系、标准化容差和工作温度范围。其定义的RTD精度从0°C时100Ω的基本电阻开始。DIN RTD有不同的标准容差分类。这些容差显示在表2中,它们也适用于低功耗应用中使用的Pt1000 RTD。
表2.RTD精度—A类、B类、1/3 DIN
传感器类型 | 50°C容差 | 100°C容差 | ||
Pt100 RTD 薄膜电阻 | B类 | ±0.30°C | ±0.55°C | ±0.80°C |
Pt100 RTD 薄膜电阻 | A类 | ±0.15°C | ±0.25°C | ±0.35°C |
Pt100 RTD 线绕/薄膜 | 1/3 B类 | ±0.1°C | ±0.18°C | ±0.27°C |
选择RTD传感器时,RTD本身及其精度都要考虑。温度范围随元件类型而变化,以校准温度(通常在0°C)显示的精度随温度而变化。因此,必须定义所测量的温度范围,并要考虑到任何低于或高于校准温度的温度都会有更宽的容差和更低的精度。
RTD按照0°C时的标称电阻来分类。Pt100传感器的温度系数约为0.385Ω/℃,Pt1000的温度系数比Pt100大10倍。许多系统设计人员使用这些系数来获得近似的电阻到温度转换,但Callendar-Van Dusen方程提供了更准确的转换。
温度t ≤ 0°C时,公式为:

温度t ≥ 0°C时,公式为:

其中:
t为RTD温度(°C)
RRTD(t)为RTD在温度(t)时的电阻
R0为RTD在0°C时的电阻(本例中R0 = 100 Ω)
A = 3.9083 × 10−3
B = −5.775 × 10−7
C = −4.183 × 10−12
RTD接线配置
选择RTD时需要考虑的另一个传感器参数是其接线配置,这会影响系统精度。市场上有三种不同的RTD接线配置,每种配置都有自己的优点和缺点,可能需要采用不同技术来减小测量误差。
2线配置是最简单但精度最低的配置,原因是引线电阻的误差及其随温度的变化导致了显著的测量误差。因此,这种配置仅用于引线很短的应用或使用高电阻传感器(例如Pt1000)的应用,这样可以最大程度地减小引线电阻对精度的影响。
3线配置使用三个引脚,优势突出,因而是使用最多的配置,在连接器尺寸最小化的设计中很有用(仅需要3个连接端子,而4线RTD需要4线端子)。相对于2线配置,3线配置在精度上也有显著改善。3线配置中的引线电阻误差可以通过不同的校准技术来补偿,本文稍后会介绍这些技术。
4线是最昂贵但最准确的配置。这种配置消除了引线电阻及温度变化效应引起的误差。因此,4线配置可实现最佳性能。
RTD配置电路
高精度RTD传感器测量需要精密信号调理、模数转换、线性化和校准。RTD测量系统的典型设计由不同电路级组成,如图2所示。虽然信号链看起来很简单,但其中涉及到几个复杂因素,设计人员必须考虑复杂的元件选择、连接图、误差分析和模拟信号调理挑战。由于相关模块数量较多,上述因素会影响整体系统电路板尺寸和物料清单(BOM)成本。但好消息是,ADI公司提供了大量集成式解决方案。该完整的系统解决方案可帮助设计人员简化设计,减小电路板尺寸,缩短产品上市时间,并降低整个RTD测量系统的成本。

图1.RTD接线配置

图2.典型RTD测量信号链模块
三种RTD接线配置需要不同的接线技术来将RTD连接到ADC,另外还要考虑其他外部元件以及ADC的要求,例如激励电流和灵活的多路复用器。本节将更深入地讨论每种RTD配置电路设计及注意事项。
Σ-Δ型ADC
当设计RTD系统时,Sigma-Delta(Σ-Δ)型ADC能提供多方面优势。首先,Σ-Δ型ADC能够对模拟输入过采样,从而最大程度地减少外部滤波,只需要一个简单的RC滤波器。另外,它们支持灵活地选择滤波器类型和输出数据速率。在采用市电供电的设计中,内置数字滤波可用来抑制交流电源的干扰。24位高分辨率ADC(如AD7124-4/AD7124-8)具有21.7位(最大值)的峰值分辨率。其他优点包括:
►宽共模范围的模拟输入
►宽共模范围的基准输入
►能够支持比率式配置
►缓冲基准电压和模拟输入
有些Σ-Δ型ADC集成了很多功能,包括:
►可编程增益放大器(PGA)
►激励电流
►基准电压源/模拟输入缓冲器
►校准功能
此类ADC显著简化了RTD设计,并且减少了BOM,降低了系统成本,缩小了电路板空间,缩短了产品上市时间。
对于本文,AD7124-4/AD7124-8用作ADC。这两款器件是低噪声、低电流精密ADC,集成了PGA、激励电流、模拟输入和基准电压缓冲器。
比率测量
比率式配置是使用RTD或热敏电阻等电阻传感器的系统的合适且高性价比的解决方案。采用比率式方法,基准电压和传感器电压从同一激励源获得。因此,激励源不需要很精确。图3显示了4线RTD应用中的比率式配置示例。恒定的激励电流为RTD和精密电阻RREF供电,RREF上产生的电压就是RTD测量的基准电压。激励电流的任何变化都不会影响测量的精度。因此,采用比率式方法时,允许使用噪声较大且不那么稳定的激励电流。激励电流具有更好的抗扰度,优于电压激励。本文稍后会讨论选择激励源值时需要考虑的主要因素。

图3.4线RTD比率测量
IOUT/AIN共用引脚
许多RTD系统设计人员使用集成多路复用器和激励电流的Σ-Δ型ADC,以支持多通道测量和灵活地将激励电流连接到各传感器。AD7124等ADC允许单个引脚同时用作激励电流和模拟输入引脚(参见图4)。由于IOUT和AIN共用引脚,因此每个3线RTD传感器只需要两个引脚,这有利于增加通道数。但在这种配置中,抗混叠或电磁干扰(EMI)滤波中的大值电阻R与RTD串联,会给RTD电阻值带来误差,因此R值受到限制。正因如此,通常建议为每个激励电流源提供专用引脚,以避免给RTD测量带来误差。

图4.3线RTD,IOUT/AIN引脚共用
4线RTD连接图
4线RTD配置性能最佳。相比于其他两种配置,系统设计人员面临的唯一问题是传感器本身的成本和4引脚连接器的尺寸。在这种配置中,引线引起的误差通过返回线路消除。4线配置使用开尔文检测,两条线承载往返RTD的激励电流,其余两条线检测RTD元件本身的电流。引脚电阻引起的误差会被系统本身消除。4线配置只需要一个激励电流IOUT,如图5所示。来自ADC的三个模拟引脚用于实现单个4线RTD配置:一个引脚用于激励电流IOUT,两个引脚作为全差分输入通道(AINP和AINM)用于检测RTD上的电压。
当设计使用多个4线RTD时,可以使用单个激励电流源,并将激励电流导向系统中的不同RTD。将基准电阻放在RTD的低端,单个基准电阻便可支持所有RTD测量。也就是说,该基准电阻由所有RTD共享。请注意,如果ADC的基准输入具有宽共模范围,则基准电阻可以放在高端或低端。因此,对于单个4线RTD,可以使用高端或低端上的基准电阻。但是,当系统中使用多个4线RTD时,将基准电阻放在低端是有利的,因为一个基准电阻可以由所有RTD共享。请注意,某些ADC内置基准电压缓冲器。这些缓冲器可能需要一定的裕量,因此如果使能缓冲器,则需要裕量电阻。使能缓冲器意味着可以将更强大的滤波连接到基准引脚而不会引起误差,例如ADC内的增益错误。
2线RTD连接图
2线RTD配置是最简单的配置,如图6所示。2线配置只需要一个激励电流源。来自ADC的三个模拟引脚用于实现单个2线RTD配置:一个引脚用于激励电流IOUT,两个引脚作为全差分输入通道(AINP和AINM)用于检测RTD上的电压。当设计使用多个2线RTD时,可以使用单个激励电流源,并将激励电流导向系统中的不同RTD。按照4线配置将基准电阻放在RTD的低端,单个基准电阻便可支持所有RTD测量。也就是说,该基准电阻由所有RTD共享。
2线配置是三种接线配置中精度最低的配置,原因是测量的实际电阻值既包括传感器的电阻值,也包括引线RL1和RL2的电阻值,从而增大了ADC上的电压测量结果。如果传感器在远程,系统使用非常长的导线,则误差将很大。例如,25英尺长的24 AWG铜线的等效电阻为:0.026Ω/英尺(0.08Ω/米)× 2 × 25英尺 = 1.3Ω。因此,1.3Ω导线电阻产生的误差为:(1.3/0.385) = 3.38°C(近似值)。导线电阻还会随温度而变化,这又会增加误差。

图5.单个和多个4线RTD模拟输入配置测量
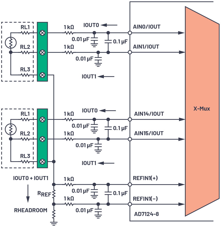
3线RTD连接图
使用3线RTD配置可以大幅改善2线RTD配置的引线电阻所引起的较大误差。本文使用第二激励电流(如图7所示)来抵消RL1和RL2所产生的引线电阻误差。因此,来自ADC的四个模拟引脚用于实现单个3线RTD配置:两个引脚用于激励电流(IOUT0和IOUT1),两个引脚作为全差分输入通道(AINP和AINM)用于检测RTD上的电压。

图6.单个和多个2线RTD模拟输入配置测量

图7.单个和多个3线RTD模拟输入配置测量
有两种方法可以配置3线RTD电路。方法1将基准电阻放在顶边,使得第一激励电流IOUT0流到RREF、RL1,然后流到RTD;第二电流流经RL2引线电阻,产生的电压抵消RL1引线电阻上的压降。因此,匹配良好的激励电流可完全消除引线电阻导致的误差。如果激励电流匹配得不是那么好,使用这种配置可使不匹配的影响最小化。同一电流流到RTD和RREF;因此,两个IOUT之间的任何不匹配只会影响引线电阻计算。测量单个RTD时,此配置很有用。
测量多个3线RTD时,建议将基准电阻放在底边(方法2),这样只能使用单个基准电阻,从而最大限度地降低总成本。然而,在这种配置中,一个电流流过RTD,但有两个电流流过基准电阻。因此,IOUT的任何不匹配都会影响基准电压的值和引线电阻的抵消。当存在激励电流不匹配时,该配置的误差会比方法1更大。有两种可能的方法可以校准IOUT之间的不匹配和不匹配漂移,从而提高第二种配置的精度。第一种方法是对激励电流斩波(交换),在每个阶段执行一次测量,然后将两个测量值平均,从而实现校准。另一种办法是测量实际激励电流本身,然后在微控制器使用计算的不匹配来补偿该不匹配。关于这些校准的更多细节在CN-0383中讨论。
RTD系统优化
检查系统设计人员的问题,可发现设计和优化RTD应用解决方案存在不同的挑战。挑战一是上面讨论的传感器选型和连接图。挑战二是测量的配置,包括ADC配置、设置激励电流、设置增益和选择外部元件,同时确保系统优化并在ADC规格范围内运行。最后,最关键的问题是如何实现目标性能,确定有哪些误差源贡献了整体系统误差。
幸运的是,有一款新工具RTD_CONFIGURATOR_AND_ERROR_BUDGET_CALCULATOR,它为设计和优化RTD测量系统提供从概念到原型制作的实操解决方案。
该工具
►有助于了解正确的配置、接线和电路图
►有助于了解不同误差源并支持设计优化
该工具围绕AD7124-4/AD7124-8设计,允许客户调整激励电流、增益、外部元件等设置。它会指出超边界状况,以确保最终解决方案在ADC的规格范围内。

图8.RTD配置程序
激励电流、增益和外部元件的选择
理想情况下,我们倾向于选择较高的激励电流以产生较高的输出电压,并使ADC输入范围最大化。然而,由于传感器为阻性,设计人员还必须确保大值激励电流的功耗或自发热效应不会影响测量结果。系统设计人员可能选择高激励电流。但是,为使自发热最小化,在两次测量之间需要关闭激励电流。设计人员需要考虑时序对系统的影响。另一种方法是选择较低激励电流,以使自发热最小。时序现已最小化,但设计人员需要确定系统性能是否受到影响。所有方案都可以通过RTD_Configurator_and_Error_Budget_Calculator进行测试。该工具允许用户平衡激励电流、增益和外部元件的选择,以确保模拟输入电压得到优化,同时调整ADC增益和速度,以提供更好的分辨率和系统性能,即噪声和失调误差更低。
要了解所得到的滤波曲线,或者要更深入地了解转换时序,VirtualEval在线工具可提供相关细节。
Σ-Δ型ADC的ADC输入和基准输入均由开关电容前端连续采样。对于所讨论的RTD系统,基准输入也受外部基准电阻驱动。建议在Σ-Δ型ADC的模拟输入端使用一个外部RC滤波器用于抗混叠。为了EMC目的,系统设计人员可以在模拟输入端和基准输入端使用较大R和C值。大RC值在测量中可能引起增益误差,因为在两个采样时刻之间的时间里,前端电路没有充足的时间来建立。缓冲模拟和基准输入可防止此类增益误差,从而允许使用不受限制的R和C值。
对于AD7124-4/AD7124-8,当使用大于1的内部增益时,模拟输入缓冲器自动使能,由于PGA放置在输入缓冲器的前面,并且PGA是轨到轨的,所以模拟输入也是轨到轨的。但是,对于基准缓冲器,或者在增益为1时使用ADC且使能模拟输入缓冲器,则有必要确保提供正确运行所需的裕量。
Pt100输出的信号电平很低,大约为几百mV。为获得最佳性能,可以使用宽动态范围的ADC。或者使用一个增益级来放大信号,再将其应用于ADC。AD7124-4/AD7124-8支持1到128的增益,因而可以针对各种激励电流优化设计。PGA增益的多个选项允许设计人员在激励电流值与增益、外部元件、性能之间取舍。RTD配置工具会指示新的激励电流值是否能与所选RTD传感器一起使用。它还会给出精密基准电阻和基准裕量电阻的适当建议值。请注意,该工具可确保ADC在规格范围内使用——它会显示支持相关配置的可能增益。AD7124激励电流具有输出顺从性;也就是说,提供激励电流的引脚上的电压相对于AVDD需要一些裕量。该工具也会确保符合该顺从规格。
借助RTD工具,系统设计人员可以保证系统在ADC和RTD传感器的工作限值内运行。基准电阻等外部元件的精度及其对系统误差的贡献将在稍后讨论。
滤波选项(模拟和数字50 Hz/60 Hz抑制)
如前所述,建议将抗混叠滤波器配合Σ-Δ型转换器使用。嵌入式滤波器是数字式,所以频率响应在采样频率附近折回。为了充分衰减调制器频率及其倍数处的干扰,必须使用抗混叠滤波。Σ-Δ型转换器会对模拟输入过采样,因此抗混叠滤波器的设计大大简化,只需要一个简单的单极点RC滤波器。
当最终系统投入现场使用时,处理来自系统所处环境的噪声或干扰可能非常有挑战性,尤其是在工业自动化、仪器仪表、过程控制或功率控制等应用领域,这些应用要求耐噪,同时不能产生太大噪声而影响到相邻元器件。噪声、瞬态或其他干扰源会影响系统精度和分辨率。当系统由交流电源供电时,也会产生干扰。交流电源频率在欧洲是50 Hz及其倍数,在美国是60 Hz及其倍数。因此,当设计RTD系统时,必须考虑具有50 Hz/60 Hz抑制能力的滤波电路。许多系统设计人员希望设计一个能够同时抑制50 Hz和60 Hz的通用系统。
大多数较低带宽ADC(包括AD7124-4/AD7124-8)提供多种数字滤波选项,通过编程可将陷波频率设置为50 Hz/60 Hz。所选滤波器选项会影响输出数据速率、建立时间以及50 Hz/60 Hz抑制。使能多个通道时,每次切换通道都需要一个建立时间以便产生转换结果。因此,选择具有较长建立时间的滤波器类型(即sinc4或sinc3)会降低整体吞吐速率。在这种情况下,可使用后置滤波器或FIR滤波器以较短的建立时间提供合理的50 Hz/60 Hz同时抑制,从而提高吞吐速率。
功耗考虑
系统的电流消耗或功耗预算分配高度依赖于最终应用。AD7124-4/AD7124-8具有三种功耗模式,支持在性能、速度和功耗之间进行权衡。便携式或远程应用须使用低功耗器件和配置。对于某些工业自动化应用,整个系统都由4 mA到20 mA环路供电,因此允许的电流预算最大值仅有4 mA。对于此类应用,可以将器件设置为中功率或低功耗模式。速度要低得多,但ADC仍能提供高性能。如果应用是由交流电源供电的过程控制,则电流消耗可以高得多,因此器件可以设置为全功率模式,该系统可以实现高得多的输出数据速率和更高的性能。
误差源和校准选项
知道所需的系统配置之后,下一步是估算与ADC相关的误差和系统误差。这些误差可帮助系统设计人员了解前端和ADC配置是否满足整体目标精度和性能。RTD_Configurator_and_Error_Budget_Calculator允许用户修改系统配置以获得最佳性能。例如,图9显示了所有误差的摘要。系统误差饼图表明,外部基准电阻的初始精度及其温度系数是系统总误差的主要贡献因素。因此,必须考虑使用更高精度和更好温度系数的外部基准电阻。
ADC引起的误差不是系统总误差的最重要贡献因素。但是,使用AD7124-4/AD7124-8的内部校准模式可以进一步减小ADC的误差贡献。建议在上电或软件初始化时进行内部校准,以消除ADC增益和失调误差。请注意,这些校准不会消除外部电路造成的误差。但是,ADC还支持系统校准,使得系统失调和增益错误可以最小化,但这可能会增加额外的成本,大多数应用可能不需要。
故障检测
对于恶劣环境或安全很重要的应用,诊断正成为行业要求的一部分。AD7124-4/AD7124-8中的嵌入式诊断减少了对外部元件实现诊断的需求,使得解决方案尺寸更小、时间更短且成本更低。诊断包括:
►检查模拟引脚上的电压电平,确保其在额定工作范围内
►串行外设接口(SPI)总线的循环冗余校验(CRC)
►存储器映射的CRC
►信号链检查
这些诊断使得解决方案更强大。根据IEC 61508,典型3线RTD应用的失效模式、影响和诊断分析(FMEDA)表明安全失效比率(SFF)大于90%。
RTD系统评估
图10显示了来自电路笔记CN-0383的一些测量数据。该测量数据是利用AD7124-4/AD7124-8评估板获得,其中包括2-/3-/4-线RTD的演示模式,并计算了相应的摄氏温度值。结果表明,2线RTD实现方案的误差更接近误差边界的下限,而3线或4线RTD实现方案的总体误差完全在允许限值以内。2线测量中的较高误差源于前面所述的引线电阻误差。

图9.RTD误差源计算程序

图10.2-/3-/4-线RTD温度精度测量后置滤波器,低功耗模式,25 SPS
这些例子说明,当与ADI公司的较低带宽Σ-Δ型ADC(如AD7124-4/AD7124-8)一起使用时,遵循上述RTD指南将能实现高精度、高性能设计。电路笔记(CN-0383)也可用作参考设计,帮助系统设计人员快速实现原型。评估板允许用户评估系统性能,每种示例配置演示模式都可以使用。进一步说,使用ADI生成的示例代码(可从AD7124-4/AD7124-8产品页面获得),可以轻松开发出不同RTD配置的固件。
采用Σ-Δ架构的ADC(例如AD7124-4/AD7124-8)适合于RTD测量应用,因为其解决了诸如50 Hz/60 Hz抑制之类的问题,并且模拟输入具有宽共模范围(基准输入也可能有)。另外,这些器件具有高集成度,包含RTD系统设计所需的全部功能。它们还提供增强特性,如校准能力和嵌入式诊断。这种集成度加上完整的系统资料或生态系统,将能简化整体系统设计,降低成本,缩短从概念到原型的设计周期。
为使系统设计人员的设计之旅更轻松,可以使用RTD_Configurator_and_Error_Budget_Calculator工具和在线工具VirtualEval、评估板硬件和软件以及CN-0383来解决不同的挑战,例如连接问题和整体误差预算,将用户的设计体验提升到更高层次。
结论
本文已说明,设计RTD温度测量系统是一个具挑战性的多步骤过程。它需要选择不同的传感器配置、ADC和优化,并考虑这些决策如何影响整体系统性能。ADI公司的RTD_Configurator_and_Error_Budget_Calculator工具和在线工具VirtualEval、评估板硬件和软件以及CN-0383,通过解决连接和整体误差预算问题来简化该过程。
作者简介
Jellenie Rodriguez是ADI公司精密转换器技术部的一名应用工程师。她主要关注用于直流测量的精密Σ-Δ型ADC。她于2012年加入ADI公司,2011年毕业于San Sebastian College-Recoletos de Cavite,获得电子工程学士学位。联系方式:jellenie.rodriguez@analog.com。
作者简介
Mary McCarthy是ADI公司应用工程师。她于1991年加入ADI公司,在爱尔兰科克市的线性与精密技术应用部工作,主要关注精密Δ-Σ型转换器。她于1991年毕业于科克大学,获得电子与电气工程学士学位。联系方式:mary.mccarthy@analog.com。