大联大控股宣布,其旗下世平推出基于安森美(onsemi)NCP51561高压隔离驱动器的高频小型化工业电源方案。

图示1-大联大世平基于onsemi产品的高频小型化工业电源方案的展示板图
在“双碳”话题愈演愈烈的当下,以GaN氮化镓/SiC碳化硅为材料的功率半导体器件进入了加速发展车道。GaN和SiC被称为“宽带隙半导体(WBG)”,具备耐高温、耐高压、高频率、大功率、抗辐射等优异特性,可以帮助产品实现更高的开关效率。据业内人士介绍,GaN是最接近理想的半导体开关器件,能够以非常高的效能和高功率密度来实现电源转换,轻松满足服务器和云端数据中心最严格的80+规范或USB PD外部适配器的欧盟行为准则Tier 2标准。基于此背景,大联大世平推出基于onsemi NCP51561的高频小型化工业电源方案。

图示2-大联大世平基于onsemi产品的高频小型化工业电源方案的场景应用图
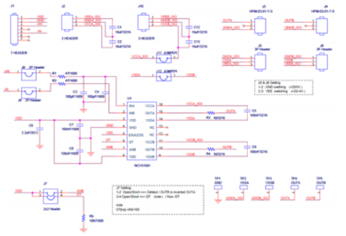
NCP51561是onsemi推出的一款高压隔离型双通道门极驱动器,具有4.5A源电流和9A灌电流峰值能力。该新器件适用于硅功率MOSFET和基于SiC的MOSFET器件的快速开关,提供短且匹配的传播延迟。

图示3-大联大世平基于onsemi产品的高频小型化工业电源方案的方块图
此外,NCP51561还具有两个独立的5kVRMS(UL1577级)电隔离门极驱动器通道,可用作两个下桥、两个上桥开关或一个半桥驱动器,具备可编程的死区时间。不仅如此,器件的一个使能引脚能同时关断两个输出,且NCP51561提供其他重要的保护功能,如用于两个门极驱动器的独立欠压锁定(UVLO)和使能功能。得益于这些出色的功能,可有效提高小型化工业电源的能源转换效率。
核心技术优势:
两个输出驱动器拥有独立UVLO保护;
输出电压为6.5V至30V,具有5V、8V和17V UVLO阈值;
4A峰值电流源,8A峰值电流吸收;
150V/ns dV/dt抗扰度;
36 ns典型传递延迟;
8 ns最大延迟匹配;
可编程输入逻辑;
通过ANB的单或双输入模式;
可编程死区时间;
Enable功能;
隔离与安全:
从输入到每个输出的5kVRMS电流隔离和输出通道之间的1200V峰值差分电压;
1200V工作电压(根据VDE0884−11要求)。
方案规格:
双低侧、双高侧或半桥驱动器;
输出电源电压为6.5V至30V,具有5V、8V和17V UVLO阈值;
4A峰值电流源,8A峰值电流吸收。
如有任何疑问,请登陆【大大通】进行提问,超过七百位技术专家在线实时为您解答。欢迎关注大联大官方微博(@大联大)及大联大微信平台:(公众账号中搜索“大联大”或微信号wpg_holdings加关注)。
关于大联大控股:
大联大控股是全球第一、亚太区最大的半导体元器件分销商*,总部位于台北(TSE:3702),旗下拥有世平、品佳、诠鼎及友尚,员工人数约5,000人,代理产品供货商超250家,全球80个分销据点,2020年营业额达206.5亿美金。大联大开创产业控股平台,专注于国际化营运规模与在地化弹性,长期深耕亚太市场,以「产业首选.通路标杆」为愿景,全面推行「团队、诚信、专业、效能」之核心价值观,连续21年蝉联「优秀国际品牌分销商奖」肯定。面临新制造趋势,大联大致力转型成数据驱动(Data-Driven)企业,建置在线数字化平台─「大大网」,并倡导智能物流服务(LaaS, Logistics as a Service)模式,协助客户共同面对智能制造的挑战。大联大从善念出发、以科技建立信任,期望与产业「拉邦结派」共建大竞合之生态系,并以「专注客户、科技赋能、协同生态、共创时代」十六字心法,积极推动数字化转型。 (*市场排名依Gartner公布数据)