作者:Jon Geng,ADI 应用工程师 | Li Ke,ADI系统应用工程师 | Karl Wei,ADI核心应用工程师
简介
您是否想过如何设计一个具有高电磁兼容性(EMC)性能的精密温度测量系统?本文将讨论精密温度测量系统的设计考虑因素,以及如何在保持测量精度的同时提高系统的EMC性能。我们将以RTD温度测量为例介绍测试结果和数据分析,以便我们能够轻松地从概念开发出原型和产品并走向市场。
精密温度测量和EMC挑战
温度测量是模拟领域中最常用的一项检测技术。许多测量技术可用来检测环境温度。热敏电阻是一种小尺寸且简单的2线制方案,具有快速响应时间,但其非线性和有限的温度范围限制了其精度和应用。RTD是最稳定、最精确的温度测量方法。RTD设计的难点在于需要外部激励、复杂电路和校准。没有温度测量系统开发经验的工程师可能会气馁。热电偶(TC)可以提供坚固耐用、便宜、不同测量范围的解决方案,但完整的热电偶测温系统需要冷端补偿(CJC)。与热敏电阻、TC和RTD相比,新型的数字温度传感器可以直接通过数字接口提供校准的温度数据。精密温度测量需要高精度温度传感器和精密信号链来构成一个温度测量系统。TC、RTD和数字温度传感器的精度最高。精密信号链器件是可以获得的,可用来收集这些传感器信号并将其转换为绝对温度。在工业领域,达到0.1°C的精度是我们的目标。这种精度测量不包括传感器误差。表1比较了不同类型的温度传感器。
表1.不同类型温度传感器的比较
温度传感器类型 | 优点 | 缺点 |
热敏电阻 | 简单的2线方案,快速响应时间,小尺寸 | 非线性,温度范围有限,不如TC和RTD那样坚固耐用,需要激励,自发热会引起精度误差 |
RTD | 最稳定、最精确,坚固耐用,易于连接和实现 | 需要外部激励,非线性,自发热会引起精度误差 |
热电偶 | 坚固耐用,自供电,便宜,支持不同的温度范围(J、K、T、E、R、S、B、N),适合远距离测量 | 非线性,需要冷端补偿(CJC),低输出范围需要低噪声/低漂移电子元器件,精度为1%至3% |
IC温度传感器 | 出厂完全校准,线性,稳定,模拟和数字输出 | 温度范围有限 |
创建数字温度测量系统时,特别是针对工业和铁路等恶劣环境中的应用时,不仅要关注精度和设计难度,EMC性能也是保持系统稳定的关键特性。系统需要额外的电路和分立器件以提高EMC性能。但是,更多的保护器件意味着更多的误差源。因此,设计具有高检测精度和高EMC性能的温度测量系统是非常具有挑战性的。温度测量系统的EMC性能决定其能否在指定的电磁环境中正常工作。
ADI公司提供各种温度测量解决方案,例如精密模数转换器(ADC)、模拟前端(AFE)、IC温度传感器等。ADI AFE解决方案提供多传感器高精度数字温度测量系统,支持直接TC测量、直接RTD测量、直接热敏电阻测量和定制传感器应用。当增加EMC保护器件时,一些特殊配置可以帮助保持高测量精度。图1显示了经典比率式温度测量电路和计算公式。

图1.经典比率式温度测量电路和计算公式
以下部分介绍了温度检测解决方案,以便系统设计人员能够实现出色的EMC性能。
RTD温度测量解决方案
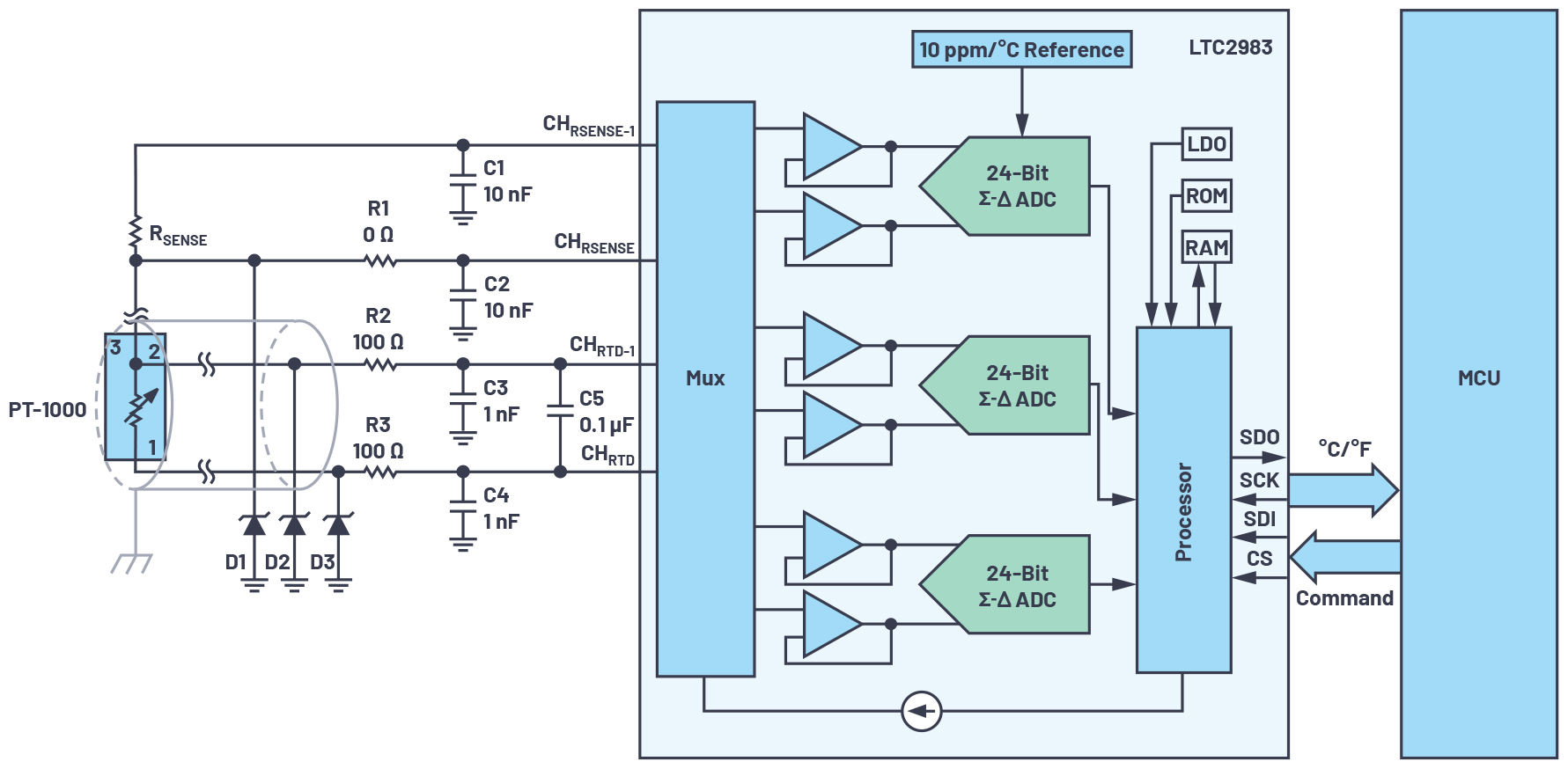
以LTC2983温度测量AFE为例。系统控制器可以通过SPI接口直接从LTC2983读取校准的温度数据,精度为0.1°C,分辨率为0.001°C。连接4线RTD时,激励电流旋转功能可以自动消除热电偶的寄生效应,并降低信号电路漏电流的影响。基于这些特性,LTC2983可以加速多通道精密温度测量系统的设计,实现高EMC性能而无需复杂的电路设计,让您和您的客户更有信心。图2显示了EMC保护的LTC2983温度测量系统框图。

图2.EMC保护的LTC2983温度测量系统
RTD无疑是高精度温度测量的出色选择,可以测量-200°C至+800°C范围内的温度。100Ω和1000Ω铂RTD最常见,但也可以由镍或铜制成。
最简单的RTD温度测量系统是2线配置,但引线电阻会引入额外的系统温度误差。将两个匹配的电流源施加到RTD(引线电阻应相等),3线配置便可消除引线电阻误差。利用高阻抗开尔文检测直接测量传感器,开尔文配置或4线配置便可消除平衡或不平衡的引线电阻。然而,成本将是4线配置的主要障碍,因为其需要更多电缆,特别是针对远距离温度测量。图3显示了不同的RTD接线配置1。考虑到实际的客户用例,本文选择了3线RTD配置并测试其EMC性能。

图3.不同RTD接线配置:(a) 2线,(b) 3线,(c) 4线
2线和3线RTD传感器还可以在PCB上使用开尔文配置。当需要将限流电阻和RC滤波器添加到信号链路以保护器件的模拟输入引脚时,这些额外的电阻会引入很大的系统失调。例如,用4线开尔文配置取代2线保护电路可以帮助消除该失调,因为激励电流不会流过这些限流电阻和RC滤波器,保护电阻引起的误差可以忽略不计(参见图4)。欲了解更多信息,请参阅LTC2986数据手册。

图4.4线配置消除额外的电阻误差
温度测量系统的稳健性挑战
与大多数温度测量IC一样,LTC2983可以耐受2 kV HBM ESD电平。但在工业自动化、铁路和其他苛刻电磁环境中,电子器件需要面对更高的干扰电平和更复杂的EMC事件,例如静电放电(ESD)、电快速瞬变(EFT)、辐射敏感性(RS)、传导敏感性(CS)和浪涌等。
为了降低下游设备遭到损坏的风险并提高系统的鲁棒性,额外的分立保护器件是必要的。
EMC事件的三要素是噪声源、耦合路径和接收器。如图5所示,在该温度测量系统中,噪声源来自周围环境。耦合路径是传感器电缆,LTC2983是接收器。工业自动化和铁路应用总是使用长传感器电缆来检测远程器件的温度。传感器电缆的长度可以是数米甚至数十米。较长的电缆导致耦合路径更大,温度测量系统面临更严重的EMI挑战。

图5.温度测量系统的EMI事件的三要素
采用TVS的系统级保护解决方案
瞬变电压抑制器(TVS)和限流电阻是最常见的保护器件。选择合适的TVS和限流电阻不仅可以提高系统稳健性,还能保持系统的高测量性能。表2显示了TVS器件的主要参数,包括工作峰值反向电压、击穿电压、最大箝位电压和最大反向漏电流。工作峰值反向电压必须高于最大传感器信号,以确保系统正常工作。击穿电压不应比信号电压高很多,以避免产生很宽的无保护电压范围。最大箝位电压决定TVS可以抑制的最大干扰信号电压。反向漏电流会对系统贡献很大的测量误差,因此应选择反向漏电流尽可能小的TVS。
表2.TVS主要参数
参数 | 描述 |
工作峰值反向电压 | 低于该值时不会发生显著导电现象的电压 |
击穿电压 | 触发规定导通的电压 |
最大箝位电压 | 传导额定最大电流时器件上的最大电压 |
最大反向漏电流 | 将不触发导通的最大电压施加到TVS时的漏电流 |
正常工作条件下,TVS器件表现出很高的对地阻抗。将一个大于TVS击穿电压的瞬变电压施加于系统输入端时,一旦TVS被击穿,输入端电压就会被箝位并提供低阻抗接地路径,将瞬变电流从输入端转移到地。
图2所示为3线PT-1000保护电路。3线PT-1000通过三个相邻通道连接到LTC2983,其受到SMAJ5.0A TVS和100Ω限流电阻的保护。限流电阻和下游电容形成低通滤波器,以尽可能多地消除输入线路中的RF成分,使每条线路和地之间的交流信号保持平衡,并在测量带宽上维持足够高的输入阻抗以避免加载信号源2。差分模式滤波器的-3 dB带宽为7.9 kHz,共模滤波器的-3 dB带宽为1.6 MHz。
该温度测量系统依据IEC 61000-4-2、IEC 61000-4-3、IEC 61000-4-4、IEC 61000-4-5和IEC 61000-4-6标准进行了测试。在这些测试下,系统必须正常工作并提供精确的温度测量。被测传感器是B类3线PT-1000,其使用约10 m长的屏蔽线。
表3列出了IEC 61000-4-x抗扰度测试项目、测试电平和系统受EMI事件干扰时的温度波动。图6显示了测试时的输出温度数据曲线,其对应于表3中的最大温度波动。
表3.EMI测试结果
IEC 61000-4瞬变 | 保护级别 | 最大温度波动(°C) |
RS | 10 V/m,80 MHz至~1 GHz和1.4 GHz至~2 GHz | <0.5 |
CS | 10 V,0.15 MHz至~80 MHz | <0.2 |
ESD | ±8 kV,传导;±15 kV,空气 | <0.15 |
EFT | ±4 kV,5 kHz | <0.15 |
浪涌 | ±4 kV,1.2/50 (8/20) μs | <0.2 |
增加保护后的温度测量精度
TVS和限流电阻有助于保护温度测量系统不受EMC影响。箝位电压越低的TVS,越能保护敏感电路。但反过来,它们可能产生系统误差。为了应对这种情况,我们必须使用具有更高击穿电压的TVS,因为更高的击穿电压意味着在正常工作电压下漏电流更少。TVS漏电流越低,则给系统增加的误差越小。

图6.测试时的输出温度数据曲线
表4.Littelfuse SMAJ5.0A TVS的电气特性
电气特性(TA = 25°C,除非另有说明) | |||||||||||
产品型号 (单极性) | 产品型号 (双极性) | 标识 | 反向关态电压VR (V) | 击穿电压VBR @ IT (V) | 测试电流IT (mA) | 最大箝位电压VC @ Ipp (V) | 最大峰值脉冲电流Ipp (A) | 最大反向漏电流IR @ VR (µA) | 机构批准 | ||
单极性 | 双极性 | 最小值 | 最大值 | ||||||||
SMAJ5.0A | SMAJ5.0CA | AE | WE | 5.0 | 6.40 | 7.00 | 10 | 9.2 | 43.5 | 800 | X |
考虑这些因素,我们使用了一个Littelfuse SMAJ5.0A TVS(可以在大多数电子元器件经销商那里买到)和一个精度为±0.1%的100Ω限流电阻来保护系统,避免引入任何显著的测量误差。
为了实现高测量精度,我们使用精密电阻矩阵来替换PT-1000传感器并模拟温度变化。该精密电阻矩阵已利用Keysight Technologies 3458A万用表进行了校准。
为了减轻消除匹配引线电阻误差的困难,我们使用4线配置来评估系统的精度性能。这更有利于消除传感器误差。
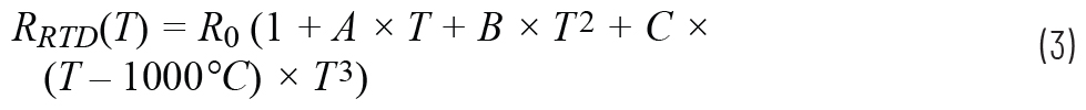
为了更准确地计算系统误差,我们需要使用与LTC2983相同的标准将电阻值转换为温度。传感器制造商发布的温度查找表是最准确的转换方法。但是,将每个温度点写入处理器的存储器中是不明智的。因此,我们使用以下公式来计算温度结果3。
当T > 0°C时,公式为:

计算对应于电阻值的温度:

当T ≤ 0°C时,公式为:

温度通过多项式拟合得到:

其中:
T为RTD温度(°C)。
RRTD(T)为RTD电阻(Ω)。
R0为RTD在0°C时的电阻(R0 = 1000 Ω)。
A = 3.9083 × 10−3
B = –5.775 × 10-7
C = −4.183 × 10−12
图7显示,在-134°C至+607°C的温度范围内,总系统误差不超过±0.4°C。与图9(显示了LTC2983对RTD温度测量的误差贡献)相比,附加保护器件增加了大约±0.3°C的系统误差,尤其是TVS漏电流。可以看到,随着温度升高,系统误差增加。这就涉及到TVS的I-V曲线特性。

图7.系统误差与温度的关系
系统误差可计算如下:

其中:
Terror为LTC2983温度测量系统的总输出误差(°C)。
Tcal为利用精密电阻计算的温度(°C),已利用Keysight Technologies 3458A进行校准。
TLTC2983是LTC2983输出温度(°C)。
图8说明,系统总峰峰值噪声不超过±0.01°C,此结果符合数据手册规格。

图8.系统峰峰值噪声与温度的关系
传感器类型 | 温度范围 | 误差贡献 | 峰峰值噪声 |
铂RTD - PT-10,RSENSE = 1kΩ | – 200 °C到800 °C | ±0.1 °C | ±0.05 °C |
铂RTD - PT-100,RSENSE = 2kΩ | – 200 °C到800 °C | ±0.1 °C | ±0.05 °C |
铂RTD - PT-500,RSENSE = 2kΩ | – 200 °C到800 °C | ±0.1 °C | ±0.02 °C |
铂RTD - PT-1000,RSENSE = 2kΩ | – 200 °C到800 °C | ±0.1 °C | ±0.01 °C |
热敏电阻,RSENSE = 10kΩ | – 40 °C到85 °C | ±0.1 °C | ±0.01 °C |
图9.LTC2983对RTD温度测量的误差贡献

图10.激励电流旋转配置:(a) 正向激励流,(b) 反向激励流
TVS误差贡献和优化配置
TVS的I-V曲线特性可以从器件的数据手册中找到。然而,大多数TVS制造商仅提供器件参数的典型值,而不是计算TVS在特定电压下的误差贡献(尤其是漏电流误差)所需的全部I-V数据。
本应用中使用Littelfuse SMAJ5.0A TVS。测试一些样品之后,我们发现漏电流在1 V反向电压约为1μA,远小于TVS数据手册给出的最大反向漏电流。这种漏电流会产生重大系统误差。但是,如果使能LTC2983的激励电流旋转,则会大大减少漏电流误差效应。图10显示了激励电流旋转配置和TVS漏电流流动。
当Rsense与流过RTD的激励电流相同时,RTD的电阻RT可以表示为4:

当对正向激励流使用激励电流旋转配置时(如图10(a)所示),RTD电阻RRTD1计算如下:



其中:
Rsense为检测电阻的实际电阻值
RRTD为测量周期中RTD的实际电阻值
Vsense1为检测电阻处的实测电压值
VRTD1为正向激励流周期中RTD的实测电压值,如图10(a)所示。
RRTD1为正向激励流周期中RTD的计算值
当对反向激励流使用激励电流旋转配置时(如图10(b)所示),RTD电阻RRTD2计算如下:



其中:
Vsense2为检测电阻的实测电压值。
VRTD2为反向激励流周期中RTD的实测电压值,如所示图10(b)所示。
RRTD2为反向激励流周期中RTD的计算值
根据TVS测量数据,在2 V反向电压下,最大漏电流和最小漏电流之差平均约为10%。四个TVS的位置和匹配程度可能会引起相当大的系统误差。为了显示误差最大的情况,我们可以假设ITVS为平均漏电流,ITVS1 = ITVS2 = 0.9 × ITVS,而ITVS3 = ITVS4 = 1.1 × ITVS。


如果不使用激励电流旋转配置,RRTD1或RRTD2将包括最大TVS误差贡献。

或

为误差因子。
使用激励电流旋转配置时,最终计算结果为:




当Error(RRTDROT) = min {Error(RRTD1), Error(RRTD2)}时,Error (RRTDROT)将等于Error (RRTD1),或者Error(RRTDROT)将等于Error(RRTD2)。根据公式13至公式18,当Iexc = 6 × ITVS,Error (RRTDROT)将等于min {Error(RRTD1), Error(RRTD2)}。当Iexc = 6 × ITVS时,由于TVS漏电流,系统的精度将会降低16.7%。
根据配置和测试结果,Iexc > 6 × ITVS,因此


通常,Iexc > 100 × ITVS。图11显示了系统误差,其中:
RRTDROT为采用激励电流旋转时的最终RTD电阻计算结果。
Error(RRTDROT)在使用激励电流旋转配置时的TVS误差贡献,单位为°C。
Error(RRTD1)和Error(RRTD2)是不使用旋转配置时的TVS误差贡献,单位为°C。
上面的推导告诉我们,激励电流旋转配置可以减少TVS漏电流的误差贡献。以下测试结果证实了我们的断言。
图11显示了不同激励电流模式和TVS配置的系统误差。如图所示,当不使用TVS时,旋转和非旋转配置的系统精度大致相同。然而,使能激励电流旋转会自动消除寄生热电偶效应,对此的更详细说明请参阅LTC2983数据手册。使用TVS保护系统时,总系统误差会增加。但是,激励电流旋转配置可以显著降低TVS漏电流的误差影响,从而有助于在大部分温度测量范围内实现与非TVS保护系统类似的精度水平。与没有TVS的系统相比,额外的误差是由TVS器件间差异贡献的。

图11.系统误差与不同硬件和软件配置的关系
结论
温度测量系统设计常被认为不是艰巨的任务。然而,对于大多数系统设计人员而言,开发高度精确且稳健的温度测量系统是一个挑战。LTC2983智能数字温度传感器可以帮助战胜这一挑战,开发出可以快速推向市场的产品。
►这种受保护的LTC2983温度测量系统具有±0.4°C的系统精度。测量误差包括LTC2983误差、TVS/限流电阻误差和PCB误差贡献。
►LTC2983旋转激励电流配置可以显著减少保护器件的漏电流误差效应。
►LTC2983温度测量系统可以在常见保护器件的加持下提供高EMC性能。有关EMI测试结果,请参阅表3。
本文给出了某些特定配置的精度和EMC性能测试结果。您可以选择不同的TVS器件和限流电阻来获得不同的测量精度和EMC性能,以满足您的生产需求。
参考资料
1 Logan Cummings。“Robust Industrial Sensing with the Temperature-to-Bits Family”(采用温度转比特系列产品实现鲁棒的工业检测)。Journal of Analog Innovation,第27卷第1号。凌力尔特,2017年4月。
2 Colm Slattery、Derrick Hartmann和Li Ke。“Simplifying design of industrial process-control systems with PLC evaluation boards”(利用PLC评估板简化工业过程控制系统设计)。EE Times,2009年8月。
3 CN0383:采用低功耗、精密、24位Σ-Δ ADC的全集成式2线、3线或4线RTD测量系统。ADI公司,2020年10月。
4 Tom Domanski。“利用LTC2983温度转比特IC优化RTD温度测量的检测电阻成本和精度”。ADI公司。
作者简介
Jon Geng于2018年加入ADI公司,现为中国核心应用中心的应用工程师。他的专业领域是开关、MXU、基准电压源、温度传感器和烟雾检测。Jon于2018年从贵州大学获得机械工程硕士学位,于2015年从河北师范大学获得电子工程学士学位。联系方式:jon.geng@analog.com。
Li Ke是位于爱尔兰利默里克的自动化与能源事业部的系统应用工程师。Li于2007年在中国上海加入ADI公司,担任精密转换器产品线产品应用工程师。此前,他曾在Agilent Technologies公司的化学分析部门担任过四年的研发工程师。他于1999年获得西安交通大学电子工程学士学位,并于2003年获得西安交通大学生物医学工程硕士学位。联系方式:ke.li@analog.com。
Karl Wei于2000年加入ADI公司,现为中国核心应用团队的系统应用经理。他的专业领域是工业应用中的精密信号链。此前,他在IC测试开发工程和营销领域工作了8年。他于1992年毕业于哈尔滨工业大学,获得电气工程硕士学位。联系方式:karl.wei@analog.com。