RS-485 收发器常见问题解答

winniewei 提交于

您是否希望学习 RS-485 收发器的设计教程?本文基于 TI E2E™ 社区中的常见问题提供了一些解答,对于任何希望详细了解此通信标准的人来说都是非常有用的资源。

有关隔离式 RS-485 收发器的具体信息,请参阅技术文章“有疑问?TI帮你汇总隔离型RS-485收发器的七大设计问题”。

1.何时需要 RS-485 总线端接,如何正确进行端接?

RS-485 总线端接在许多应用中都很有用,它有助于提高信号完整性并减少通信问题。“端接”是指将电缆的特性阻抗与端接网络相匹配,使总线末端的接收器能够接收最大信号功率。未端接或未正确端接的总线将出现失配的情况,从而在网络末端产生反射,导致整体信号完整性降低。

在网络的双向环路时间远大于信号位时间时,不需要端接,因为每次反射到达网络末端时,它们都会损失能量。但是对于信号位时间并不明显长于电缆环路时间的应用,为了尽量减少反射,端接至关重要。

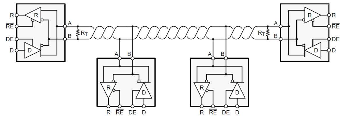
最基本的端接称为并联端接,由单个电阻组成,如图 1 所示。RS-485 标准要求标称特性阻抗为 120Ω,因此端接电阻的默认阻值应为 RT = 120Ω。您可参阅文章“RS-485 基础知识:何时需要端接,以及如何正确端接”。

1.png

图 1:具有并联端接的 RS-485 总线

THVD1424 收发器是一款灵活的 RS-485 收发器,在驱动器和接收器总线引脚之间集成了 120Ω 端接电阻。端接电阻可以通过专用引脚 TERM_TX 和 TERM_RX 打开或关闭,从而支持系统设计人员灵活地将该收发器用于半双工或全双工网络的所有节点位置(中间节点或末端节点)。

更多有关此主题和器件特性的信息,请参阅技术白皮书“使用灵活的 RS-485 收发器减少系统设计时间和成本”。

2.什么是失效防护偏置,如何实现?

失效防护偏置机制可确保 RS-485 接收器不会因差分输入电压而处于不确定状态。电子工业协会 (EIA)-485 标准规定,当差分电压 ≥+200mV 时,RS-485 的输入阈值为逻辑高电平;当差分电压 ≤-200mV 时,RS-485 的输入阈值为逻辑低电平,从而在高低阈值之间留下 400mV 的不确定状态。

可通过两种方式实现失效防护偏置:

  • 选择具有接收器内置失效防护输入阈值的收发器。

  • 添加外部电阻,从而在总线空闲时产生外部偏置。

两种方法都可以确保总线处于逻辑高电平状态。请参阅技术文章“RS-485 基础知识:失效防护偏置网络的两种方法”。

3.如何计算 RS-485 总线上的最大节点数?

RS-485是一种多点差分总线,因此总线上的所有节点共用一个传输介质。随着节点总数的增加,每个驱动器上的负载也会增加。

电信行业协会 (TIA)/EIA-485 标准规定了一个假设的单位负载 (UL),用于帮助计算 RS-485 总线上的最大节点数。该标准规定,驱动器必须能够在最多 32 个单位负载上驱动至少 1.5V 的差分信号,并在总线两端并联两个 120Ω 端接电阻。

公式 1 表示最坏情况下的输入电压与漏电流之比,用于计算输入电阻。确定节点的输入电阻后,您可以使用公式 2 计算 RS-485 总线上的最大节点数:

Input Resistance = Max (VIN/Ileakage)                        (1)

No. of Nodes = 32/Input Resistance                        (2)

 4.何时需要在节点之间添加地线?

设计远程数据链路时,您必须假定存在一些接地电势差。这些电压使发送器输出中具有共模噪声 Vn。即使总叠加信号在接收器的输入共模范围内,依靠局部接地作为可靠的返回电流路径也是不安全的。当接地电势差 (GPD) 超过接收器的共模范围时(在较长电缆和大电流负载下经常发生),将需要使用适当的接地技术。

2.png

图 2:远程节点配置:单独接地 (a);直接连接远程接地 (b);器件地和局部系统地分开 (c)

图 2a 展示了可能从电气装置的不同部分汲取功率的远程节点。对装置的任何变动(例如在维护工作期间)均可将 GPD 增大到超出接收器输入共模范围的程度。因此,现在可正常工作的数据链路可能会在将来停止运行。

也不建议通过地线直接进行远程接地(图 2b),因为直接连接会导致大接地环路电流以共模噪声的形式耦合到数据线路。

为了实现远程接地的直接连接,RS-485 标准建议通过插入电阻器将器件地与局部系统地分开(图 2c)。尽管这种方法可减少环路电流,但是大接地环路的存在会使数据链路对环路某个位置产生的噪声敏感。因此,还不能确保数据链路的稳定性。

要在稳定的 RS-485 数据链路上远距离承受高达几千伏 GPD,理想方法是将总线收发器的信号和电源线与其本地信号和电源进行电隔离。在这种情况下,电源隔离器(例如隔离式直流/直流转换器)和信号隔离器(例如数字电容隔离器)可防止电流在远程系统地之间流动,并避免产生电流环路。

5.RS-485 的长度和速度建议值是什么?

在给定数据速率下,最大总线长度受到传输线损耗和信号抖动的限制。由于波特周期内具有 10% 或以上的抖动,数据可靠性会急剧下降。图 3 显示了传统 RS-485 电缆在 10% 信号抖动下的电缆长度与数据速率的特性曲线。

3.png

图 3:电缆长度与数据速率建议

在图 3 中,标记为编号 1 的圆圈代表在短电缆长度下的高数据速率区域。在这里,传输线路的损耗可以忽略不计;数据速率主要由驱动器的上升时间决定。尽管该标准的建议值为 10Mbps,但当今的快速接口电路可以高达 50Mbps 的数据速率运行。

图 3 中的红色编号 2 区域是从短数据线路到长数据线路的过渡。较长传输线路的损耗必须考虑在内。因此,随着电缆长度的增加,数据速率必须降低。根据经验,线路长度 [m] 与数据速率 [bps] 的乘积应该是 108

红色编号 3 代表较低频范围,在此范围内,电缆串联电阻和线路末端端接之间的相互作用导致信号衰减。在某个时刻,信号幅度小于接收器可以正确检测到的幅度(即,不超过 VIT 阈值)。

THVD1424 收发器具有 SLR(压摆率控制)引脚,支持由系统设计人员用于低速(最大 500kbps)和快速(最大 20Mbps)应用。

6.如何估算 RS-485 的功率损耗?

要计算功率损耗,您可以将功率分成几个部分。当器件在没有外部负载的情况下上电时,则该集成电路本身消耗功率;如果您在其输出引脚上添加负载,该器件会提供驱动负载的功率。由于 RS-485 具有差分信号,负载通常加在 A 和 B 引脚之间。

在图 4 中,蓝色迹线 PDic 是器件消耗的功率。对于低数据速率,功率损耗主要来自阻性负载(红色迹线)PDdc。对于高数据速率,需要考虑容性负载的功率损耗(绿色迹线)PDac。

4.png

图 4:不同功率损耗部分的计算

公式 3 计算总功率损耗,具体如下:

PDtotal = PDic + PDdc + PDac                      (3)

要计算总功率损耗,首先必须计算各个部分消耗的功率。公式 4 计算器件功率损耗,其中静态电源电流 Icc 在数据表中指定:

PDic = Vcc*Icc                                    (4)

如果总线上放置了阻性负载,驱动器会在阻性负载上产生电压 (Vod),如公式 5 和 6 所示,其中 C 是寄生电容,包括收发器电容、负载电容和引线电容。计算中也会用到数据频率 f。

PDdc = Vcc*I – I2*R = (Vcc – I*R)*I                           (5)

PDac = 2*2C*f*Vcc*Vod                              (6)

请参阅文章“如何计算高速 RS-485 收发器的功率损耗”。

7.如何保护 RS-485 接口免受静电放电 (ESD) 的影响?

ESD 保护可分为几种类型,包括人体放电模型、国际电工委员会 (IEC) 接触放电和 IEC 气隙放电。如果收发器集成了 IEC ESD 保护(例如 TI 的 THVD1450THVD1500),则无需外部元件来保护 RS-485 接口免受收发器指定级别 ESD 影响。

例如,无需任何外部元件,THVD1450 即可提供 18kV IEC 61000-4-2 接触放电保护。然而,市场上的许多器件没有集成这种保护功能,所以会需要外部瞬态电压抑制 (TVS) 二极管。请参阅文章 “如何根据额定电压为 RS-232、RS-485 和 CAN 选择 TVS 二极管”。

8.如何判断是否需要外部 TVS 二极管?

工业网络必须在恶劣环境中可靠运行。由 ESD、感性负载切换或雷击引起的电过应力瞬态会破坏数据传输并损坏总线收发器,除非采取有效措施来减少瞬态影响。

TI 器件已根据以下标准进行了测试:

  • ESD 抗扰度测试 IEC 61000-4-2,这项测试会模拟操作员直接向相邻电子元件进行静电放电。THVD1500 和 THVD1450 经测试符合此项标准。

  • 电气快速瞬变 (EFT) 或突发抗扰度测试 IEC 61000-4-4,这项测试会模拟由感性负载中断、继电器触点跳动等引起的日常开关瞬态。THVD1450 和 THVD1550 经测试符合此项标准。

  • 浪涌抗扰度测试 IEC 61000-4-5 是涉及电流和持续时间的非常严格的瞬态抗扰度测试,比 ESD 和 EFT 测试时间长约 1,000 倍。THVD1429 和 THVD1419 经测试符合此项标准。

TI 的 THVD 系列全新 RS-485 收发器根据这些标准集成了各种级别的保护,并且不需要额外的外部保护。保护级别在器件的数据表中指定。

9.如何在发生较高电压的短路时提供保护?

在许多 RS-485 应用中,通信线路可能会意外连接到电源线上,尤其是在 HVAC 系统、照明控制或其他楼宇自动化应用等现场安装的系统中。在这些情况下,必须确保 RS-485 收发器不会发生损坏,从而避免被退回或重新安装而增加费用。

虽然 TVS 二极管等钳位器件能够限制瞬态事件期间收发器所承受的最大电压,但通常无法对持续时间较长的应力(例如直流短路)提供保护。这时,需要某种串联限流元件。一种典型的方法是使用正温度系数 (PTC) 电阻器,这种电阻器在标称条件下具有低阻值,但在有大电流通过的故障条件下(例如,流入 TVS 等钳位器件),电阻就会变大。在 TI 参考设计“保护 RS-485 收发器免受持续高电压/电过应力影响的参考设计”中,可以看到使用 THVD1500 收发器的实现示例。

但是,使用这些额外的串联限流和并联电压钳位器件可能成本很高,并且会占用宝贵的 PCB 空间。因此,大多数情况下的更优方法是使用能够承受这些高故障电压而无需外部保护的收发器。THVD2450 就是一个例子,它可承受高达 +/- 70V 的直流短路。

如您还有其他问题,欢迎在E2E论坛评论区告诉我们,我们将予以回复以帮助您应对 RS-485 设计挑战。

关于德州仪器 (TI)

德州仪器 (TI) (纳斯达克股票代码:TXN) 是一家全球性的半导体公司,致力于设计、制造、测试和销售模拟和嵌入式处理芯片,用于工业、汽车、个人电子产品、通信设备和企业系统等市场。我们致力于通过半导体技术让电子产品更经济实用,创造一个更美好的世界。如今,每一代创新都建立在上一代创新的基础之上,使我们的技术变得更小巧、更快速、更可靠、更实惠,从而实现半导体在电子产品领域的广泛应用,这就是工程的进步。这正是我们数十年来乃至现在一直在做的事。 欲了解更多信息,请访问公司网站www.ti.com.cn