作者:Antoniu Miclaus,系统应用工程师和Doug Mercer,顾问研究员
目标
在本次实验中,将使用红外LED和NPN光电晶体管构建光耦合器。还将研究基于光耦合器的模拟隔离放大器和使用集成光耦合器的浮动电流源的工作原理。
NPN型晶体管光耦合器
背景知识
光耦合器或光隔离器是一种电子器件,通过发射光穿过其输入和输出之间的电气隔离栅来传输电子信号。光耦合器的主要目的是防止隔离栅一侧的高电压或电压尖峰损坏组件或干扰传输到另一侧的信号。市售光耦合器可以承受3 kV至10 kV的输入-输出电压,以及速度高达10 kV/µs的电压瞬变。该器件一般在一端集成红外LED作为输入,在另一端集成光电探测器(例如光电二极管或光电晶体管),并在两者之间加设隔离栅,如图1所示。当LED关闭时,也就是不发光时,没有光电流进入晶体管基极,晶体管关闭。当LED中有电流流过时,就会发光,会有足够的光电流进入晶体管基极,晶体管开启。

图1.NPN型晶体管光耦合器。
构建指南
本实验的第一步是使用ADALP2000模拟部件套件中的红外LED和NPN光电晶体管构建自己的光耦合器。如果您不使用部件套件来进行实验,可以使用相似器件来代替,但实验结果会因选择的器件而异。

图2.QED123红外LED。

图3.QSD123红外晶体管。
首先,将LED和光电晶体管的引线弯曲90°,这样插入无焊试验板时,它们彼此相对且处于同一高度。为了保证它们正确对齐,并阻止杂散环境光进入,最好使用短管或切割到合适宽度的黑色绝缘胶带,缠绕LED和光电晶体管组合体,如图4所示。

图4.构建好的耦合器。
材料
►ADALM2000主动学习模块
►无焊试验板
►跳线
►两个2.2 kΩ电阻
►一个单通道运算放大器,例如OP27
说明
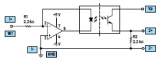
在无焊试验板上构建图5所示的电路。注意,NPN光电晶体管配置为电流吸收器,其发射极接地。注意,光电晶体管的两根引线中,较长的是集电极,两根LED引线中较短的一根接地。仔细查看组件数据手册,确保连接正确。

图5.光耦合器输入-输出特性电路。
硬件设置
配置波形发生器生成100 Hz三角波,峰峰值幅度为3 V,偏移为2.5 V。两个示波器通道均应设置为每格1 V。
程序步骤
示波器通道1用于测量电阻R1两端的电压,从而测得LED的输入电流。示波器通道2用于测量电阻R2两端的电压,从而测得NPN型晶体管的输出集电极电流。电流传输比(CTR)就是这两个电流的比值。CTR用于衡量器件的增益、效率或灵敏度。

图7.光耦合器Scopy图波形。
说明
现在,将示波器通道1的1–输入移动到接地。然后,将示波器通道2的2+输入移动到光电晶体管的集电极,将示波器输入2–移动到接地。
配置波形发生器生成5 kHz方波,峰峰值幅度为5 V,偏移为2.5 V。两个示波器通道均应设置为每格1 V。
程序步骤
示波器通道1现在测量输入信号,示波器通道2测量输出信号。光耦合器的速度可以通过输入和输出波形之间的延迟进行表征。衡量器件速度的另一个指标是输出波形的上升和下降时间。测试光耦合器的频率响应还有一种方法:使用Scopy软件中的网络分析仪。将频率扫描范围设置为10 Hz至100 kHz。将AWG峰峰值幅度设置为2 V,AWG偏移设置为3 V,或者直流偏移作为耦合器电路的输出信号中心时的电压。

图6.光耦合器试验板连接。
使用电压-电流转换器驱动LED
将LED置于作为电压-电流转换器的运算放大器的反馈回路中,可以大大降低LED的非线性带来的影响。
说明
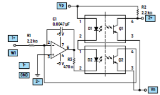
调整您的无焊试验板,使其电路与图8所示的电路相似。注意,NPN光电晶体管现在配置为电流源,其集电极连接至正5 V电源Vp。这是为了表明:如何配置晶体管端子上的电压其实无关紧要。

图8.电压-电流LED驱动器。
硬件设置
配置波形发生器生成100 Hz三角波,峰峰值幅度为3 V,偏移为2.5 V。两个示波器通道均应设置为每格1 V。
程序步骤
对图5中由电阻驱动的简单电路版本执行相同的测量操作。将AWG波形切换为方波,然后测量延迟、上升和下降时间,并记录在实验报告中。将AWG波形切换为正弦波(与之前一样,1 kHz频率),再次测量谐波失真。注意调整AWG幅度和偏移,以得到和之前电路相似的输出波形。

图10.电压-电流LED驱动器示波器波形。
模拟隔离放大器
要构建线性度更高的放大器,可以使用两个匹配的光耦合器。最好在此电路中使用集成版本。
之前的电压-电流配置降低了LED的非线性度。如果我们在反馈回路中增加一个光电晶体管,即可降低光电晶体管的光电转换特性导致的非线性影响。
材料
►两个NPN光耦合器(参见附录查看具体器件选项)
►一个0.0047 μF电容(472)
►一个470 Ω电阻
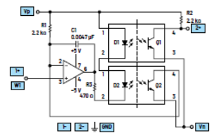
说明
在无焊试验板上构建图11所示的电路。光耦合器的实际布线可能因使用的封装类型而异(4引脚封装或6引脚封装等)。图中所示的引脚数量一般是4引脚封装的标准数量。注意参考制造商数据手册了解如何正确连接器件。

图9.电压-电流LED驱动试验板连接。

图11.单极性电压输入。

图12.双极性电压输入。
硬件设置
与之前的两种配置一样,先设置波形发生器生成100 Hz三角波,峰峰值幅度为4.8 V,偏移为2.5 V。两个示波器通道均应设置为每格1 V。
程序步骤
重复对之前两个电路版本执行的相同测量操作。将AWG波形切换为方波,然后测量延迟、上升和下降时间。将AWG波形切换为正弦波(与之前一样,1 kHz频率),再次测量谐波失真。注意调整AWG幅度和偏移,以得到与之前电路相似的输出波形。
问题:
1. 能否说出使用光耦合器的优势?
2. 能否说出光耦合器的若干实际应用?
您可以在学子专区论坛上找到答案。
关于ADI公司
Analog Devices, Inc. (NASDAQ: ADI)是全球领先的半导体公司,致力于在现实世界与数字世界之间架起桥梁,以实现智能边缘领域的突破性创新。ADI提供结合模拟、数字和软件技术的解决方案,推动数字化工厂、汽车和数字医疗等领域的持续发展,应对气候变化挑战,并建立人与世界万物的可靠互联。ADI公司2022财年收入超过120亿美元,全球员工2.4万余人。携手全球12.5万家客户,ADI助力创新者不断超越一切可能。更多信息,请访问www.analog.com/cn。
关于作者
Antoniu Miclaus现为ADI公司的系统应用工程师,从事ADI教学项目工作,同时为Circuits from the Lab®、QA自动化和流程管理开发嵌入式软件。他于2017年2月在罗马尼亚克卢日-纳波卡加盟ADI公司。他目前是贝碧思鲍耶大学软件工程硕士项目的理学硕士生,拥有克卢日-纳波卡科技大学电子与电信工程学士学位。联系方式:antoniu.miclaus@analog.com。
Doug Mercer于1977年毕业于伦斯勒理工学院(RPI),获电子工程学士学位。自1977年加入ADI公司以来,他直接或间接贡献了30多款数据转换器产品,并拥有13项专利。他于1995年被任命为ADI研究员。2009年,他从全职工作转型,并继续以名誉研究员身份担任ADI顾问,为“主动学习计划”撰稿。2016年,他被任命为RPI ECSE系的驻校工程师。联系方式:doug.mercer@analog.com。