低功耗 2通道 24位 生物电势测量模拟前端芯片
产品概况
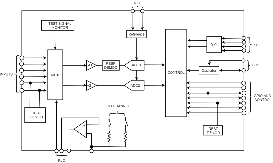
SC2946 集成了便携式低功耗心电图应用的所有特性,内置 2 通道 24 位 Delta-Sigma (ΔΣ) 模数转换器 (ADC)、可编程增益放大器 (PGA)、内部参考和振荡器。
SC2946 具有灵活的输入多路复用器,可以独立连接到内部生成的测试信号,温度检测和断线检测。用户可以对内置的右腿驱动电路在两通道间进行灵活的配置,并且可以选择是否在电极端口使用上/下拉电流用于断线检测。SC2946 同时支持呼吸检测,其输出数据速率最高可达 16KSPS。
01. 主要性能
◎ 两通道低噪声 PGA 和高分辨率 ADC
◎ 功耗:340μW/通道
◎ 输入参考噪声:8μVPP (150Hz BW, G = 6)
◎ 输入偏置电流:200pA
◎ 数据速率:125SPS 至 16kSPS
◎ 共模抑制比 CMRR:120dB
◎ 可编程增益:1, 2, 3, 4, 6, 8, 12,16,24,32,64,96
◎ 振荡器初始精度:
• ±0.5% (25℃)
• 温漂 ±1% (-40℃ ~ 85℃)
◎ 供电:单极性
• 模拟:2.7V 至 3.6V
• 数字:1.7V 至 3.6V
◎ 内置右腿驱动放大器、导联检测与测试信号
◎ 内置呼吸检测电路
◎ 内置参考
◎ 低功耗模式和待机模式灵活转换
◎ 兼容 SPI 的串行接口
◎ 工作温度范围:-40℃ 至 125℃
02. 应用场景
医疗器械(心电图)包括:
病人监测:动态心电图,活动、压力测试和生命体征包括心电图,AED 和远程医疗
体育健身:心跳,呼吸,心电图
高精度数据采样
03. 功能模块示意图

关于芯炽科技
上海芯炽科技集团有限公司2019年8月成立,核心业务聚焦在高端模拟集成电路研发和应用,其产品广泛用于智能汽车、新能源、通信、工业控制、医疗器械、精密仪器以及各类高端消费电子等领域。
上海芯炽坚持正向设计和源头创新,致力于为客户提供国产高性能、高品质模拟集成电路产品。公司技术积累深厚,研发实力强,产品种类齐全,产品线涵盖各类模数转换器 (ADC)、数模转换器 (DAC)、运算放大器、高速接口电路等,有消费、工业、车规等不同产品等级。此外,公司还可为客户提供定制化设计服务,以满足特殊技术和产品需求。
上海芯炽已量产近百款模拟芯片产品,并不断推出新产品,持续丰富各条产品线。
芯怀天下,炽殷未来!
来源:芯炽集团