产品概要
● +5V低压供电、高线性驱动放大器系列
近日,博瑞集信推出驱动放大器系列产品,该系列产品频段覆盖0.4GHz~5GHz,通过简单的外围匹配实现不同带宽下的应用。
该系列产品具有高线性、高可靠性和应用灵活等特点,可广泛应用于卫星通信、数据链和通用无线设备。
● 该系列产品汇总表

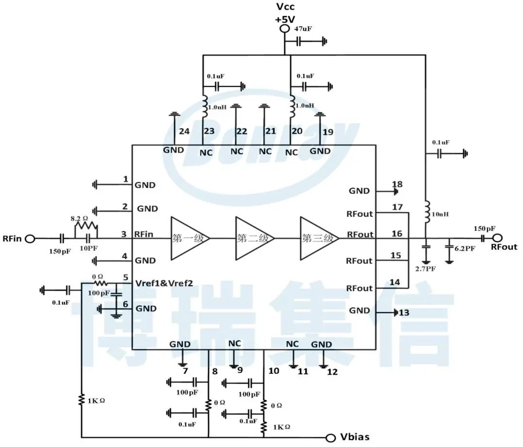
BR9546FPJ简介
工作频率:1.5GHz~2.4GHz
小信号增益:35.7dB@1.6GHz
输出1dB压缩功率:36.2dBm@1.6GHz
PAE@OP1:39.6%@1.6GHz
Vcc=+5V,静态工作电流99mA
封装形式:QFN24(4mm×4mm)
射频特性


典型工作特性


典型应用电路图

封装外形

关于博瑞集信
博瑞集信是一家国内领先的自主可控核心芯片和特种通信设备提供商。凭借经验丰富的团队、完备高效的平台、先进可靠的工艺,已在自主可控射频微波领域处于业界领先水平。公司专注于通信、雷达、航空电子等领域的核心芯片及关键模块的研发、生产与销售,通过提供完全自主可控的创新技术与完整的产品解决方案,能够灵活满足不同用户的个性化需求及快速创新需要。
来源:博瑞集信