4月15 日 - 17日,MPS携“汽车智驾、绿色能源、人工智能、新型工业”四大主题,惊艳亮相慕尼黑上海电子展。MPS 工程师团队为现场观众展示了 60+ 最新产品Demo,涵盖汽车雷达、智能座舱、传感器、电机驱动、储能BMS、SiC 新品、AI解决方案、ACDC、电源模块、隔离电源、ADC、音频功放、工业电机等多个领域的前沿技术和专业解决方案! 下面,我们就一起来看看这些丰富的展品有哪些亮点吧~

汽车展区
MPS 的汽车展区呈现了全方位的汽车电源解决方案,在为汽车电气化发展提供充沛、安全动力的同时,也致力于实现更加智能化的驾驶体验。高性能ADAS方案,为SoC核心电源轨供电,护航智驾步入超级芯片时代。明星产品 MPQ86960-50A Intelli-Phase™ DrMOS,可实现超高功率密度和效率;MPQ2967 控制器采用ACOT PWM(ACP™)技术可实现快速瞬态响应。
更有高效紧凑的汽车雷达电源,先进的汽车娱乐影音,48V 域控制(ZCU),车载充电等方案率先抢跑,强势吸睛!
高级驾驶辅助系统(ADAS)方案

汽车雷达解决方案
48V 前灯解决方案
汽车娱乐影音系统方案
高集成度 PMIC 摄像头供电方案
车载充电(OBC)方案

单相、三相风扇驱动器

汽车传感器:动态扰流板及测试平台

新能源展区
MPS 的新能源展区涵盖了 BMS 解决方案,如 MP279x 系列 AFE、MPF4279x 电量计等产品,适用于电动自行车和电摩、轻型电动汽车、储能、UPS应用等场景;同时展示了 SiC 与隔离产品解决方案,可覆盖服务器电源、UPS电源、OBC牵引逆变器、光伏逆变器/优化器、储能、48V DCDC 空调压缩机等多元应用。
用于高功率电池的完整 BMS 解决方案


新材料碳化硅(SiC)解决方案
MPS 的 SiC SpeedFin功率器件,可支持耐压 650V-1700V,其可靠性与 Si 器件相当,具备优于GAN 2倍以上的击穿电压,相比于传统Si MOSFET 方案能降低10倍损耗,相比主流SiC MOSFET 方案层数能降低 40%。

隔离电源解决方案
MPS 拥有一整套隔离解决方案,包含MP(Q)18831等隔离驱动器、MP(Q)18913和MID1W2424 等隔离电源模块/隔离电源、MP(Q)279xx 系列数字隔离器等。MPS的隔离方案与主流方案P2P,兼容性强,较宽的驱动偏置范围使客户FET选择更灵活(兼容SiC/GAN/IGBT),更高的拉电流和灌电流使效率更高。
人工智能展区
人工智能应用的快速发展让48V 新型供电架构备受关注,它能够更好地承载AI高性能计算的发展需求。MPS 本次展出的服务器电源方案和48V AI 模块供电方案,包含了近期推出的一系列新产品。
48V AI 模块供电方案
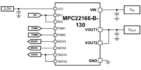
垂直供电解决方案:4mm,130A,高效率的AI模块产品MPC22166-B

水平供电解决方案:8mm,130A,新结构,高效率的MPC22157

工业展区
MPS 在工业领域具有非常丰富的解决方案,包括ACDC电源产品、电源模块产品、 ADC方案、音频功放控制器,电机驱动和传感器产品等。
模块化电源:工业新领域完整解决方案
MPS 的 2000A 大电流解决方案,包含 MP3699 和 MP3698 等产品,可以为 AI 算力、大功耗芯片老化机和 FPGA 提供专用大电流解决方案。

ACDC 电源:适用于多场合的 ACDC 电源方案
MPS 高峰值功率的高效电源方案HR12xx,100W 集成氮化镓(GaN)解决方案等多元ACDC电源方案。

工业电机:驱控一体化电机、电机驱动解决方案
MPS 带来了高性能、一体化方案,助力机器人灵巧手设计,包含高性能电机MCU MPF66XXX,三相 BLDC 电机驱动 MP6543H,以及高精度传感器 MA600 等产品。其中,MA600 是专用于运动控制的高灵敏度、高带宽、高分辨率的磁性位置传感器,能够帮助实现机器人执行单元的精确位置定位。

另外,MPS现场展示了空心杯一体化电机、驱动器等解决方案。
模数转换器:X 射线扫描探测器 ADC 方案、工业级高速 ADC 方案
MDC91128是应用于X射线扫描探测器的128通道光电二极管输入ΔΣ ADC,MDC97476 是工业级高速12位 ADC,采用超节省空间的 SOT-23 封装。

音频功放控制器:数字D类音频放大器
D类数字音频功放控制器包含2通道的AX5688和4通道的AX5689,具有超低音频失真、低静态功耗与发热、全数字环路设计、功率级灵活搭配实现功率可调等优势。

如您想要了解更多产品详情
欢迎私信或留言咨询~









