作者:Franco Contadini,主管工程师
摘要
电源管理集成电路(PMIC)有益于简化最终应用并缩小其尺寸,也因此备受青睐。然而,当默认启动时序和输出电压与应用要求不符时,就需要定制上电设置。大多数情况下,电路没有可以存储这些设置的非易失性存储器(NVM)。对此,低功耗微控制器是一个很好的解决方案,其功能特性和所包含的工具可以在上电时对PMIC控制寄存器进行编程,而不需要开发固件。本文将探讨如何使用工具链来解决集成难题。该工具链无需开发固件,能够简化PMIC的定制过程,并显著缩短开发周期。
简介
为了减小手持设备、智能相机和其他便携式设备的尺寸并降低成本,设计时需使用高度集成且功能强大的器件。MAX77714是一款高度集成的PMIC,包含多个降压转换器、低压差(LDO)稳压器、通用输入输出(GPIO)和实时时钟(RTC),可用于生成应用所需的所有电源轨。
灵活的时序控制器支持针对目标应用定制上电和关断时序。
这款PMIC提供的几种VOUT/时序控制器选项(由完整产品型号定义)不符合应用要求。为了提高灵活性,可以使用低功耗微控制器作为替代解决方案。该器件可以在上电时唤醒,对器件寄存器进行编程,然后休眠以节省电力。
要求高集成度的中等规模应用需要采用现成器件的简单解决方案,并根据需求定制操作。
硬件设计人员一直希望能够拥有可以自动生成固件代码的工具,让他们可以在前期开发时避免涉及软件资源,同时还能优化资源的使用。
MAX28200
MAX28200是一款低功耗、小尺寸(1.7 mm × 1.8 mm)RISC微控制器,带有多种外设。对于此应用,我们使用两个GPIO引脚作为位触发I2C主机。
电源电压最高为3.6 V,因此如果输入电压超过3.6 V,则使用始终开启的LDO稳压器为微控制器供电。该器件可以通过I2C节点接口进行编程。
MAX77714
MAX77714(图1)是一款高度集成的PMIC,包含四个降压转换器、九个LDO稳压器、八个GPIO、一个RTC和一个灵活的电源时序控制器(FPS)。降压转换器和LDO稳压器按照默认时序和电压上电,并遵循电压轨规范。用户可以通过I2C嵌入式接口进行修改。然而,在大多数情况下,我们需确保默认时序和电压与连接到PMIC的器件的要求相匹配;如果电压超过其最大额定值,器件可能会损坏。
上电和关断时序也很重要,因为现场可编程门阵列(FPGA)等器件为了正常运行,需要按照正确的时序使能和禁用电压。图2为默认上电时序。共有八个时隙,电压可以在任意一个时隙中使能。该器件可以由高达5.5 V的电压供电。

图1.MAX77714简化功能框图。

图2.MAX77714EWC+默认上电时序。
器件接口
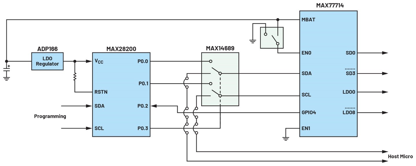
P0.0和P0.1用于生成针对PMIC的I2C事务;P0.2负责监控GPIO4的状态;P0.3利用SPDT开关选择I2C主机(MAX28200或主机微控制器)。模拟开关是选配项,仅在主机微控制器需在上电后控制PMIC时才需要配置(见图3)。

图3.MAX28200和MAX77714与MAX14689和ADP166连接。
上电复位(POR)如图4所示:
1. P0.3置为低电平,选择该器件作为PMIC的I2C主机。
2. 写入以下所需的数据寄存器。
3. P0.3置为高电平,选择主机微控制器作为I2C主机,该器件进入休眠模式。
4. P0.2连接到GPIO4,用于在关断时唤醒器件并对寄存器重新编程。
请注意,在配置结束时,必须将GPIO4置为高电平。
一旦使用EN0和EN1信号使能PMIC,它就会以新的时序/电压配置上电。

图4.MAX28200程序流程。
MAX77714上电和关断时序由此处提供的MAX77714 GUI定义。
使用“GUI导入/导出”选项卡,可以将寄存器值导出为Excel文件。
在展示如何使用GUI EVKIT之前,我们需要先知道哪些寄存器对于定制启动很重要。
MAX77714寄存器详细信息
降压转换器
每个降压转换器实例都有三个相关寄存器(SDx_CNFG1、SDx_CNFG2和SDx_CNFG3),用于定义启动电压、斜坡速率和工作模式。
CNFG1用于设置输出电压,7位至8位位域如下:
VSD0 = 0.26 V + ((SD0VOUT[6:0] - 1) × 10 mV) 范围为0.26 V到1.56 V
VSD1 = 0.26 V + ((SD1VOUT[6:0] - 1) × 10 mV) 范围为0.26 V到1.56 V
VSD2 = 0.6 V + (SD2VOUT[7:0] × 6.25 mV) 范围为0.6 V到2.194 V
VSD3 = 0.6 V + (SD3VOUT[7:0] × 12.5 mV) 范围为0.6 V到3.7875 V
CNFG2和CNFG3寄存器用于选择斜坡速率(2.5 mV/μs或10 mV/μs)、使能/禁用主动放电、使能/禁用跳频模式、选择响应时间和过压阈值。
LDO电压调节器
每个LDO稳压器实例都有两个相关寄存器(LDO_CNFG1_Lx和LDO_CNFG2_Lx)。
CNFG1设置输出电压:
LDO0和LDO1为0.8 V至2.375 V。
VLDO = 0.8 V + (VOUT_LDO[5:0] × 25 mV)
LDO2、LDO3、LDO5、LDO6、LDO7、LDO8为0.8 V至3.95 V
VLDO = 0.8 V + (VOUT_LDO[5:0] × 50 mV)
LDO4为0.4 V至1.275 V
VLDO = 0.4 V + (VOUT_LDO[5:0] × 12.5 mV)
CNFG2用于使能/禁用过压箝位、使能/禁用自动低功耗模式、使能/禁用主动放电、选择快速/慢速启动。
GPIO
每个GPIO实例都有一个相关寄存器CNFG_GPIOx,该器件负责选择方向GPO/GPI、输出类型(开漏/推挽)和输出驱动电平(若为GPO),以及输入驱动电平、中断行为和去抖动配置(若为GPI)。
FPS
时序由xxxFPS寄存器定义,LDO0FPS至LDO8FPS用于线性稳压器,SD0FPS至SD3FPS用于降压转换器,GPIO0FPS、GPIO1FPS、GPIO2FPS、GPIO7FPS用于GPIO,RSTIOFPS用于复位。
FPS[2:0]用于设置关断时隙(SLOT0至SLOT7)
FPS[5:3]用于设置上电时隙(SLOT0至SLOT7)
FPS[7:6]用于设置分配的时序控制器(FPS0、FPS1)
FPS0由EN0使能,FPS1由EN1使能
上电和关断时隙的大小可以利用MSTR_PU_PD寄存器指定:
MSTR_PU_PD[2:0]用于指定关断时隙,MSTR_PU_PD[6:4]用于指定上电时隙
可能的步长为:31 μs、63 μs、127 μs、253 μs、508 μs、984 μs、1936 μs、3904 μs,MAX77714EWC+的默认值为3904 μs。
GUI实际应用
在图5中,已利用GUI将SD0的输出电压修改为0.7 V。

图5.用于修改SD0电压的GUI。
SD0上电和关断时序已修改为时隙2(图6)。

图6.用于修改SDO时隙号的GUI。
GPIO4已配置为推挽输出,驱动电平为高电平(图7)。

图7.用于配置GPIO4的GUI。
最后,使用“导入/导出”选项卡将修改后的寄存器值导出为Excel文件(图8)。

图8.用于导出寄存器值的GUI。
以下是生成的.csv文件(图9)。

图9.MAX77714 .csv文件的格式。
请注意,如果必须在上电期间对连接到I2C的其他器件进行编程,用户可以使用相同格式将其他命令附加到.csv文件。
从.csv文件创建I2C主机固件
您可以点击此处获取MAX28200 GUI,按照以下步骤可对器件进行编程:
1. 从.csv文件构建.hex文件(图10)。
2. 对器件进行编程(图11和图12)。

图10.从原始.csv文件构建.hex文件。

图11.使用选定脚本对器件进行编程。

图12.使用数据模式对器件进行编程。
对建议解决方案进行测试
一旦在上电时使用MAX77714.hex进行编程,P0.3就会置为低电平,以将MAX77714 I2C线连接到MAX28200,并使用新值对SD0和GPIO4寄存器进行编程(图13)。

图13.MAX77714 SD0和GPIO4寄存器已用新值进行编程。
现在,当MAX77714使能时,EN0置为高电平,SD0将按照编程设定,以0.7 V在时隙2上电。图14为寄存器写入之前上电(a)和寄存器写入之后上电(b)的情况。

图14.SDO在寄存器写入之前和之后上电。(a)寄存器写入之前上电。(b)寄存器写入之后上电。
结论
MAX28200是一款颇具吸引力的微控制器解决方案,能够为PMIC提供上电设置。此过程可以使用工具来自动执行,无需设计人员编写任何代码。对于不熟悉软件的硬件设计人员来说,这是一个非常方便的解决方案。微控制器就像黑匣子一样,工作时无需固件设计人员参与。设计人员可以使用针对特定应用定制的现成器件来达到集成目标。
关于ADI公司
Analog Devices, Inc. (NASDAQ: ADI)是全球领先的半导体公司,致力于在现实世界与数字世界之间架起桥梁,以实现智能边缘领域的突破性创新。ADI提供结合模拟、数字和软件技术的解决方案,推动数字化工厂、汽车和数字医疗等领域的持续发展,应对气候变化挑战,并建立人与世界万物的可靠互联。ADI公司2024财年收入超过90亿美元,全球员工约2.4万人。ADI助力创新者不断超越一切可能。更多信息,请访问www.analog.com/cn。
作者简介
Franco Contadini拥有超过35年的电子行业从业经验。在从事电路板和ASIC设计工作10年之后,他成为现场应用工程师,为工业、电信和医疗客户提供支持,主要负责电源和电池管理、信号链、加密系统和微控制器等相关业务。Franco撰写了多篇关于信号链和电源的应用笔记和技术文章。在意大利热那亚国际信息学院学习期间,他主修电子学。