电池储能系统 (BESS) 在住宅、商业、工业和电网储能的管理中发挥着重要作用。在现代 BESS 中,电池管理系统 (BMS) 如同电池组的大脑,监测电压、电流和温度等参数,并深入了解充电状态(评估可用剩余电量)和运行状况(评估电池芯的整体状态和老化程度)。通过确保更好的电池监测器的精度并增强系统级安全性,BMS 可以有效维持能源使用效率,延迟电池的过早老化,从而延长 BESS 寿命。
确保电池监测器的精度
电池组监测器不仅可以提高电芯电压测量的精度,还有助于改善荷电状态估算和过压保护。荷电状态算法和其他高压系统诊断还需要准确报告电池组电压和电流。
磷酸铁锂 (LiFePO4) 电池因其可靠性和合理的成本而成为 BESS 中常用的电池类型,其高精度测量与系统运行的可靠性直接相关。LiFePO4 电池的电压曲线特征明显,在大部分有用容量内,充放电曲线基本保持平坦,从而在充电结束之前提供更稳定的工作电压;而当达到充电终点时,电压水平会迅速下降。如果未能检测到充放电曲线平坦区域的轻微电压变化,可能会增加荷电状态估算中出现误差的风险。
增强系统级安全性
各种因素会直接影响电池性能下降,包括过度充电和过度放电情况、高温、低温和充电电流过高。BMS 中的集成式监控和保护套件有助于降低这些情况的发生率。例如,集成式电芯均衡等功能可以通过确保电芯紧密均衡,防止较弱的“不均衡”电芯使整个电池组造成过载,从而大大延长电芯整体寿命。精确平衡和高精度电芯测量可缓解并检测电芯操作和调节中的低效情况。
在电池组的整个使用寿命期间,电芯之间的差异不断增加。随着电芯容量持续增加,在 ESS 中,仅采用被动均衡是不够的。主动电芯均衡和主动电池组均衡有助于延长 ESS 寿命并减少人工维护需求。
用于实现电池均衡的主动均衡设计方法使用双向隔离 DC/DC 转换器来实现能量传送,有助于提高整个系统的利用率。
实现长使用寿命
蓄电池的循环寿命随着每一代产品的更新,从 10,000 次提升到 12,000 次,甚至达到 15,000 次。这种增长有可能使产品的使用寿命在某一天达到 20 至 25 年。延长电池的使用寿命是 BESS 开发中的重要考虑因素,可帮助设计人员提供具有竞争力且高效的产品。
应用基础知识
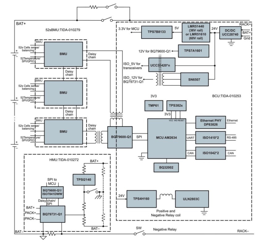
图 1 展示了一个 BESS 架构。此系统适用于基于锂离子和 LiFePO4 电池的高压 (1,500V) 电池系统,包含多套完 整系统解决方案的参考设计。
适用于储能系统的高达 1,500V 的可堆叠电池管理单元参考设计结合了多个电池管理单元,这些单元利用 BQ78706 堆叠式电池监测器通过冗余数据测量功能来检测电池故障。
接着,适用于储能系统的 1,500V 高压机架监控单元参考设计展示了一种高压监测单元 (HMU),该单元采用 BQ79731-Q1 电池组监测器来实现总线电压和电流的检测和测量,并集成冗余数据测量功能。电池控制单元 (BCU) 能够可靠地驱动系统开关,从而帮助维持系统安全。

图 1. BESS 架构方框图
实现精确的电池检测和可靠的系统架构
图 1 展示了 BCU 和 HMU 的组合如何用于实现系统级安全。HMU 中的 BQ79731-Q1 可实现高精度总线电压测量,最大精度为 ±3.16mV。该级别的精度水平有助于提高隔离阻抗测量和接触焊接检测的校准可靠性和操作简易性。BQ79731-Q1 还整合了连续采样模数转换器,具有低增益误差 (±0.065%) 和低失调电压 (-2.5µV 至 7.5µV)。 电压和电流测量诊断可通过使用安全机制(符合 TI 功能安全标准,达到汽车安全完整性等级 [ASIL] D)执行,这些机制由 BQ79731-Q1 提供支持,从而以可靠的测量结果实现系统级安全。
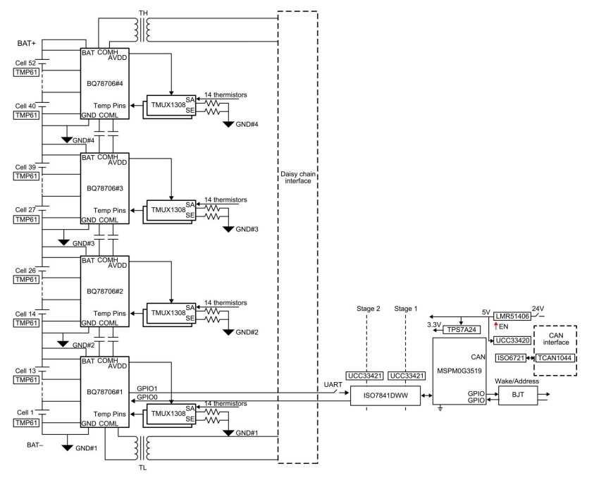
图 2 演示了适用于储能系统的 TI 电池控制单元参考设计,该设计采用 BQ78706 电池监测器,可在 –40°C 至 125°C 范围内实现 ±2.4mV 的电芯电压误差。该设计通过 TMUX 扩展和 TMP61 高精度(–25°C 至 65°C 时 ±1°C)热敏电阻传感器测量每个单独电芯通道的温度。在 BMU 中,将使用 BQ78706 的集成安全机制(符合 TI 功能安全标准 ASIL B 等级)诊断电芯电压和温度,以获得可靠的结果。基于 MSPM0G3519 的软件开发套件有助于简化设计过程,从而缩短上市时间。

图 2. 适用于储能系统参考设计的电池控制单元参考设计图(显示了可堆叠 BMU 架构)
BMU 和 HMU 设计符合国际电工委员会 62477-2 和美国保险商实验室 1973 加强绝缘的要求,最高可达 1,500V。该设计可与 ISO7841 和 UCC33421 等增强型隔离器配合使用,也可与超宽爬电变压器以菊花链方式连接,确保充分的系统级安全性。
结语
安全可靠的 BMS 对于提高 ESS 的使用寿命、效率以及最重要的安全性方面发挥着关键作用,尤其是在当前电池技术由锂离子电池转向 LiFePO4 化学电池及更先进的方案的趋势下。BMS 设计方法提供精确的数据监测,并实现所有 ESS 模式下的电池组和电芯级均衡,从而最大限度地提高对太阳能、风能等可再生能源的能源利用率,这有助于在用电高峰期间稳定电网运行、或在断电期间提供稳定的备用电力支持。
关于德州仪器
德州仪器(TI)(纳斯达克股票代码:TXN)是一家全球性的半导体公司,从事设计、制造和销售模拟和嵌入式处理芯片,用于工业、汽车、个人电子产品、企业系统和通信设备等市场。我们致力于通过半导体技术让电子产品更经济实用,让世界更美好。如今,每一代创新都建立在上一代创新的基础上,使我们的技术变得更可靠、更经济、更节能,从而实现半导体在电子产品领域的广泛应用。登陆 TI.com.cn 了解更多详情。