作者:安森美(onsemi) Prasad Paruchuri
工业设备正在向电动化转型,亟需稳健、可靠、高效的电池充电方案。从电动工具到重型机械,其充电器必须能够适应恶劣的环境和不同的电源(120-480 Vac),并在设计上优先考虑小型化、轻量化和自然对流散热。本文旨在为工程师提供设计此类关键系统的指导,重点讨论拓扑选择和器件选型,尤其是具有颠覆意义的碳化硅(SiC) MOSFET。
现代工业充电体系
工业电池充电器需要支持多种类型的化学电池,这是一个挑战。锂离子电池(尤其是12V-120V范围内的电池)已成为工业应用的主流选择(图1),驱动着从手持工具到物料搬运设备的一切应用。

图1.锂离子电池组的典型应用
典型的工业充电器架构包括两个关键电路级:
功率因数校正 (PFC):该前端确保高效利用交流电源,尽量减少谐波失真,并实现功率输出最大化。
隔离式 DC-DC 级:该级提供隔离以确保安全,并调节输出电压和电流,为电池精准充电。

图2.典型电池充电系统框图
充电过程通常由微控制器管理,以适应不同的电池特性。高频运行是快速充电和提高能效的关键。SiC MOSFET非常适合这种苛刻的环境。它能以高频运行,开关损耗极小,有助于实现紧凑、被动散热式设计——这在工业环境中是一个关键优势。
选择合适的拓扑:PFC级
功率因数校正(PFC)级对于高效率电源转换至关重要。如下是主要的拓扑选择:
1.升压PFC:
这种拓扑(图3)使用广泛,采用的元器件有EMI滤波器、桥式整流器、升压电感器、升压FET和升压二极管。安森美NCP1654/NCP1655这样的控制器通常用于管理功率因数并尽量减少总谐波失真(THD)。对于更高功率的应用,FAN9672/FAN9673等控制器的交错式PFC是更好的选择。
对于升压二极管,650V EliteSiC 二极管性能出色。SiC MOSFET 是高频率、大功率(2kW-6.6kW)应用的理想开关元件。针对较低功率应用(600W-1kW),可以考虑集成GaN驱动器的NCP1681图腾柱PFC控制器。频率较低时(20kHz-60kHz),可以使用硅超级结MOSFET或IGBT。在较高功率水平下,一个关键考虑因素是尽量减少桥式整流器的损耗。为提高能效,通常采用半无桥或图腾柱配置的有源开关(Si或SiC MOSFET)。

图3.升压PFC拓扑
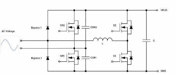
2. 图腾柱PFC:
图腾柱PFC拓扑(图4)消除了传统的桥式整流器,因此能效更高。它包含EMI滤波器、升压电感器、高频和低频半桥、栅极驱动器以及专用图腾柱PFC控制器(如NCP1681B)。

图4.图腾柱PFC拓扑
图腾柱PFC的高频桥臂需要一个低反向恢复时间的功率开关,因此SiC和GaN器件是理想选择。安森美建议,600W至1.2kW的应用采用集成GaN驱动器,1.5kW至6.6kW的应用采用SiC MOSFET。集成SiC二极管的IGBT可以在较低频率(20-40kHz)下使用。低RDS(on)硅超级结MOSFET或低VCE(SAT)IGBT 适用于低频桥臂。
针对较高的功率(4.0kW-6.6kW),请考虑交错式图腾柱PFC配置。安森美的650V EliteSiC MOSFET,例如适合3kW应用的NTH4L032N065M3S和NTH4L023N065M3S,以及适合6.6kW应用的NTH4L015N065SC1或SiC共源共栅JFET(如UJ4SC075009K4S),是高频桥臂的出色选择。NTHL017N60S5H或SiC组合式JFET(如UG4SC075005L8S)适用于低频桥臂。图5提供了一个基于SiC的3kW图腾柱PFC和LLC电源的实例。(图5所示为基于SiC的3kW图腾柱PFC和LLC电源示例。)
图5.基于SiC的3 kW 图腾柱PFC和LLC电源