产品介绍
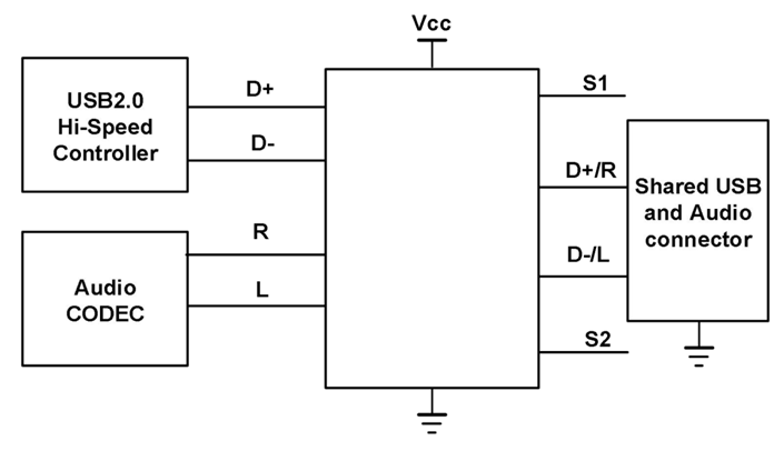
GT4321是一款为多路复用USB 2.0与负极性音频模拟信号而设计的双刀双掷(Double-Pole Double-Throw, DPDT)模拟开关。该芯片其中一个通道具有宽带宽(800 MHz)与低比特间偏移特性,能够以良好的信号完整性传输高速差分信号;另一个通道则具备2.5 Ω的极低导通电阻。两个开关通道均支持双向传输,且在输出端对信号几乎不产生衰减。凭借低通道电阻与低输入/输出电容的特性,该器件实现了低于250ps、业界领先的传播延迟,同时其优秀的通道间串扰抑制能力可有效降低噪声干扰。
这些特性使得该开关适用于手机、高保真音频信号切换、便携式检测仪器、USB 2.0高速数据切换及USB 3.x Type-C接口切换等场景中。
GT4321采用QFN1.4×1.8-10封装,工作温度范围为-40℃ ~ +125℃,适用于极端环境下的各类应用场景。

功能特性
电源电压:2.7 V ~ 5.0 V
-3 dB带宽:800 MHz(USB模式)
关断隔离度:-69 dB @ 1 MHz
串扰抑制:-87 dB @ 1 MHz
低导通电阻:
•音频模式:2.5 Ω(VCC= 3.6 V)
• USB模式:8.5 Ω(VCC = 3.6 V)
模拟信号范围:
•音频模式:VCC - 6.5 V ~ VCC - 2 V
• USB模式:0 V ~ VCC
公共D+/R、D-/L端口具有断电保护功能
产品优势
GT4321在音频模式下具极低导通电阻:2.5Ω
双通道开关芯片,具高速通道与低阻通道,适用于多种场景
总谐波失真较低,具良好信号完整性

典型应用

USB与音频共用接口拓展
关于谷泰微电子
江苏谷泰微电子有限公司是精密信号链芯片公司,致力于模拟芯片及高精度信号链芯片领域的产品设计与销售。公司拥有丰富多样的模拟芯片系列产品,广泛应用于工业控制、电动智能汽车、测试测量、再生新能源、智能制造、智能建筑、环境环保、数字健康医疗等产业领域。
来源:谷泰微









