圣邦微电子推出 SGM260320,一款集成三路 Buck、两路 LDO 及负载开关的高性能电源管理集成电路(PMIC)。该芯片凭借卓越的电气性能和丰富的功能特性,不仅能精准满足 SSD 系统对高能效和低待机功耗的核心需求,还能简化板级电路设计,并通过 OTP(一次性编程)和 I²C 接口实现智能控制,为 SSD 系统、FPGA、微控制器等终端设备提供高效供电方案,助力其实现智能化管理升级。
超强集成,单芯片解决多 Rail 供电
SGM260320 将多种电源功能集成在小巧的 WLCSP-2.42×2.82-36B 封装中,替代分立器件显著节省板级空间。
三路高性能 Buck 转换器:Buck1 支持最大 4A 输出电流,Buck2/Buck3 各支持 3A 输出电流,工作频率 1.125MHz 或 2.25MHz,输出电压精度 ±1%,调节电压范围覆盖 0.6V 至 2.991V 或 0.8V 至 3.9875V,可灵活调节,精细步长 9.375mV/12.5mV,精准匹配不同应用的电压需求。
两路高稳定 LDO:LDO1/LDO2 最大输出为 300mA,电压调节范围和步长与 Buck 一致,确保供电协同。
智能负载开关:Buck1 和 LDO1/LDO2 均可配置为负载开关,轻松应对 3.3V 总线等场景的供电切换需求,提升系统灵活性。
高效节能 + 灵活调控,性能全面拉满
效率与智能双优,让供电系统更可靠、更省心。
高能效表现:Buck 采用同步整流技术提升转换效率,3.3V 转 2.5V 效率高达 95%@1A,配合 COT 控制架构实现卓越瞬态响应。中重载时稳定运行于 PWM 模式以降低纹波,轻载时自动切换至节能模式(PSM),最大限度减少静态电流。用户可根据具体应用场景,灵活优化功耗、纹波和瞬态响应,降低待机功耗,其功耗表现完全满足 SSD 系统低待机功耗需求。
动态电压调节(DVS):三路 Buck 支持通过 I²C 接口、GPIO 引脚或睡眠模式触发等方式实现 DVS。可根据工作负载需求动态调整电压以优化功耗,电压转换无缝衔接。
出厂客制化配置:通过代码矩阵索引(CMI)预设参数,可针对不同需求编程配置每个通道的上电输入触发源(Trigger)、开启延时、默认电压等参数,4 个 GPIO 均支持 EXT_PG、DVS、SYS_EN、nRESET 等 8 种丰富的配置功能,无需改动硬件即可实现系统针对性优化,大幅提升适配效率。
I²C 智能控制:通过 1MHz 高速 I²C 接口,可实时调节输出电压、开关频率等关键参数,同时支持电源状态监控,实现电源良好(PG)、过压(OV)、欠压(UV)、过流(OC)等多种故障预警。
全场景稳定适配:输入电压范围 2.7V 至 5.5V,支持 -40℃ 至 +125℃ 宽温工作,无论是消费电子还是工业设备场景,均能保持稳定可靠运行。
多重保护,供电安全无忧
内置全方位保护机制,为设备提供坚实可靠的安全保障。
输入过压/欠压(OV/UV)、输出过压/欠压(OV/UV):精准监控电压波动,避免异常电压波动影响器件和负载。
输出过流(OC)、短路保护(SCP),搭配热关断(TSD)功能:有效防止芯片因过载、短路导致过热损坏。
可编程电流限制:可根据不同负载需求灵活调整电流阈值,适配性更强。
广泛适用,适配多场景应用
无论是数据存储、工业控制还是智能设备领域,SGM260320 均能适配,满足多样化供电需求。
固态硬盘(SSD):为控制器和存储单元提供稳定的多路供电,其高转换效率、低功耗及动态电压特性,在数据高速读写过程中持续保障电源稳定,为存储系统的长效运行奠定坚实基础。
FPGA 与微控制器:精准匹配核心芯片的动态电压需求,助力高性能运算稳定运行。
个人导航设备:依托宽温特性与高效节能设计,有效延长设备续航时间。
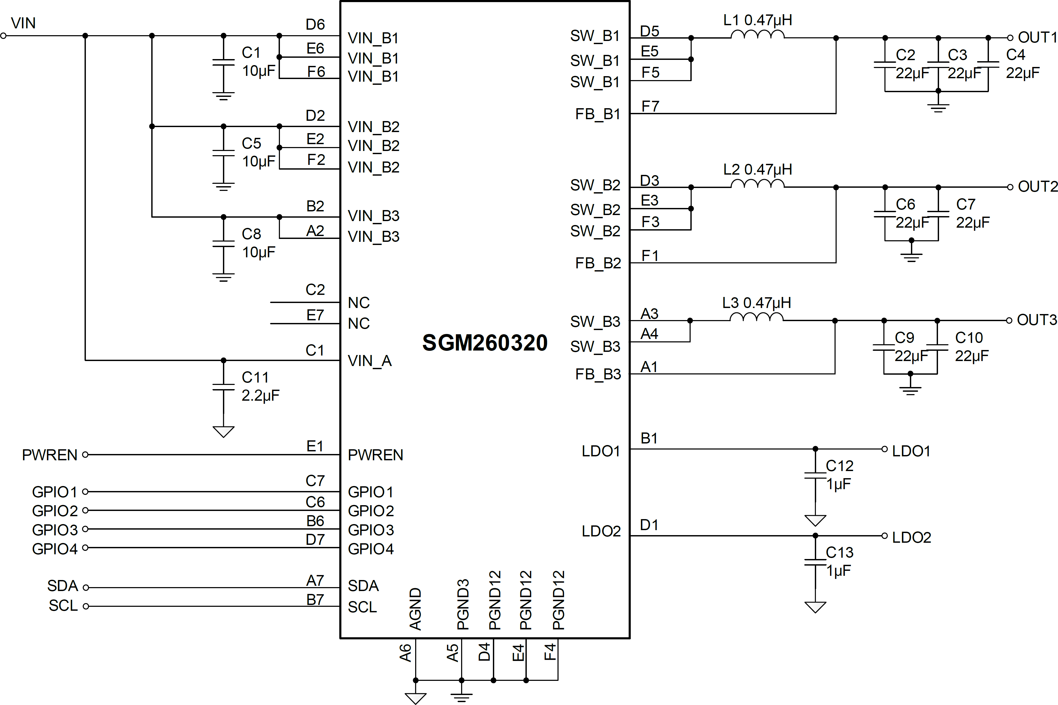
典型应用电路 & 封装设计
SGM260320 为 SSD 系统供电提供完整的电源解决方案,助力产品实现小型化设计。器件采用符合环保理念的 WLCSP-2.42×2.82-36B 绿色封装,体积小、散热性能优异,尤其适合对空间要求较高的设计场景。
通过高集成、高效率与智能化控制,SGM260320 为多领域设备供电带来更优方案,推动终端产品在性能、可靠性与小型化上的全面升级。

图 1 SGM260320 典型应用电路

图 2 SGM260320 封装示意图
关于圣邦微电子
圣邦微电子(北京)股份有限公司(股票代码 300661)作为高性能高品质综合模拟集成电路供应商,目前拥有 34 大类 5900 余款可供销售产品,为工业、汽车电子、通信设备、医疗仪器和消费类电子等领域提供各类模拟及混合信号调理和电源管理创新解决方案。
来源:圣邦微电子