在智能视觉技术不断发展的今天,多路摄像数据的处理与传输已成为众多应用场景的核心需求。从智能安防监控领域的全面覆盖,到工业视觉处理网关的精准检测,再到车载环视融合平台的实时驾驶辅助以及智慧社区AI防控的快速响应,多路摄像数据的处理与传输已成为关键需求,而高效且低延时的解决方案则是实现这些应用的核心。
目前多路摄像传输方案往往存在一定局限,接入路数有限,难以满足大规模监控场景的需求,且延迟较高,影响实时性,编码效率也不尽如人意,通常会占用大量带宽和存储资源。然而,米尔电子在瑞芯微 RK3576核心板上实现了 12 路高清视频流H264高效编码与RTSP低延迟推流,端到端延迟约140ms。下面为大家介绍米尔是如何实现12路高清视频流的低延迟端到端传输。
一、MYD-LR3576开发板强大性能架构:
MYD-LR3576开发板,采用先进8nm制程工艺,集成四核Cortex-A72(主频2.2GHz)与四核Cortex-A53(主频2.0GHz),配备Mali-G52 MC3图形处理单元,VPU视频编解码单元,以及搭配6TOPS算力NPU。

图:米尔基于RK3576开发板
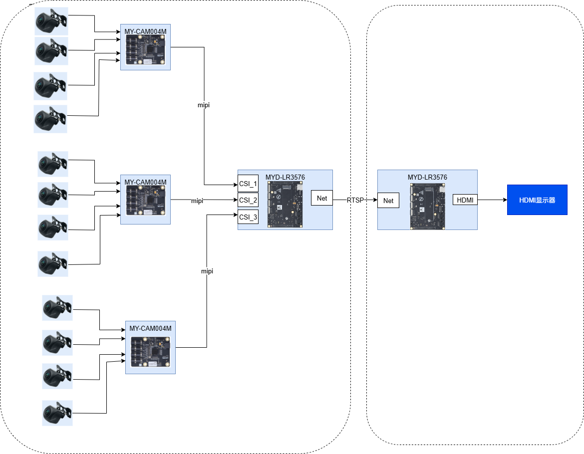
二、12路摄像头采集编码后通过RTSP推流,另一侧解析后显示
视频所示:RK3576 获取 12路 1920x1080 30fps摄像头数据,编码后通过网线传输到另一个3576板子显示过程,摄像头对着秒表能看到延迟时间。

STEP1:使用12路 AHD摄像头抓流后编码推流
MYD-LR3576开发板拥有3路4lan MIPI-CSI接口,搭配MY-CAM004M视频转换模块可以接入12路(1920*1080 30帧)AHD高清摄像头 ,使用RGA图片处理后再经过VPU 单元模块编码成H264码流通过网络RTSP推流。此过程视频延迟在80~100ms以内。
抓取视频流编码后RTSP推送流程:

RGA处理单元占有率

CPU处理单元占有率

STEP2:MYD-LR3576 开发板接收视频流显示:

CPU占有率

GPU占有率

由于通过网络传输和解码,会产生40~50ms左右延迟,最终从视频抓取,编码,RTSP传输,再到解码播放延迟在120~150ms。
对比两个过程各单元占用情况
过程描述 | CPU | RGA | GPU | VPU 最大编解码 | 延迟 |
12路编码RTSP推送 | 20% | RGA0 24% RGA1 8% | 没用上 | H264 编码: 3840x2160@60fps | 80~100ms |
解析RTSP数据解码显示 | 5% | 没用上 | 25% | H264 解码: 4096x2304@60fps | 40~50ms |
三,广泛的应用场景
工业安防下12路摄像头对于RK3576只能算是热身,别忘了它还有6TOPS的NPU没发挥,它也能胜任如下应用场景
智能安防监控领域:作为中枢核心,轻松驾驭多路监控摄像头的视频流,实现全方位、无死角的实时监控。
工业视觉处理网关:精准处理工业生产中的各类视觉数据,助力智能制造。
车载环视融合平台:将多个车载摄像头的画面高效融合,为驾驶安全保驾护航。
智慧社区AI防控:高空抛物监测,陌生人预警,电动车进电梯等。

综上所述,米尔电子基于瑞芯微RK3576核心板打造的解决方案,成功解决了多路高清视频流接入、高效编码与低延迟传输的问题,为智能视觉应用的实时性与可靠性提供了强有力的支撑。后续我们将分享在米尔RK3576核心板上实现AI处理多路视频流的相关内容,敬请期待!









