系列新品介绍
近日,中科海高上架两款X波段瓦级中功率放大器芯片,工作频率分别为8-12GHz和9-13GHz,在使用频段内具有良好的增益、功率和功率附加效率特性。两款中功率放大器芯片均采用境内工艺流片,能够满足国产化应用需求;供电均采用双电源供电,正电压为+8V,片内集成隔直电容,欢迎广大客户垂询。

中功率放大器 HGC458
HGC458是一款GaAs pHEMT中功率放大器芯片。工作频率8 GHz~12 GHz,供电为+8V,静态工作电流300mA,小信号增益23 dB,P1dB:31 dBm,PAE@P1dB:40%,Psat:31 dBm,PAE@Psat:40%。HGC458芯片尺寸为2.0 mm*1.0 mm。该芯片采用境内工艺设计流片,可满足国产化应用需求。
频率范围:8 GHz - 12 GHz
增益:23 dB
P1dB:31 dBm
Psat:31 dBm
PAE:40% @ P1dB;40% @ Psat
供电:+8 V @ 300 mA
芯片尺寸:2.0 mm × 1.0 mm × 0.08 mm
TA = +25℃,VD = +8 V,VG = -0.6 V,ID = 300 mA*

◆备注:通过调整VG电压来控制静态工作电流,VG调节范围:-1V ~ -0.2V,典型值-0.6 V
★小信号增益 VS 温度★

★ 回波损耗 & 反向隔离度★

★ Psat VS 温度★

★PAE @ Psat VS 温度★

★ 动态电流 @ Psat VS 温度 ★

★ OIP3 ★

★ 噪声系数 ★

★ 谐波抑制 ★


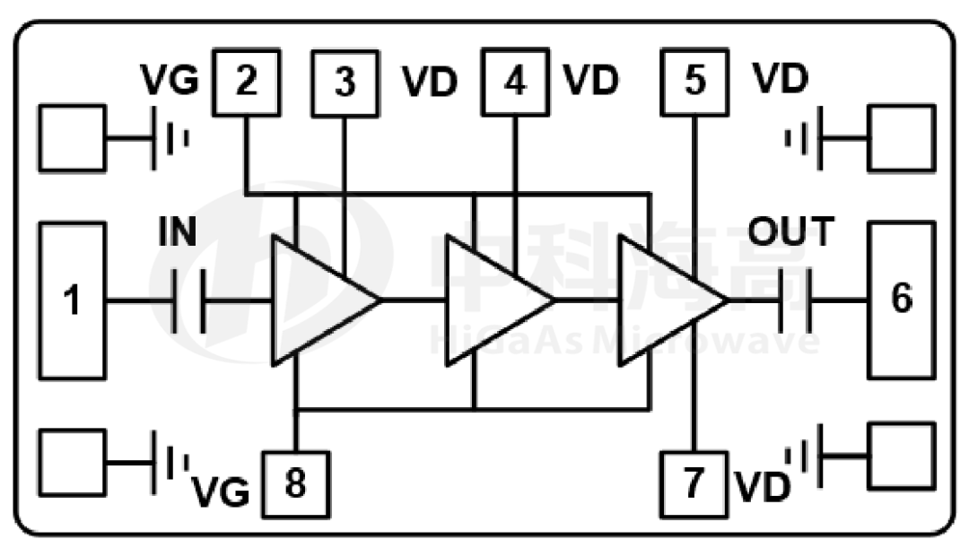
★ 焊盘描述 ★


电源去耦应尽可能充分,实际应用中最外围去耦电容可以适当增大。
中功率放大器 HGC459
HGC459是一款GaAs pHEMT 2W 中功率放大器芯片。工作频率9 GHz~13 GHz,供电为+8V,静态工作电流400mA,小信号增益28.5 dB,输入回波损耗15dB,输出回波损耗13dB,P1dB:32.5 dBm,PAE@P1dB:33%,Psat:33 dBm,PAE@Psat:34%。HGC459芯片尺寸为2 mm*2 mm。该芯片采用境内工艺设计流片,可满足国产化应用需求。
频率范围:9 GHz ~ 13 GHz
增益:28.5 dB
P1dB:32.5 dBm
Psat:33 dBm
PAE:33% @ P1dB;34% @ Psat
供电:+8 V @ 400 mA
芯片尺寸:2 mm × 2 mm × 0.08 mm
TA = +25℃,VD = +8 V,VG = -0.75 V,ID = 400 mA*

◆备注:通过调整VG电压来控制静态工作电流,VG调节范围:-1V ~ -0.2V,典型值-7.5 V
★小信号增益 VS 温度★

★ 回波损耗 & 反向隔离度★

★ Psat VS 温度★

★PAE @ Psat VS 温度★

★ 动态电流 @ Psat VS 温度 ★

★ OIP3 ★

★ 谐波抑制 ★


★ 焊盘描述 ★


电源去耦应尽可能充分,实际应用中最外围去耦电容可以适当增大。
来源:中科海高









