产品概述
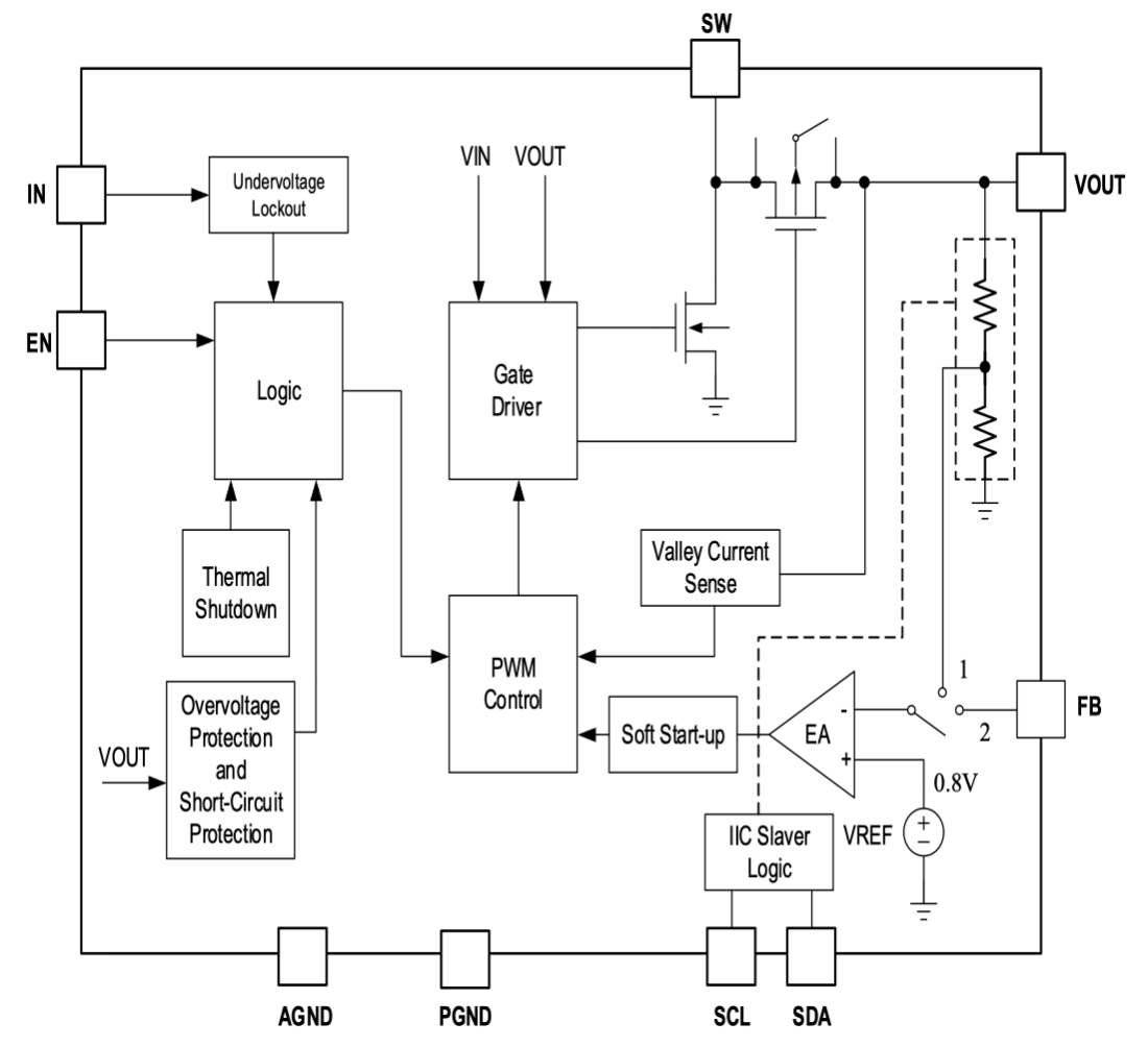
ET8290/ET8290B是一种高效率、同步、电流型、输出真关断的升压转换器。ET8290/ET8290B的输入电压范围为1.9V到5.5V。
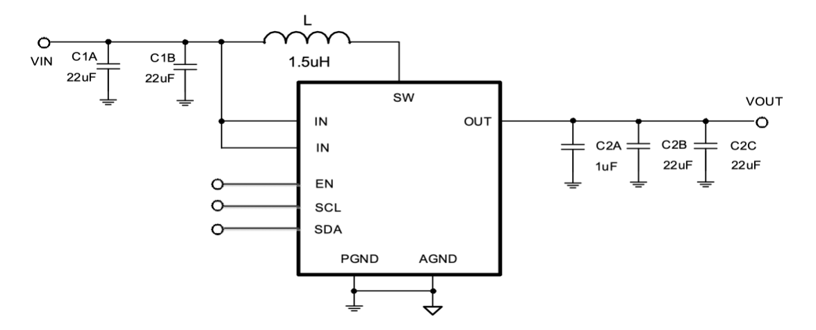
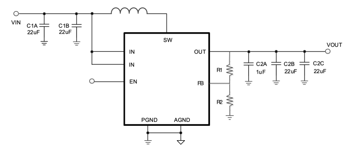
ET8290B的输出电压是通过外部FB分压电阻在2.5V到5V之间进行配置,而ET8290输出电压可通过I2C以0.1V为步进,从3.5V到5V进行编程,也可以在IIC设置为外部FB调压后通过外部分压电阻在2.5V到5V之间进行配置。
ET8290/ET8290B具有高达9A的峰值电感电流,适用于低输入电源轨,输出大负载的应用场景中。
ET8290/ET8290B以固定1MHz的开关频率工作,能够达到最高98%的效率运行,并且具备内部软启动、直通模式、逐周期限流保护、短路打嗝保护、过温保护等功能。ET8290更是可以通过IIC来实现更多的功能,如AFM&FPWM模式切换、输出配置、输出调压斜率配置、软件关断、输出Discharge、Power Good指示等功能。
ET8290/ET8290B均采用了QFN14形式的小封装,配合高度集成的内部电路以及简单的外部器件,能够以更小的应用面积去布局。
产品特点
内部集成16mΩ的N-Channel FET和21mΩ内阻的P-Channel FET
输入电压范围:1.9V to 5.5V
输出电压范围:2.5V to 5.0V
输出电压FB可调:2.5V to 5.0V,0.1V/step(ET8290B)
输出电压IIC可调:3.5V to 5.0V,0.1V/step(ET8290)
9A峰值电感限流
开关频率:1MHz
43uA静态电流
全负载范围高效率,最高效率98%
FB电压为0.807V(ET8290B)
Forced PWM工作模式
内部软启动与补偿
输入与输出真完全断开
Boost模式和Pass-through模式切换
逐周期限流保护、打嗝保护、过温保护、过压保护
封装:QFN14 (2mm×2mm)
典型应用

图1:ET8290典型应用

图2:ET8290B典型应用
管脚定义

图3:ET8290 Top View

图4:ET8290B Top View
功能框图

图5:ET8290

图6:ET8290B
关键数据
(1)Boost和Pass-through模式切换:

图7:Schematic diagram of Boost Mode and Pass-Through Mode switching
(2)No switch电流:

图8:Quiescent Current (VOUT) vs. VOUT
(VEN=3.3V, VFB=0.85V)
(3)Shutdown电流:

图9:Disabled Supply Current vs. Input Voltage
(VEN=0V)
(4)线性调整率:

图10:Line Regulation(VOUT=5.0V)
(5)负载调整率:

图11:Load Regulation(VOUT=5.0V)
(6)效率:

图12:Efficiency(VOUT=5.0V)
来源:力芯微电子