产品概述
随着现代智能化的发展,智能化设备对音频的要求越来越高,必须要求音频信号的保真,智能手机、蓝牙耳机和一些便携式音频设备都需要用到音频模块。
力芯微推出了专门为高性能音频和便携式设备而设计的,高线性度和低失真的高性能模拟音频开关。ET7460H是一款双路SPST的高性能音频开关,具有宽传输电压(-13V 至 +18V),超低导通内阻(0.1Ω),以及优异的通道平坦度,确保信号完整性和超低失真度。
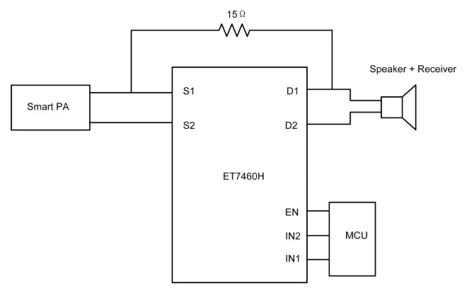
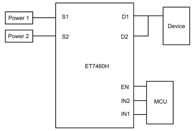
应用于手机扬声器与听筒二合一的切换场合可有效解决TDD干扰;低导通内阻的特性也可应用于两路不同电源的切换。其1.2V逻辑控制适配现代低功耗处理器,凭借低功耗、低导通内阻与宽传输电压范围的特性,ET7460H成为智能手机、无线耳机及便携音频设备的理想解决方案。
产品特点
电源电压范围(VCC):2.7V ~ 5.5V
宽传输电压范围(VIS):-13V ~ +18V
超低导通内阻(RON):0.1Ω
通道持续通流能力:800mA
低待机功耗(ICC):3uA
低总谐波失真(THD+N):-110dB
支持1.2V逻辑控制
工作温度范围:-40°C ~ 85°C
典型应用

图1:手机扬声器与听筒二合一的切换应用

图2:两路不同电源的切换应用
管脚定义

图3:管脚定义
来源:力芯微电子









