4月8日,南芯科技(证券代码:688484)发布新一代全集成双输入双向同步 buck-boost 升降压充电芯片 SC8984,正向充电模式下支持最高 22V 的输入电压和最高 5A 的充电电流,反向放电模式下支持 3V-22V 的宽范围电压输出和最高 5A 的电流输出。芯片特别面向 2-4 串锂电池应用进行了效率优化,同时通过南芯自研的 ACOT (Adaptive Constant-On/Off-Time) 峰谷值控制技术提升系统瞬态响应性能,为多电池串平板、手机、无人机、智能音箱、POS 机等高端消费电子及医疗设备等专业设备的充电提供了更加高效灵活的选择。

极致性能,更高效率
SC8984 适配 2-4 串锂电池应用,具备 3.6V-22V 的宽输入电压工作范围,充电电流最高 5A;同时支持反向 OTG 功能,输出电压范围 3V-22V 且输出电流更高可达 5A,高于同类竞品。

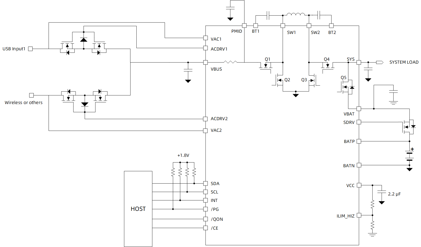
SC8984 典型应用框图
SC8984 集成的功率管导通电阻较低,并通过优化导通电阻分配,显著提升 2-4 串锂电池充电效率:在 12V 到 8V 典型降压场景中,4A 充电电流下效率可达 93.75%;5V 到 8V 典型升压场景中,3A 充电电流下效率可达 90.69%。

SC8984 充电效率曲线

SC8984 与同类竞品在不同模式下的效率曲线对比
SC8984 静态功耗表现优异,典型电池待机电流仅 45μA,在 ship 模式及 shutdown 模式下,静态电流可分别低至 9μA 和 825nA,显著延长设备的仓储和休眠续航时间。同时路径管理 BATFET 具备高达 10A 的持续放电电流能力,为大功率负载的瞬时与持续供电提供强劲支撑。
SC8984 采用南芯自研的 ACOT 升降压控制技术,可实现降压、升降压、升压模式之间的平滑切换。通过优化环路补偿,还带来了更出色的负载瞬态响应性能。

SC8984 瞬态响应波形图(负载电流从 0A 突变到 3A,0.15A/μs)

竞品瞬态响应波形图(负载电流从 0A 突变到 3A,0.15A/μs)
设计灵活,安全可靠
SC8984 采用 WLCSP 封装,将四个开关功率 MOSFET、输入电流采样电阻、充电路径管理 BATFET 以及双输入电源路径管理控制器全部集成于单颗芯片之内,支持 NVDC 电源路径管理,并提供灵活的开关频率选项。除了常见的 750kHz 和 1.5MHz 开关频率外,还额外支持 1.125MHz 开关频率,可为电感选型、效率与纹波性能的折中设计提供更大的灵活度。
SC8984 支持 BC1.2 充电协议,其集成的 11-bit ADC 允许用户灵活监测输入端、输出端和电池的电压及电流,用户还可以通过 I2C 接口灵活配置充电/放电模式,以及充电电流、充电电压、系统电压、反向输出电压、电流限制等参数。
SC8984 内置了全面的保护机制,包括输入/输出过压保护、过流保护、短路保护、过热保护等,为设备的可靠运行保驾护航。
此外,针对不同的应用场景,南芯还推出对 PCB 布局更友好的 QFN 封装,以及功能定制的版本。

南芯科技充电管理产品家族
南芯科技现已建立起包含开关充电芯片、电荷泵充电芯片、线性充电芯片、无线充电芯片和 SoC 充电芯片在内的充电管理产品家族。其中,开关充电芯片提供升压、降压、升降压三种架构,可以对单节和多节电池进行充电和控制。SC8984 瞄准 2-4 节锂电池新兴电子应用,凭借其高效率和高性能,为客户提供极具竞争力的解决方案。
关于南芯科技
上海南芯半导体科技股份有限公司(简称:南芯科技,证券代码:688484)是国内领先的模拟和嵌入式芯片设计企业之一,公司聚焦高端消费电子、汽车电子、工业计算三大领域,致力于成为全球领先的模拟与嵌入式芯片企业,为更广泛的应用提高能源转换效率。更多信息,请浏览网站:https://www.southchip.com/