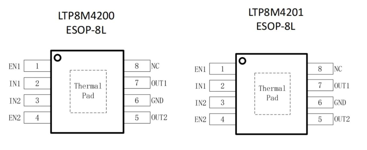
36V输入,双路输出LDO
LTP8M420X集成了双路的低压差线性稳压器,支持高输入电压,低静态电流(IQ),使其成为便携式300mA LDO的最佳解决方案。需要超低待机电流消耗的电池供电应用。5.3μA的极低静态电流,显著延长了电池寿命能够为外部设备电路提供可靠的电源。
产品特色
Dual-Channel LDo with 36V Input
36V宽输入电压范围
3.3V和12V稳压输出(LTP8M4200EXS8/R8)
5V和12V稳压输出(LTP8M4201EXS8/R8)
超低静态电流IQ:5.3uA
低压差:300mA时1000mV
内置过温保护功能在低压差下运行,温度阈值设置为155°C。
产品优势
宽电压,低噪声,低失真度
36V宽压
小封装支持双路电源输出
成本优化

产品应用
小家电
厨电
热水器
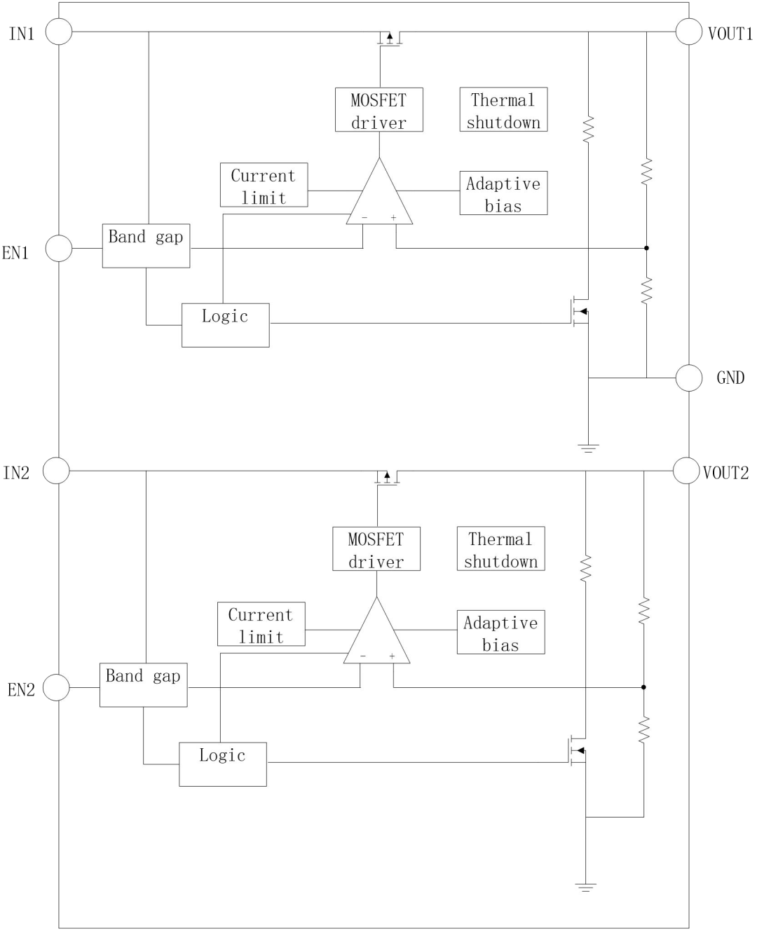
产品框图

订购信息

来源:先积集成